夏季气温高,给猪场生产带来不少问题,对规模化猪场的影响更为突出,如热应激、采食量下降、增重减慢、繁殖障碍等,本文拟对高温季节猪场饲...
第1页共70页编号:时间:2021年x月x日书山有路勤为径,学海无涯苦作舟页码:第1页共70页反渗透水处理设备工作原理以及制作原理反渗透水处理...
财务类考核以及审计监察管理考核以及考核方法名称财务类考核以及审计监察管理考核以及考核方法编码版本页次1以及2修改状态1.审计监察部考...
小米手机市场营销策略分析在现今的中国手机市场,发展到现在也可以用百花争艳百家争鸣来形容了,当国外大牌手机厂商,几大系统,国内已经成...
第1页共14页编号:时间:2021年x月x日书山有路勤为径,学海无涯苦作舟页码:第1页共14页生产安全管理考核以及考核方法名称生产类考核以及生...
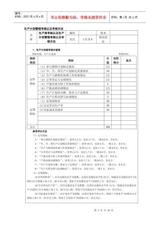
第1页共12页编号:时间:2021年x月x日书山有路勤为径,学海无涯苦作舟页码:第1页共12页生产计划管理考核以及考核方法名称生产类考核以及生...
第1页共50页编号:时间:2021年x月x日书山有路勤为径,学海无涯苦作舟页码:第1页共50页注塑工艺不良缺陷以及成因在光盘生产中,经常会出现...
第1页共70页编号:时间:2021年x月x日书山有路勤为径,学海无涯苦作舟页码:第1页共70页反渗透水处理设备工作原理以及制作原理反渗透水处理...
四川省教师培训平台操作手册中国教师研修网说明:本PPT是针对中小学信息技术应用能力提升工程培训项目中省平台各个角色工作流程的说明,以...
A320驾驶舱设备以及各系统面板介绍(本介绍仅供学习参考,工作中请以实际机型及相关手册为准)一、驾驶舱总布局图二、仪表板面板三、头顶面...
第1页共56页编号:时间:2021年x月x日书山有路勤为径,学海无涯苦作舟页码:第1页共56页金属热处理原理一、热处理的作用机床、汽车、摩托车...
第1页共82页编号:时间:2021年x月x日书山有路勤为径,学海无涯苦作舟页码:第1页共82页喷淋塔的设计以及控制原理和设备分析第2页共82页第1...
第1页共13页编号:时间:2021年x月x日书山有路勤为径,学海无涯苦作舟页码:第1页共13页中国BDO生产和市场现状以及未来发展趋势近几十年来...
江苏省中小学教师心理健康网络知识竞赛【90分】试卷提交时间:2014-06-0611:09:34.093试卷得分:90.01、题型:判断题分值:2在压力性事件中...
此资料由网络收集而来,如有侵权请告知上传者立即删除。资料共分享,我们负责传递知识。志愿服务工作总结以及活动建议参与志愿工作是表达“...
Photoshop小技巧之[图层样式]-[描边]后感觉描边有锯齿以及解决问题:如何解决描边锯齿现象?[描边]样式对半透明像素反应比较明显,所以我们...
第1页共8页编号:时间:2021年x月x日书山有路勤为径,学海无涯苦作舟页码:第1页共8页主题教育活动设计方案寝室卫生以及安全问题[活动主题]...
我国外汇储备的缺陷以及解决方案我国国际储备分为四个部分,分别是:在国际货币基金组织的储备头寸,黄金储备,特别提款权,最后就是外汇储...
第1页共17页编号:时间:2021年x月x日书山有路勤为径,学海无涯苦作舟页码:第1页共17页1.零件分析1、零件的作用阶梯轴是机械加工中的典型...
第1页共64页编号:时间:2021年x月x日书山有路勤为径,学海无涯苦作舟页码:第1页共64页第1讲5S概论【本讲重点】工厂不良状况分析5S的定义...

