通渭悦心游泳协会应急预案一、预案目的始终坚持“安全第一,预防为主”的方针,把安全责任落实到部门,落实到个人。 建立泳池的应急机制,...
主要危险有害因素识别与分析本章针对中国民航大学游泳池,对游泳馆的地址、游泳设施、游泳池消毒等各个阶段中的重大危险源及固有或潜在的危...
1 / 5 游泳池循环水处理系统的工艺流程:自来水做为补给水进入平衡水箱,在平衡水箱中加药剂去除水中的藻类、菌类,出水经毛发过滤器循...
仅供参考 [整理 ] 第 1 页 共 4 页安全管理文书游泳池安全保障制度和措施日期: __________________单位: __________________仅...
游泳池及配套设施配置方案评审要点1.0 目的规范游泳池及配套设施的配置方案的评审,便于后期游泳池安全运行及管理。2.0 适用范围适用于新...
游泳池专项设计合同项目名称:项目建设地点:发包人(甲方):设计人(乙方):签约地点:签约日期:年月日中华人民共和国建设部国家工商行...
1 ** 游泳池施工方案一、方案依据《** 网球场——游泳池招标书》《** 网球场——游泳池》建施1/2,2/2 及结施 1/2,2/2 《** 网球...
游泳池 Party活动执行方案一、活动时间: 2013 年 7 月 20 日( 15:30-17:30 )二、活动地点: 佳和名都售楼部三、主办单位: ...
《_____小区》游泳池运营管理方案 一、 目 的 : 活 跃 社 区 文 化 活 动 , 促 进 物 业 与 业 主 间 的 和 谐...
1 X X 国际酒店游泳池水处理工程承包合同 发包方:_________ 承包方:_________ 根据《中华人民共和国经济合同法...
第二炮兵指挥学院游泳馆 水循环处理方案一、 公司简介武汉航空仪表有限责任公司是生产、研制水处理设备和承接水处理工程的专业厂家,涉足...
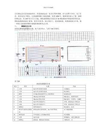
下载后可任意编辑古代奥运会并没有游泳项目,但是游泳运动一直为人类所掌握,在与自然斗争中,为了生存,有时也为了娱乐,人类逐渐掌握了游...
下载后可任意编辑心悦海天项目工程地下车库游泳池施工方案1、方案依据⑴ 行业标准:《建筑基坑支护技术规程》(JGJ120-99);⑵ 国家标准...
目 录一、工程地点及建筑、结构概况…………………………………1二、编制依据………………………………………………………1三、脚手架的材...
下载后可任意编辑江头游泳池水电安装施工方案 一、工程概况: 本工程位于江头公园内,游泳池尺寸为 25m×12m。 二、工程内容: 本工程...
下载后可任意编辑某某游泳池施工方案一、方案依据《某某网球场——游泳池招标书》《某某网球场——游泳池》建施 1/2,2/2 及结施 1/2,2...
下载后可任意编辑某游泳池水电安装施工方案-------------------------------------------------------------------------------- 一、工程...
下载后可任意编辑 一 、 工 程 概 况 一 、 工 程 概 况 ( 一 ) 工 程 概 述 :国 防 科 技 大 学 三 号 院 ...
作业文件 页码 1/6 文件名称 疯狂海啸池操作和服务规范 文件编号 OP-120516-A030 版本 1.0 1.目的 为规范水上救生、水上游乐设施...
下载后可任意编辑下载后可任意编辑下载后可任意编辑下载后可任意编辑下载后可任意编辑下载后可任意编辑下载后可任意编辑下载后可任意编辑

