掌声响起,泪光闪烁————“小霸王”的转变綦江县陵园小学龚华炯引子诗曰:挽弓当挽强,用箭当用长。射人先射马,擒贼先擒王。苏霍姆林斯...
闪烁的小星星教案闪烁的小星星教案1教学目标:1、引导幼儿感受夜晚星空闪烁、柔美的意境。启发幼儿用跳跃、连贯的唱法演唱歌曲。2、用打击...
几千枚硬币闪烁着农信人真诚服务的光辉1月25日是新年上班后的第一天,中午时分,正当唐宫路信用社柜员交接班准备下班的时候,一客户抱着一...
调试闪烁信号灯课件CONTENTS•信号灯基础知识•调试闪烁信号灯的步骤•调试闪烁信号灯的技巧和注意事项•调试闪烁信号灯的应用实例•总结与...
第1页共19页编号:时间:2021年x月x日书山有路勤为径,学海无涯苦作舟页码:第1页共19页毕业设计(论文)毕业设计(论文)课题名称:广告牌...
•引言•谐波的基本概念•闪烁的基本概念•谐波与闪烁的关系•实际应用案例分析•结论与展望目录01引言演讲主题的引入介绍谐波与闪烁的概念...
攀枝花学院本科课程设计(论文)自动售货机PLC控制系统设计姓名:黄趾辉学号:201010601065院(系):机械工程学院年级专业:2010级机制1班...
攀枝花学院本科课程设计(论文)自动售货机PLC控制系统设计姓名:黄趾辉学号:201010601065院(系):机械工程学院年级专业:2010级机制1班...
飞利浦LED筒灯闪炫闪烁系列批发课件•产品介绍•批发政策•售后服务•客户案例contents目录01产品介绍采用LED照明技术,相比传统光源,具有...
项目一控制单个LED闪烁课件目录•LED与单片机的连接•LED闪烁控制程序编写•实验操作与结果分析•课程总结与展望01LED基础知识LED的定义与...
闪烁的小星星课件目录CONTENTS•星星的简介•星星的闪烁•星星的观测与探索•星星的奥秘与未来01星星的简介星星的定义010203星星恒星行星在...
Flash闪烁效果课题Flash闪烁效果教学目的:让学生掌握闪烁效果。重点闪烁效果难点闪烁效果关键闪烁效果课堂类型新授教学方法启发教(学)具...
第1页共19页编号:时间:2021年x月x日书山有路勤为径,学海无涯苦作舟页码:第1页共19页毕业设计(论文)毕业设计(论文)课题名称:广告牌...
第1页共4页本文格式为Word版下载后可任意编辑和复制繁星闪烁的夜我本次供应的是繁星闪耀的夜,你可以凭借这类繁星闪耀的夜去写作文.假如你有...
第1页共2页本文格式为Word版下载后可任意编辑和复制星光,为我而闪烁关于星光,为我而闪耀,星光,为我而闪耀怎么写,我整理了以下的内容,盼...
第1页共3页本文格式为Word版下载后可任意编辑和复制闪烁着的星星本文是闪耀着的星星的范本,针对闪耀着的星星做了肯定整理修编,该作文内容...
让税徽闪烁,为党旗增辉各位领导、同志们:我们××市国税局内设科室个,所辖办税服务厅、稽查局以及个税务分局,共有干部职工人。全系统设...
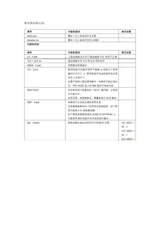
服务器闪烁信息:1-1-2-1:
警徽在救灾前线闪烁—记市公安局赴川抗震救灾特警抢险队四川地震灾区急需救援。在汶川大地震发生两天后,一支由我市100名精干特警组成的抗...
四川信息职业技术学院毕业设计说明书设计题目:基于单片机多控制多闪烁LED彩灯专业:电子信息工程技术班级:电信08-3学号:08190**姓名:潘...

