带电短接设备和带电清水冲洗设备安全技术操作章程(1)带电短接设备① 用分流线短接断路器(开关)、隔离开关(刀闸)、跌落式熔断器(保险)等载...
室外总平给水管道试压冲洗施工技术措施一、编制说明针对三江湖工程室外总平给水管道的试压、冲洗,编制本施工技术措施。以指导施工,保证施...
全自动反冲洗过滤器说明书新HENsystemofficeroom【HEN16H-HENS2AHENS8Q8-HENH1688】全自动反冲洗过滤器说北京筑恒科技有限公司R——目录概...
生活给水系统冲洗(消毒)试验记录C2.3.6.6 编号:工程名称中海朝阳郡•熙岸 6#楼施工单位通州建总集团有限公司试验部位一至十一层给水系...
冲洗打麻工岗位法律规范1 主要职责1.1 服从班长安排,完成冲洗、打麻、冲毛等各项任务,做到文明生产。1.2 在生产中严格遵守安全操作章...
水暖管道的试压与冲洗、消毒一、室给水管道的压力试验室给水管道一般只进行水压试验。根据工程需要,可先阶段试验,后全部系统试验,也可全...
空调水系统管道冲洗方案欧阳光明(2021.03.07)编制人:审核人:审批人:***有限公司**项目2016 年 11 月 22 日目录1.项目简介 12. 系...
新型冲洗方法与传统酸洗方法的对比及其应用 摘要:详细介绍了宝钢 5000mm 宽厚板札机剪切线液压系统“本泵本油箱”的冲洗和施工过程控制...
一期除雾器顶部冲洗水门改造方案文王晓冬会 签: 王 王彤 清亮 卜宪伏武刚 勇技术支持部 二〇一三年七月一期除雾器顶部冲洗水门改造...
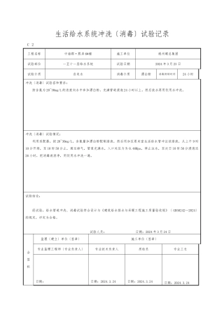
生活给水系统冲洗〔消毒〕试验记录C 2工程名称中海郡·熙岸 6#楼施工单位通州建总集团试验部位一至十一层给水系统试验日期2024 年 3 ...
自动喷水灭火系统管网冲洗记录表工程名称 宁波东城国贸中心工程 建设单位宁波益兴房产投资有限公司施工单位宁波建工股份有限公司监理单位...
膀胱冲洗技术操作评分标准项目评分标准及细则分值扣分原因得分准备质量15分1、护士准备:衣帽干净、洗手、戴口罩(一项不符合要求扣 1 分...
用三腔导尿管行膀胱冲洗护理技术操作流程核 对评估解释准备体 位冲 洗拔 管整 理备齐用物,携至床旁。核对床号、姓名。1. 评估患者得...
珠海市金湾区横石基、木头冲村农村水改市政配套工程给水管道试压冲洗消毒方案编制: 审核:批准:日期:2024 年 8 月 17 日汕头市潮阳...
深圳地铁 11 号线给排水管线改迁及恢复工程 11603 标段宝安站交通疏解第二阶段给水管道冲洗消毒方案深圳市建宏达建设实业有限公司二一...
空调水系统管道冲洗方案编制人: 审核人: 审批人: ***有限公司**项目2024 年 11 月 22 日目录1.项目简介..........................
涿州市热电联产供热管网项目一期工程第二标段打压、冲洗方案涿州市热电联产供热管网项目一期工程第二标段工程项目经理部2024 年 10 月目...
施工现场车辆冲洗制度1、车辆冲洗工作由值班门卫人员或指定的专人进行车辆冲洗工作,所有车辆均需到统一洗车点洗车,任何个人不得私自接水洗...
施工现场车辆冲洗制度1、车辆冲洗工作由值班门卫人员或指定的专人进行车辆冲洗工作,所有车辆均需到统一洗车点洗车,任何个人不得私自接水洗...
出入车辆冲洗制度出入车辆冲洗制度一、车辆冲洗工作由值班门卫人员或指定的专人进行车辆冲洗工作,所有车辆均需到统一洗车点洗车,任何个人...

