浅析建筑结构设计中剪力墙框架设计浅析建筑结构设计中剪力墙框架设计 摘要:为满足高层建筑的抗震要求,剪力墙结构被广泛应用。设置剪力墙...
泛珠三角区域合作框架协议(全文)来源:新华网点击率:935 泛珠三角区域包括福建、江西、湖南、广东、广西、海南、四川、贵州、云南九个...
河北省民间借贷法律框架讨论河北省民间借贷法律框架讨论 [提要] 随着民间借贷市场的日趋活跃和对金融业的影响日渐加深,为及时把握民间借...
森林资源证券化讨论评述与分析框架构建森林资源证券化讨论评述与分析框架构建 内容摘要:传统融资模式无法从根本上满足林业的融资需求,进...
目 录1、编制依据...............................................................31.1、施工组织设计..................................
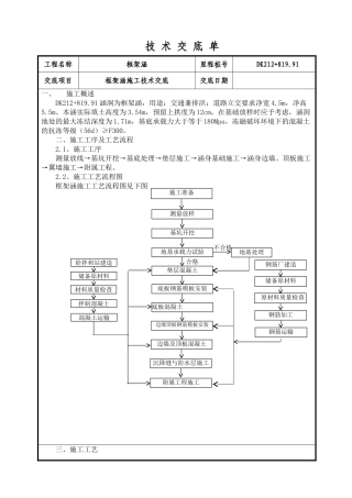
技 术 交 底 单工程名称框架涵里程桩号DK212+819.91交底项目框架涵施工技术交底交底日期一、施工概述DK212+819.91 涵洞为框架涵,用途...
框架合作协议主要内容(一)项目基本情况 1、项目简介(1)项目的名称:(2)项目性质:新建项目 (3)项目地点:(4)投资规模:估计总...
框架填充墙砌筑工程安全技术交底 工程名称施工员作业班组施工部位质监员班组长一、交底内容:1、 本工程采纳轻质空心砖小型砌块和轻质矿...
框架-剪力墙高层建筑结构设计的优化措施框架-剪力墙高层建筑结构设计的优化措施 摘要:本文阐述了高层建筑的受力特点,介绍了框架剪力墙结...
工 程 建 设 监 理 大 纲工 程 名 称 :建 设 单 位 :监 理 单 位 :编 制 日 期 :目 录一 、 编 制 依 据...
****工程 监 理 规 划编制: 审核: ****监理公司二○一○年三月十七日目 录1. 前言--------------------------------------------...
1、工程概况临策增设房屋工程-图克木站位于内蒙古自治区阿拉善盟图克木,单身综合楼工程包括三层砖混结构,餐厅、厨房及淋浴部分为单层框架...
构建知识框架提高复习实效的方法分析论文2025-12-15 复习课难上,这是许多数学老师常常发出的感叹。复习课既不能像新授课那样有“新奇感”...
教育学知识要点●什么就是教育学教育学就是讨论教育现象,揭示教育规律得一门科学。教育现象包括教育社会现象与教育认识现象;教育规律就是...
探究框架剪力墙结构工程主体施工技术探究框架剪力墙结构工程主体施工技术 摘 要:框架剪力墙结构综合了框架墙和剪力墙的性能,使用起来更...
投资合作战略框架协议甲方: 光裕股份(香港)有限公司乙方: 本协议双方遵循互惠互利合作理念,为投资建设“张居正文化产业园”,经双方...
战略合作框架协议书(15 篇) 甲方: 乙方: 经甲方和乙方友好协商,本着公平互利,优势互补的原则,打算建立 O2O 战略合作关系,双...
建设工程框架协议书甲方:陕西乾润房地产开发有限公司乙方:陕西盛唐建设有限公司甲乙双方针对安康恒口示范区“格林小镇”的建设工程事宜达...
环境保护职业教育集团成员单位 合作协议 甲方 长沙环境保护职业技术学院乙方 甲乙双方本着诚实守信、平等合作、互利互惠、谋求双赢的原...
底部框架顶层门刚的建模及计算总结底部框架顶层门刚结构的建模及计算总结 (本文以 PKPM 为例,使用其他软件应自行解决相关问题,本文只...

