型 号 GA-5YASV-RH 主 要 用 途 服 务 器 支 持 CPU类 型 Intel Xeon 3200系 列 ,INTEL CORE2系 列 ,INTEL 奔 腾 ...
技嘉主板g31mes2l(es2c)使用手册
1 技 嘉 主 板 bios 设 置 图 解 教 程 ( 一 ) BIOS 设 置 BIOS(基 本 输 入 /输 出 系 统 )是 被 固 化 ...
@BIOS User Guide 技嘉主板BIOS刷新升级工具中文简体用户指南 Before You Begin : 在你开始之前 1. In Windows, close all a...
第 1 页 共 4 页精品文档---下载后可任意编辑新三板上市与主板上市的区分 新三板上市与主板上市的区分 新三板上市与主板上市的区分...
精品文档---下载后可任意编辑概述诊断卡也叫 post 卡(power on self test),其工作原理是利用主板中 bios 内部自检程序的检测结果...
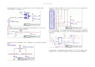
1/16 主 板 维 修 手 册 2/16 第一部分:手机电路的基本结构 7.1 手机电路的组成:基带电路+射频电路 两部分组成 7.1.1基带电...
手把手教你如何装电脑主板USB 管脚接口大全 电脑主机最基本的配备有主板、CPU、内存、显卡、 电源,有了这些东西,最基本你就可以开机看...
首 先 , 我 们 来 看 一下第一个菜单 Main 中的内容: 这 个 菜 单 中 , 实 际 上 没 有 什 么 特 别 重 要 ...
戴尔v ostro-1014/1088 拆解主板以及风扇! 由于戴尔的v ostro-系列笔记本基本都使用的是同一款模型,所以拆解起来都是一样的,所以你...
迅 速 进 阶 主 板 专家 BIOS设置信息全解析 BIOS详解1:标准 CMOS设置 前言:计算机用户在使用计算机的过程中,都会接触到BIOS,...
今天收到同行送来的一块主板。 主板型 号 为MS-7506 V ER : 说让我修修,反正这几天正学习呢,就当做试手了。经过同行描述,为主板...
应为很多网友对BIOS 还是 不太了解的,所以特地 转一些有用的帖子过来 方便大家参考 有用的朋友请看自己需求的部分,没用的朋友请不要...
电脑型号 惠普 惠普 康柏 dx2390 Microtower 台式电脑 操作系统 Windows 7 专业版 32 位 SP1 ( DirectX 11 ) 处理器 英...
微星H61主板 BIOS设置 1 2011-07-21 17:47 BIOS基础设置 可点击放大 可点击放大 一、主菜单 该菜单显示基本硬件配置和设置日期时...
微星H55M-E33主板BIOS详解 其他型号H55主板BIOS设置与此类似,也可参考。 BIOS设置快捷键 BIOS主菜单 1、Standard CMOS Features 标...
第 1 页 共 5 5 页 微星AMD 785G主板的BIOS设置详解 一、菜单 .................................................................
1 微星AMD主板的BIOS设置详解 本设置讲解,以785GTM-E65为蓝本,其他AMD主板也可参考。 不同型号AMD主板只是BIOS设置项目有多有少,只要...
前言:主板作为电脑的重要部件之一,提供各种插槽与其他硬件设备进行连接,承载着整个平台的运行。随着用户需求的不断增长,主板上的插槽也...
虽然此帖较老,但不失为一骗不可多得的经典帖.希望能对大家有帮助. 大家知道,主板是所有电脑配件的总平台,其重要性不言而喻。而下面我们...

