桥梁工程钻孔灌注桩基础施工监理细则一、监理依据在本驻地办监理范围内的钻孔灌注桩的施工监理应以下列文件为依据:1、业主与承包人之间的...
青岛丽海花园7#商住楼单位工程施工组织设计姓名:桥梁081杨立涛200804135Tel:151544497301.工程概况与施工特点分析1.1工程建设概况青岛丽...
第1页共7页编号:时间:2021年x月x日书山有路勤为径,学海无涯苦作舟页码:第1页共7页浅谈桥梁制梁施工的质量监控甘肃铁一院工程建设监理公...
暗挖隧道施工安全控制浅谈蒋祖志(中铁十一局城轨公司)摘要:城市暗挖隧道多处于浅埋、地表建筑物较多、围岩情况复杂不稳定、地下水丰富、...
第1页共31页编号:时间:2021年x月x日书山有路勤为径,学海无涯苦作舟页码:第1页共31页桥梁工程施工质量控制要点第2页共31页第1页共31页编...
第1页共60页编号:时间:2021年x月x日书山有路勤为径,学海无涯苦作舟页码:第1页共60页检验表35桥梁总体现场质量检验报告单承包单位:合同...
第1页共83页编号:时间:2021年x月x日书山有路勤为径,学海无涯苦作舟页码:第1页共83页桥梁涵洞工程质量检验评定表评表34桥梁总体质量检验...
第1页共6页编号:时间:2021年x月x日书山有路勤为径,学海无涯苦作舟页码:第1页共6页目录1.支架现浇混凝土梁(板)质量控制目标2.质量控制...
第1页共71页编号:时间:2021年x月x日书山有路勤为径,学海无涯苦作舟页码:第1页共71页市政工程质量通病100例一、桥梁工程1、结构物角线不...
第1页共31页编号:时间:2021年x月x日书山有路勤为径,学海无涯苦作舟页码:第1页共31页桥梁工程施工质量控制要点第2页共31页第1页共31页编...
第1页共16页编号:时间:2021年x月x日书山有路勤为径,学海无涯苦作舟页码:第1页共16页桥梁上部结构施工质量监理实施细则1.工程概况与工程...
第1页共45页编号:时间:2021年x月x日书山有路勤为径,学海无涯苦作舟页码:第1页共45页南充~大竹~梁平(川渝界)高速公路工程项目桥梁总...
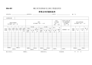
D06-001嫩江村至前杨家屯公路工程建设项目桥梁总体质量检验表承包单位:监理单位:合同号:编号:施工负责人:检测人:质检负责人:专业监...
铁路客运专线工程桥梁施工质量控制要点目录第一章铁路客运专线桥梁工程的特点第二章桥梁施工前的准备第三章基础工程质量控制要点第四章墩台...
铁路客运专线桥梁施工质量控制要点桥梁设计突出人性化,通过满足适用、舒适、耐久、环保、便于维护等方面的要求体现经济性。桥梁施工应精细...
第1页共42页编号:时间:2021年x月x日书山有路勤为径,学海无涯苦作舟页码:第1页共42页桥梁施工质量控制新建xx铁路北起xx省xx市,南至xx南...
第1页共109页编号:时间:2021年x月x日书山有路勤为径,学海无涯苦作舟页码:第1页共109页2城市桥梁工程2.1模板、支架和拱架2.1.1木模板制...
城市桥梁-001模板、支架和拱架检验批质量验收记录工程名称分项工程名称验收部位施工单位专业工长项目负责人分包单位分包负责人施工班组长施...
第1页共43页编号:时间:2021年x月x日书山有路勤为径,学海无涯苦作舟页码:第1页共43页目录目录...........................................
第1页共19页编号:时间:2021年x月x日书山有路勤为径,学海无涯苦作舟页码:第1页共19页铁路客运专线桥梁施工质量控制要点桥梁设计突出人性...

