桥梁工程施工方案一、桥位自然地理概况(一)、位置、地形及地貌石堡河中桥位于黄龙县城区。桥址区地貌单元属石堡河漫滩,一级阶地,地形起伏...
木模板制作检验批质量验收记录表编号:__________单位(子单位)工程名称分部(子分部)工程名称验收部位施工单位项目经理分包单位分包项目...
桥梁工程桩基混凝土施工中的技术问题分析摘要:文章介绍了桥梁工程桩基施工中常见的混凝土质量缺陷,针对施工中的技术问题进行了探讨。关键...
公司桥梁安全隐患排查情况报告书(精)第一篇:公司桥梁安全隐患排查情况报告书(精)公司桥梁安全隐患排查情况报告书根据公司京路桥鑫畅字[2...
装饰装修工程施工方案一、工程简介:栏杆:结合灯具钢栏杆;侧面装饰:5mm厚外墙铝塑板;桥墩:白色真石漆;梁板底部:白色真石漆;人行道:...
第1页共51页编号:时间:2021年x月x日书山有路勤为径,学海无涯苦作舟页码:第1页共51页大跨度桥梁工程施工质量控制与风险研究第2页共51页...
第1页共35页编号:时间:2021年x月x日书山有路勤为径,学海无涯苦作舟页码:第1页共35页课程名称:概预算设计题目:罗家山中桥施工图预算院...
第1页共5页编号:时间:2021年x月x日书山有路勤为径,学海无涯苦作舟页码:第1页共5页【通过作者在工程造价实践中多年积累的造价经验,从如...
第1页共51页编号:时间:2021年x月x日书山有路勤为径,学海无涯苦作舟页码:第1页共51页大跨度桥梁工程施工质量控制与风险研究第2页共51页...
预应力技术在桥梁加固中的应用研究谌润水1刘群安2金三仔3(1.江西省交通科学研究院南昌3300380)(2.江西省吉安市公路管理局吉安331300)(3....
技术交底记录工程名称风情大道改扩建工程部位名称桥台、盖梁、现浇桥施工单位综合一队交底内容:编号工序名称交底日期张拉施工主线第26联、...
第1页共6页编号:时间:2021年x月x日书山有路勤为径,学海无涯苦作舟页码:第1页共6页2012届道路桥梁工程技术专业设计任务书(桥梁施工组织...
此资料由网络收集而来,如有侵权请告知上传者立即删除。资料共分享,我们负责传递知识。道路与桥梁工程专业实习总结实习方向:道路与桥梁工...
预应力连续刚构桥梁悬臂施工控制论文关键词:桥梁连续刚构悬臂施工施工控制论文摘要:桥梁施工监控主要是施工过程的安全控制以及线形与内力...
西交《桥梁工程》在线作业15秋满分答案一、单选题(共30道试题,共60分。)1.主梁中配置预应力束筋、纵向主筋、斜筋以及作各种验算时,需要...
ONEKEEPVIEW桥梁结构构造图教学课件•桥梁结构基本概念目录•桥梁结构构造图绘制软件介绍与使用技巧01PART桥梁结构基本概念桥梁的定义与分...
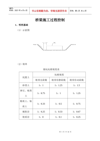
第1页共12页编号:时间:2021年x月x日书山有路勤为径,学海无涯苦作舟页码:第1页共12页桥梁施工过程控制1、明挖基础(1)示意图(2)坡率...
植筋新法在桥梁维修加固中的应用黄瑞兰胡小裕广东省梅州市公路勘察设计院,广东梅州514011摘要:通过省道S333线惠东大桥的维修加固实例,简...
某市桥梁工程施工控制及质量检查指南课件•引言•施工准备阶段•施工阶段•质量检查与验收•施工控制与优化•质量检查指南与建议•案例分析...
此资料由网络收集而来,如有侵权请告知上传者立即删除。资料共分享,我们负责传递知识。道路桥梁专业技术年终总结【篇一】2020一年来,本人...


