桥梁施工中软土地基施工技术的应用研究中英文翻译BridgeconstructionofsoftsoilfoundationconstructiontechnologyapplicationresearchonChi...
桥梁桩基施工中溶洞处理方法桥梁桩基础施工中,遇到溶洞的情况并不少见,作为地下隐蔽工程,给施工带来很大困难,如处理方法不当,往往会造成掉...
浅议桥梁桩基础钻孔灌注桩施工技术摘要:钻孔灌注桩的施工大部分是在水下进行的,其施工过程无法观察,成桩后也不能进行开挖验收.。施工中任...
课程名称:概预算设计题目:罗家山中桥施工图预算院系:土木工程系专业:铁道工程(桥梁组)学号:姓名:指导教师:马老师西南交通大学峨眉...
舟曲灾后重建xx桥维修加固工程xx规划编号:批准:审核:编制:甘肃省xx公司xx年xx月xx日监理规划会签表(SJL—CX—7.1—001)工程名称:舟...
桥梁涵洞工程质量检验评定表评表34桥梁总体质量检验评定表评表35钻孔灌注桩质量检验评定表评表36挖孔桩质量检验评定表评表37大直径空心桩质...
桥梁维修加固改造工程管理办法第一章总则第一条为加强公路桥梁维修加固改造工程管理,提高工程质量和投资效益,杜绝桥梁跨塌、坠车伤人事件...
南充~大竹~梁平(川渝界)高速公路工程项目桥梁总体现场质量检验报告单标段:承包单位:监理单位:表ZBD-51工程名称郑家湾大桥(填写桥梁...
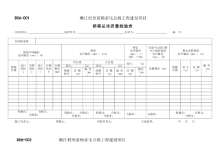
D06-001嫩江村至前杨家屯公路工程建设项目桥梁总体质量检验表承包单位:监理单位:合同号:编号:施工负责人:检测人:质检负责人:专业监...
钻孔灌注桩施工技术方案①钻孔准备:a、首先是场地准备,本合同段的钻孔灌注桩是在湿地进行,受汛期影响,清除场地的杂物,换除软土,整平...
大跨度桥梁的发展趋势调研报告..范文大全大跨度桥梁的发展趋势调研报告前言:根据《公路桥梁设计规范》规定。单跨跨径大于40m即为大桥,一...
浅析悬臂施工桥梁边跨现浇段的施工——圆柱模板的应用沈强(四公司)【摘要】本文主要介绍了使用圆柱模板作支撑,代替传统的满堂支架施工悬...
港珠澳大桥桥梁工程预制化技术应用课件•绪论•预制化技术在桥梁工程中的应用•预制化技术的关键技术与创新•预制化技术对桥梁工程的影响与...
桥梁基础施工介绍课件•桥梁基础施工概述•桥梁基础施工前的准备•桥梁基础施工的主要方法•桥梁基础施工的关键技术•桥梁基础施工的质量控...
碳纤维布在国道315线桥梁加固中的应用摘要:通过G315线桥梁维修加固的实例,简要介绍碳纤维布加固梁板在桥梁加固维修中的应用,重点说明施...
桥梁工程施工质量控制要点桥梁工程施工质量控制要点一、钢筋工程1、钢筋材料检查(1)按60T每批次的频率,对每批进场钢筋抽检。抽检的项目...
试论道路桥梁工程中现代测绘技术的应用摘要:随着我国经济的快速发展,材料、机械、设备工业也相应的有了发展,以道路桥梁为依托的交通系统...
试谈桥梁施工中老桥基础的处理措施摘要:随着经济的发展,车量迅速增加,车流量对道路工程的质量和等级要求也越来越高,许多道路桥梁需要扩...
桥梁施工技术员工作自我参考总结(通用)本人自20xx年7月来到xxx公司参加工作,已经快要一年了。还记得刚到公司报到时,公司为我们提供为期...
铁路客运专线桥梁施工质量控制要点桥梁设计突出人性化,通过满足适用、舒适、耐久、环保、便于维护等方面的要求体现经济性。桥梁施工应精细...

