公路软土地基路堤设计与施工技术规范JTJ017-96条文说明目次编制说明1总则2术语、符号、代号2.1术语2.2符号3软土地基工程地质勘察3.1一...
中华人民共和国行业标准公路粉煤灰路堤设计与施工技术规范TechnicalSpecificationsforDesingandConstructionofFlyashEmbankmentJTJ016-93主...
公路软土地基路堤设计与施工技术规范JTJ017-96条文说明目次编制说明1总则2术语、符号、代号2.1术语2.2符号3软土地基工程地质勘察3.1一...
公路粉煤炭路堤设计与施工技术规范JTJ016-93条文说明目录编制说明1总则2粉煤灰路堤设计2.1一般规定2.2粉煤灰2.3设计参数2.4路堤横断面2.5稳...
我国水资源污染治理的技术策略摘要:水环境污染和水资源短缺是全球淡水资源正面临的两大问题。随着我国经济的迅速发展,人口的增加,人民生...
目录一、编制依据与原则...............................................................................................................
路堤施工方案制作人:沈程班级:铁道工程1101演讲:吕鹏路堤施工•一、概述•二、施工准备、部署•三、施工工艺流程•四、一般地段路基施工...
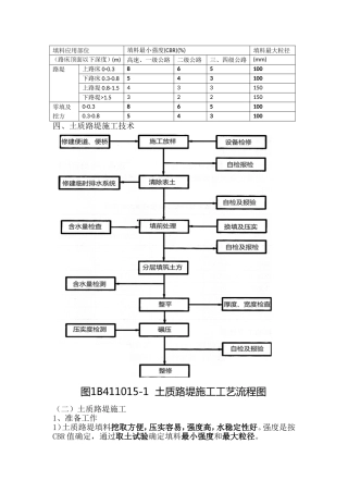
土质路堤施工作业指导书1.0编制目的明确土质路堤施工作业的具体规定、施工要点和相应的工艺、标准,指导、规范土质路堤作业施工。2.0编制依...
填料应用部位填料最小强度(CBR)(%)填料最大粒径(路床顶面以下深度)(m)高速、一级公路二级公路三、四级公路(mm)路堤上路床0-0.3865100下路...

