下载后可任意编辑摘要随着我国社会经济的进展,住房制度改革的不断深化,人们生活水平的不断提高,城市中各类小区建设进展十分迅速,同时也对小...
下载后可任意编辑 南京工程学院 自动化学院 本科毕业设计(论文)开题报告 题目: 基于 PLC 的恒压供水泵站控制系统设计 专 业: ...
下载后可任意编辑课题名称 PLC 恒压供水控制系统设计 专业名称:班 级:学 号:姓 名:指导老师:日 期:2024.3.14-2024.5.7 下载...
下载后可任意编辑变频器恒压供水系统设计摘 要随着社会经济的迅速进展,人们对供水质量和供水系统可靠性的要求不断提高,再加上目前能源紧...
下载后可任意编辑1 绪论1.1 选题的目的和意义稳定的供水是人民生活质量的重要保障之一,但由于城市建设步伐的加快,高层建筑越来越多,使居...
毕业设计(论文)手册学 生 姓 名 : 延 娓 娓 指 导 老 师 : 叶 天 迟 专 业 : 自 动 化 班 级 : 自 0745 ...
下载后可任意编辑摘要随着社会主义市场经济的进展,人们对供水质量和供水系统可靠性的要求不断提高;再加上目前能源紧缺,利用先进的自动化...
下载后可任意编辑摘 要本论文根据中国城市小区的供水要求,设计了一套基于PLC的变频调速恒压供水系统。变频恒压供水系统由可编程控制器、...
下载后可任意编辑目 录1 概述........................................................................................................
编号 毕业论文题 目基于 PLC 控制的恒压供水变频调速系统设计学生姓名学 号系 部电气工程系专 业 电气自动化班 级指导老师 二〇...
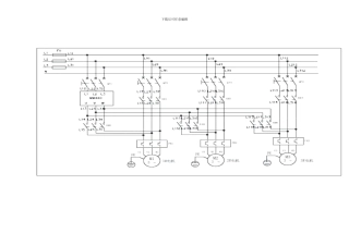
下载后可任意编辑下载后可任意编辑下载后可任意编辑5.7 PLC 程序及变频器参数PLC 程序下载后可任意编辑下载后可任意编辑下载后可任意编...
下载后可任意编辑 《PLC 应用实验》课程报告 班级:控制[专研]-17 学号: 2024309030114 姓名:董广亮 日期:2024.11.20 1下载后可...
下载后可任意编辑基于 PLC 和模糊控制的变频调速恒压调节供水系统彭晓红肖来生广东海洋大学信息职业技术学院湛江,中国电子邮件:lgdpxh@1...
下载后可任意编辑毕业设计(论文)任务书题 目:基于 plc 变频器的恒压供水系统系 别:机电工程系专 业:年 级: 姓 名: 指导老...
目 录1 引 言............................................................11.1 选题背景............................................
(维修电工技师)论文题 目 姓 名 指导老师 二〇一二年七月一日下载后可任意编辑摘要 随着人们对生活水平要求的不断提高和经济社会进展...
下载后可任意编辑基于 ABB 变频器的恒压供水系统的设计齐亚德·阿西·奥贝德,纳斯里苏莱曼和 M.N.哈米顿博特拉大学工程学院,电气与电...
目 录第一章 绪 论.............................................................- 1 -1.1 变频恒压供水产生的背景和意义............
使用说明书 版本:V 4.0 北 京 博 格 朗 科 技 有 限 公 司 BEIJING BOGELANG TECHNOLOGY CO.,LTD. DB3610/3310 变频恒...
CPS-21F变频恒压供水调节器 使 用 说 明 书 北京兰利东方科技有限公司 目 录 一、CPS-21F系列变频恒压供水调节器的特点 ...........

