...../加油站主管计量操作及数质量技能考核试题(A卷答案)---理论部分单位:姓名:一二三四五总分一、名词解释(5题,共10分)1.计量:答...
衡器制造计量器具许可证考核必备条件(一)电子计价秤、电子计重秤一、适用范围本考核条件适用于对生产电子计价秤、电子计重秤(30及以下)...
第一部分卡尺第一章游标卡尺一、外校项目与工具序号项目工具1外观目视2各部分相互作用目视3外量爪两测量面的合并间隙目视4零值误差放大镜或...
施工单位岗位职责项目经理岗位职责1、坚持四项基本原则,坚持企业的社会主义经营方向。2、坚持党和国家的方针、政策、遵守国家的法律、法规...
质监局计量工作总结近年来,在上级质监部门及区委区政府的正确领导下,*区质监局计量工作以“三服务”为工作方针,以深化落实“五个转变”...
第二章常用计量工具一、名词解释1.计量学计量学是有关测量知识领域的一门学科,它主要研究测量,保证测量统一和准确。它涉及测量的整个知识...
质监局计量科构建和谐机关整改方案...质监局计量科构建和谐机关整改方案通过学习郑局长在开展创建和谐机关动员会上的讲话,我们对创建活动...
碳计量方法专题培训培训总结“碳计量方法专题培训”培训总结2010年4月2日,本人作为北京经开投资开发股份有限公司成员参加了国家发改委培训...
城乡管委关于供热计量改革实施方案市城乡管委为加速推进我市供热计量改革工作,促进建筑节能和绿色转型,根据住房和城乡建设部等四部委《关...
质监局节能降耗能源计量工作的情况总结一、健全组织、责任到人为加强全县能源计量工作的领导和实施,促进企业节能降耗工作的开展,我局成立...
计量技术机构建标授权文件档案及标识管理第一部分档案管理一、人员档案(一人一档)存入信息:(复印件)履历表、身份证、学历证书、资格证...
计量站工作手册(试行)井楼采油管理区二〇一五年十月班组是企业组织体系的细胞。加强班组建设的主要内容是选好配强班长、完善班组的管理制...
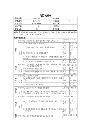
岗位说明书岗位名称计量仪表岗岗位编号所在部门生产技术科岗位定员1直接上级生产技术科长岗位工资直接下级无分析人所辖人员无分析日期本职...
计量标准技术报告计量标准名称水表检定装置建立计量计量标准单位计量标准负责人筹建起止日期说明1.申请建立计量标准应填写《计量标准技术报...
目录一.计量仪器管理的重要性二.法定计量单位三.测量方法与基础知识四.计量仪器设备的选择五.计量仪器设备的使用管理六.计量仪器设备...
孙树坤培训内容提纲◆通用计量术语、计量基本概念◆法定计量单位◆误差理论与数据处理(有效数字及数据修约规则)◆检定、校准的实施◆计量...
质监局计量惠民实施工作方案一、指导思想以党的十七届四中全会、省委十届六次全会和*市第九次党代会第四次会议精神为指导,以解决好群众最...
计量标准考核(复查)申请书[]量标证字第号计量标准名称混凝土回弹仪检定装置计量标准代码申请单位常州市计量测试技术研究所单位地址常州市...
计量标准技术报告计量标准名称计量标准负责人建标单位名称(公章)填写日期目录一、建立计量标准的目的……………………………………………...
目录一、主要秤架介绍1整机型皮带秤-------------------------------------------------------------31)概述----------------------------...

