对流扩散方程有限差分方法求解对流扩散方程的差分格式有很多种,在本节中将介绍以下3种有限差分格式:中心差分格式、Samarskii格式、Crank-...
泸州永丰浆纸有限责任公司有限空间安全风险辨识清单辨识部门:安全部辨识日期:2018年7月1日序号危险源安全风险可能造成伤害LECD风险等级控...
有限空间安全作业五条规定一、必须严格实行作业审批制度,严禁擅自进入有限空间作业。二、必须做到“先通风、再检测、后作业”,严禁通风、...
目录1编制依据..................................................12工程概况..................................................12.1项...
第一部分有限合伙基金所涉及的税收问题需要交纳的税务种类:1、营业税2、教育费附加、城建税3、印花税4、所得税一、合伙制基金涉及的所得税...
内蒙古大唐国际托克托发电有限责任公司有限空间作业安全管理规定第一章总则第一条为加强内蒙古大唐国际托克托发电有限责任公司(以下简称公...
菏泽花王锅炉设备有限公司有限空间作业专项方案目录一、工程概况.........................................................................
北京经济技术开发区12平方公里项目市政工程黄亦路(博兴西路-博兴十路)道路工程有限空间作业应急预案编制人:审批人:北京万兴建筑集团有...
典型有限空间警示语句列举有限空间种类有限空间名称主要危害因素与后果警示语句密闭设备船舱、贮罐、车载槽罐、反应塔(釜)、压力容器缺氧...
有限空间作业安全管理制度一、总则1、目的为加强有限空间作业安全管理,预防、控制中毒窒息等生产安全事故发生,切实保护从业人员的生命安...
金平昆钢球团矿业有限公司有限空间台账2016年6月有限空间作业安全确认表有限空间名称煤气发生炉有限空间地点金平昆钢球团矿业有限公司厂内1...
有限空间作业安全教育培训记录教育、培训课题有限空间作业定义及分类教育、培训组织部门安环科日期教育、培训地点公司会议室起止时间教育、...
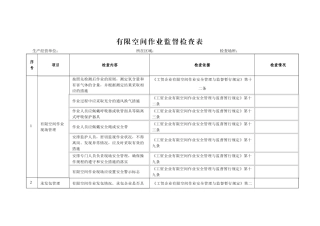
有限空间作业监督检查表生产经营单位:所在区域:检查场所:序号项目检查内容检查依据检查情况1有限空间作业现场管理按照先检测后作业的原...
有限空间培训考试试题姓名:分数:一、填空题(30分,每题5分)1.有限空间作业现场应确定作业负责人、监护人员和作业人员,不得在没有()...
有限空间作业安全管理制度1.目的为进一步加强对进入受限空间作业的安全管理,防止发生缺氧、中毒窒息等事故,特制订本制度。2.范围本制度...
有限空间作业考试试题姓名:一、填空题(每题2分)1、有限空间分为三类,分别为密闭设备、地下有限空间和(地上有限空间)2、凡要进入有限...
×××矿业有限公司有限空间作业安全管理制度(初版)批准:×××审核:×××编制:×××2017—09—25发布2017—10—01实施有限空间作业...
第9章动力问题有限元法张洪伟张洪伟2动力学问题第2节质量矩阵和阻尼矩阵第1节引言第3节直接积分法第4节振型叠加法第5节解的稳定性第6节大型...
公司有限空间作业现场事故应急预案1适用范围本预案适用于XXXXX有限公司在生产经营过程中发生的有限空间作业事故。2事故类型和危害程度分析2...
某汽车销售服务有限公司招聘方案课件CATALOGUE目录•招聘需求分析•招聘渠道选择•面试流程设计•面试题目设计•面试结果评估与录用通知•...

