施工组织设计(方案)报审表工程名称:漯河蓝爵世家一期地下车库编号:致:河南省育兴建设工程管理有限公司(监理单位)我方已根据施工合同...
隧道与地下工程认知实习报告姓名:李昱奇班级:土木1104班学号:11231081学院:土建学院李昱奇11231081土木1104目录前言.....................
附件2北京市地下管线基础信息统计报表制度北京市城市管理委员会2016年11月本报表制度根据《中华人民共和国统计法》的有关规定制订《中华人...
包钢第三职工医院综合门诊综合住院楼人防通风、防排烟系统安装工程施工组织设计工程名称:包钢第三职工医院综合门诊住院楼工程施工单位:内...
施工组织设计目录第一章工程概述......................................................11第二章施工准备及部署...........................
03河北农信大厦地下停车场照明节能改造地下停车场照明节能方案说明文导语:新停车场:使用5.8ghz的微波雷达感应ledt8灯管,最大节能率达90%...
住宅地下车库设计经验1.住宅地下室设计比较经济的车位,平均每辆35m2~40m2(车库加人防)。例:10万方地下室包含主楼及自行车夹层38m2/辆就...
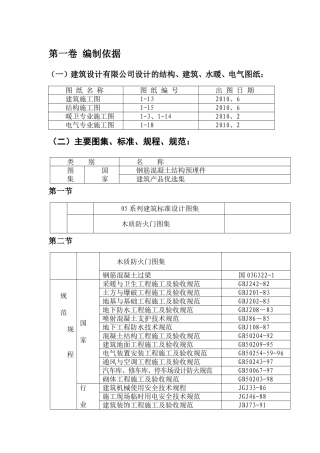
西北旺镇区二期工程Ⅱ-8~13住宅楼及Ⅱ区地下车库钢筋工程施工方案目录第一章编制依据.....................................................
关于城市地下管线的综合管理和规划的思考[最终版]XX市人民政府办公室关于印发XX市城市地下管线综合管理办法的通知株政办发〔20XX〕17号各县...
中华人民共和国国家标准主编部门:中华人民共和国公安部批准部门:中华人民共和国建设部施行日期:1998年5月1日关于发布国家标准《汽车库、...
某地下矿山安全标准化考评报告安全标准化工作总结我公司自20XX年1月份开展安全标准化创建工作以来,不断加大安全投入,完善现场管理及相关...
地下管线管理信息系统[合集五篇]地下管线管理信息系统一、概述地下各类管网、管线是一个城市重要的基础设施,它不仅具有规模大、范围广、管...
地下管线的安全现状及对策(会议)[小编推荐]关于加强XX市地下管线规划管理的对策和建议前言:地下管线是重要的城市基础设施,近年来,随着城...
本篇文章来自“海绵雨水”原创写作。文章内容关于全国新型雨水回收技术地下雨水收集池模块、水是地球人们不可缺少的宝贵物种,人类的身体结...
抗旱救灾地下找水工作汇报4月8日,由省国土资源厅薛佩瑄副厅长、省地质环境监测院杨艳华总工程师、XX省地矿局杨茂华局长及相关专家、工作人...
开展城市地下管网普查工作的思考1、双鸭山是一座以工业化为主的城市,地下管线是我市基础设施的重要组成部分。为了查清和掌握地下管线的现...
在查禁地下“六合彩”会议上的发言××市采取有力措施,打击地下“六合彩”赌博活动,有效地刹住其蔓延的势头。组织专门力量,重拳打击。邵...
有关长沙地下通道的调查问卷您好:我们是中南林业科技大学的学生,我们正在对长沙地下通道主要利弊的研究及改进等问题进行调查研究,希望您...
公寓楼地下车库出入口玻璃雨棚结构计算书2014年9月----设计信息-----钢梁钢材:Q235梁跨度(m):8.500梁平面外计算长度(m):3.000钢梁截面:...
地下车库施工协议范本甲方:XX企业(如下简称甲方)乙方:施工单位(如下简称乙方)建设集团有限责任企业拟将地下车库-回迁楼大清包给乙方施工...

