粉体混合机的分类选型大野机械技术部混合是现代工业不可缺少的生产工艺,随着中国工业的不断发展,混合系统及混合设备的发展将越来越强大。...
施耐德接触器按钮选型课件•施耐德接触器按钮概述目录CONTENTS•施耐德接触器型号选择•施耐德按钮型号选择•施耐德接触器按钮使用注意事项...
网络设备及服务器选型课件目录•网络设备基础知识•服务器基础知识•网络设备选型•网络设备与服务器选型案例分析•总结与展望网络设备基础...
火花塞热值及甲醇发动机火花塞的选型热值是指火花塞的散热能力,一般压缩比越高的发动机发热量大,需要偏冷的火花塞,就是散热能力好的,而...
旋转电机选型知识一、电机的基本运行条件GB755-2000《旋转电机定额和性能》中规定的电动机的基本运行条件包括:对海拔高度、环境温度、冷却...
燃气锅炉种类划分锅炉是一种能量转换设备,向锅炉输入的能量有燃料中的化学能、电能,锅炉输出具有一定热能的蒸汽、高温水或有机热载体。锅...
液压缸型号及说明系列工程液压缸♦用潼与特征搐U狈加吨刼思列亚忤用单评怎冀孔濒压幻,是诫圧孫境中作1£夏亶墟运动的枕存GI起*現亩罚恂衝...
安全阀的选型方法安全阀是一种用于受压设备、容器或管路上的白动压力释放装置。当被保护系统内的压力升高超过允许值时,阀门白动开启,排出...
双向可控硅为什么称为“TRIAC”?三端:TRIode(取前三个字母)交流半导体开关:AC-semiconductorswitch(取前两个字母)以上两组名词组合...
精品文档足够的冷空气与散热片进行热交换,也会造成散热效果不好。一般铝质鳍片的散热片要求风扇的风压足够大,而铜质鳍片的散热片则要求风...
1、简述简支梁和多跨连接梁的受力和变形特点简支梁的缺点是内力和挠度较大,常用于中小跨度的建筑物。简支梁是静定结构,当两端支座有不均...
变压器技术参数表序号名称卖方提供值一变压器基本技术参数型式及型号额定容量额定电压高压低压额定电流高压低压额定电压比土X短路阻抗联结...
1/8热量表设计选型及安装使用相关问题探讨供热分户计量收费的改革工作已经启动。随着推广工作的大面积展开,热表的选型、安装问题将逐步暴露...
■rh'(同步带传动是利用带齿与带轮齿啮合来传递动力的一种新型传动方式,具有准确的同步传动功能,不需要润滑、无滑差、无污染、噪音少;传...
项目名称:****夜景亮化工程灯具选型2014-12-31编号:L3LED十字壁灯编号.L4LED洗墙灯灯具外形尺寸图:编号:L5LED轮廓灯编号L610W线条灯编叫...
C:\ISO\GFP\GFP6-4材料(设备)选型清单确定程序1.目的:确保所选建筑材料(设备)充分体现开发单位意图及设计师构想,并在材料(设备)的...
目录第一篇综采工作面主要设备地选型…………第一章序言第一节概论……………………………………………第二节选型设计原始资料………………...
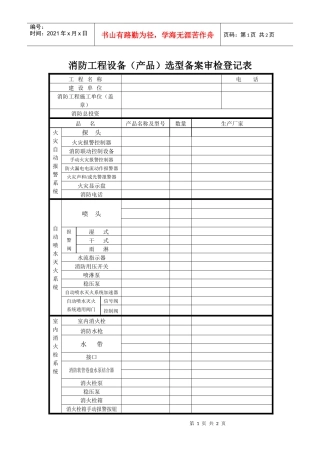
第1页共2页编号:时间:2021年x月x日书山有路勤为径,学海无涯苦作舟页码:第1页共2页消防工程设备(产品)选型备案审检登记表工程名称电话...
焦化厂工艺、设备选型经验总结张长胜如何建设一个工艺先进、设备优良、投资不多的焦化厂是所有企业领导考虑的第一要务。长胜从事焦炉建设、...
断路器的选型1、一般选用原则(1)根据用途选择断路器的型式及极数;根据最大工作电流选择断路器的额定电流;根据需要选择脱扣器的类型、附件...

