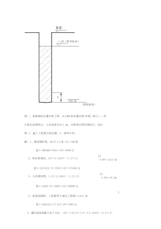
0.0-1.00(桩顶标高)D-25.00(桩底标高)例二:某桥涵钻孔灌注桩工程,φ1200 钻孔灌注桩 50 根(陆上),设计桩长如图所示,入岩深度...
安 全 技 术 交 底施工单位:江苏南通二建集团有限公司 编号:nt2j-002工程名称启东市安置房城东村高层社区分项名称钻孔灌注桩施工班...
钻孔灌注桩施工技术方法1、孔位施工放样及护筒埋设均采用全站仪实施,确保埋设后护筒偏差<5cm,力求在 3cm 以内。2、在造孔施工中每台班...
钻孔灌注桩施工方案一、 工程概况桩基工程桩采用钻孔灌注桩,采用 Φ600mm 钻孔灌注桩 243 根,有效长度约为 30M。设计持力层为③ 1...
钻孔灌注桩施工设备表序号设备名称型 号单位数量备 注1钻机GPS-10 型台32灌注平台MGS台33泥浆泵3PNL台34泥浆泵86NL台35排浆泵100NL台26...
工 程 试 打 桩 记 录工程名称建设单位施工单位监理单位勘察单位设计单位施工执行原则《公路桥涵施工技术规范》JTJ041 —名称及编号...
浅谈钻孔灌注桩卵石层漏浆解决方法XXX摘要:泥浆护壁成孔灌注桩施工噪音小、适应能力强、机械化程度高便于操作、工艺成熟、施工过程安全可...
1.1 桩根底的普通规定 桩位的放样同意偏差以下: 群桩 20mm; 单排桩 10mm。 桩基工程的桩位验收,除设计有规定外,应按下述规定进...
钻孔灌注桩施工统计工程名称:台州市路桥区金清渔港二期工程 部位: 编号:桩号:桩类:地坪标高: m钻 孔时 间开始:设计孔深:设计...
10.2.1 钻孔灌注桩施工监理要点(工程桩)1)施工准备阶段: ① 审查钻孔灌注桩施工单位资质。 ② 审核钻孔灌注桩工程施工方案。 ③ 钢...
旋挖钻孔灌注桩施工统计表工程名称:设计桩径:Ф1100施工部位:建设单位:施工单位:混凝土强度:C40配筋状况:设计桩长:机号:第 页序号...
王家湾基地办公楼项目基础与围护施工进度计划表月日项目七月八月九月 十月161822253114811151821242731147101316192225301581216YZY-300T...
不合格 不合格钢护筒施工钻机就位成孔检测钻进成孔清孔超声波检测灌注水下砼沉渣厚度测试安放钢筋笼下导管沉渣厚度检测导管水密性实验钢筋...
钻孔灌注桩清孔统计表桩号钻机编号终孔深度孔径地面标高护筒标高设计技术指标沉渣允许厚度 : mm设计孔深: m泥 浆 比 重 : g/cm3...
D0.00-1.00 (桩顶标高)(桩底标高)-25.00例二:某桥涵钻孔灌注桩工程,φ1200 钻孔灌注桩 50 根(陆上),设计桩长如图所示,入岩深...
下载后可任意编辑利民桥水利枢纽工程泵站基础和东西侧围护桩施工方案浙江省第一水电建设有限公司无锡城市防洪利民桥水利枢纽工程项目经理部...
下载后可任意编辑编制依据和说明一、本设计编制依据安徽省某设计讨论院、加拿大某设计公司设计的施工图纸和合肥市某勘察院提交的《岩土工程...
下载后可任意编辑旋挖钻孔灌注桩施工分包合同发包方:甘肃第二建设集团有限责任公司白银区妇幼保健站综合楼工程项目部承包方:根据《中华人...
干成孔旋挖灌注桩施工工艺 1 . 干 成 孔 旋 挖 灌 注 桩 成 孔 根 据 地 勘 报 告 施 工 现 场 无 揭 露 地 下...
干作业旋挖钻孔灌注桩施工技术 一.工程概况 本工程盘州市医学中心建设项目总建筑面积177361 ㎡。1-2#楼设计为旋挖钻孔灌注桩458 根,1...

