全面解析公司法定代表人的法律风险及规避方法2025-03—21 作者‖刘相文 夏东霞 李欣宇来源‖百度文库导读:从某种意义上讲,担任了公司...
全国法定传染病报告管理常规督导工作方案(试行)根据《中华人民共和国传染病防治法》、《传染病信息报告管理法律规范》和《传染病及突发公...
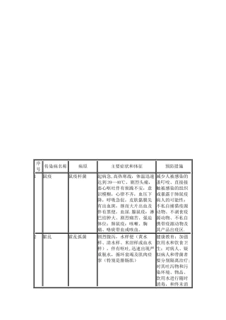
37种法定传染病和常见非法定传染病基本信息表序号 传染病名称病原主要症状和体征预防措施1鼠疫鼠疫杆菌起病急,高热寒战,体温迅速达到 39...
法定程序建设文件1、――――――――――――――――――――――――――――――立项申请批复报告2、――――――――――――――――...
编号:劳 动 合 同甲方: 乙方: 甲方(用人单位) 名 称: 住 所: 法定代表人(主要负责人): 联系电话: 乙 方(劳动者) 姓 ...
浅析建设工程施工合同的法定解除建设施工合同的法定解除是指建设工程施工合同成立后,没有履行或没有履行完毕前,当事人一方通过行使法定解...
法定代理人及合适成年人讯问在场制度解析法定代理人及合适成年人讯问在场制度解析 摘 要 新的刑事诉讼法规定了讯问未成年犯罪嫌疑人的法...
法定假期学生安全保证书 法定假期学生安全保证书 尊敬的家长: 根据国家规定,本学期法定假期××节××月××日—××日放假 3 天。...
企业法定工资制度企业法定工资制度第一章,总则根据公司经营理念和管理模式,遵照国家有关劳动人事管理政策和公司其他有关规章制度,特制定...
一、用人单位在以下情况和劳动者解除劳动合同关系不需要支付经济补偿:(一)在试用期间被证明不符合录用条件的;(二)严重违反用人单位的...
普 宁 市 下 架 山 镇 卫 生 院法定传染病登记簿起止日期:20 1 8 年1月 1 日至 20 1 8 年 1 2月 31 日法定传染...
法定代表辞职报告法定代表人是指代表法人行使民事权利,履行民事义务的主要负责人。本文将介绍法定代表辞职报告。 法定代表辞职报告(1) ...
法定代表人的职责1、仔细学习贯彻国家有关职业病防治的法律、法规、政策和标准,落实各级职业病防治责任制,确保劳动者的身心健康。对本公...
李克强督办落实义务教育老师法定工资待遇讲话 老师是一个辛苦的职业,拿着低薪做着宏大的工作,所以我们更要落实老师法定工资待遇。这里我...
我国法定计量单位的构成如下图所示。 中华人民共和国法定计量单位国际单位制(SI)的单位SI 单位SI 基本单位共 7 个SI 导出单位包括...
常用法定计量单位及换算关系量的名称法定计量单位非法定计量单位换算关系名 称 符 号名 称符 号 旋转速度转每分r/min 1r/min=(1/60)...
合同法定解除条件比较讨论国家法、宪法论论文(1)合同的法定解除是指在合同有效成立后,没有履行或没有完全履行以前,当法定的条件具备时,...
保险合同法定解除法律效果讨论一、保险合同法定解除法律效果的概述 对于保险合同来说,保险合同法定解除的法律效果,就是合同解除后对解除...
传统节日成为法定假日的文化意义与未来进展话题:教育学习 传统文化 文化遗产 中华文化 传统节日 文化春节作为法定节假,中华人民共和...
新劳动法法定假日、病假和事假规定一、法定节假日根据国务院《全国年节与纪念日放假方法(27 年修订)》规定,我国全体公民放假的节日共 ...

