一、单项选择题(每小题1 分)在每小题列出的四个备选项中只有一个....是符合题目要求的, 请将其代码填写在题后的括号内。错选、多...
机械创新大赛作品1 助立椅参赛学校:华南理工大学参 赛 者:毕经元、龙志健、万明远,指导教师:张铁、李杞仪作品内容简介本作品是一张...
机械制造装备设计课 程 设 计姓名:姜 家 恒班级: 机自 082 班学号: 200800101060 指导老师:赵克 政广西工学院机 械 工 ...
机械制造业划分标准代码: C GB/T4754-200235通用设备制造业351锅炉及原动机制造3511锅炉及辅助设备制造指各种蒸汽锅炉、汽化锅炉,以及...
机械制造与自动化专业毕 业 论 文论文题目机械制造自动化技术指导老师学生姓名杨朝辉准考证号2011年 2 月 22 日目录一、如何发展机...
机械制造自动化技术课程设计1 在机械制造装备中广泛采用驱动装置以带动执行机构进行动作,这个驱动装置可以是机械的(如变速箱、机械滑台...
1. 一个零部件 (或产品) 的制造从原材料到______________的全过程都不需要人工干预时就形成了制造过程的自动化。2. 制造过程的基本动...
第一章金属切削过程基础知识1. 生产企业通常可以划分为三种大的类别:第一产业、第二产业和第三产业。机械加工行业属于制造业,而机械制造...
- 3 - 目 录1 课程设计任务书·· · · · · · · · · · · · · · · · · · · · · · · · ...
《机械制造技术》习题第十四章机械加工工艺规程的制订1-1 什么是生产过程、工艺过程和工艺规程?1-2 什么是工序、工位、工步和走刀?试举...
《机械制造基础》课程模拟试卷(一)题号一二三四五六七八得分应得分数100 实得分数评 卷 人得分评分人一 、 填 空 ( 1' ×25)1...
1 第 1 次作业( 12 交运)1、 常用机械工程材料按化学组成分为几个大类?各自的主要特征是什么?提示:按强度、塑性等力学性能,化...
。精品文档第 1 页 共 19 页1欢迎下载一、原材料入库检验规程1. 钢板检验规程1.1 检验程序1.1.1 检验合格入库1.1.1.1 钢板进公司...
机械制造有限公司项目建设促进转型升级情况汇报2 规模企业项目建设促进转型升级情况汇报一、企业基本情况ⅩⅩⅩⅩ机械制造有限公司是集科...
机械制造技术论文机械制造技术基础论文:我国机械制造技术的发展方向摘 要 :机械制造技术不仅是衡量一个国家科技发展水平的重要标志,也...
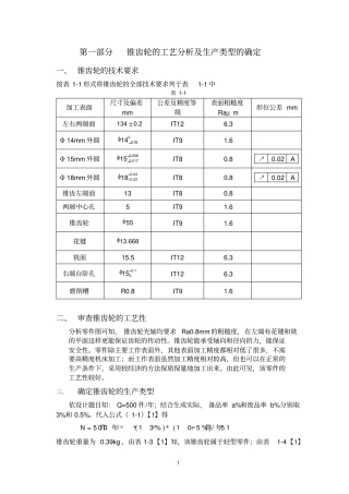
1 第一部分锥齿轮的工艺分析及生产类型的确定一、 锥齿轮的技术要求按表 1-1 形式将锥齿轮的全部技术要求列于表1-1 中表 1-1 加工表...
《机械制造技术》课程教学大纲课程名称: 机械制造技术(Mechanical manufacturing technology )课程编码: 101140课程性质: 专业...
机械制造技术基础复习题一、填空题1. 机械制造中的三种成形方法为( 去除成形法 ) ,受迫成形,堆积成形。2.零件表面发生线的4 种形成...
. Word 资料湖 南 科 技 大 学《机械设计制造技术基础》课 程 设 计课题名称:长传动轴机械加工工艺规程设计班级:机械设计制造...
机械制造技术基础课程设计指导机械工程学院机械制造研究室目录第一章概述⋯⋯⋯⋯⋯⋯⋯⋯⋯⋯⋯⋯⋯⋯⋯⋯⋯⋯⋯01第二章机械加工工艺规程...

