电脑桌面
添加小米粒文库到电脑桌面
安装后可以在桌面快捷访问

机械制造模拟测验试题及标准答案VIP免费

机械制造模拟测验试题及标准答案_第1页
1/15
机械制造模拟测验试题及标准答案_第2页
2/15
机械制造模拟测验试题及标准答案_第3页
3/15
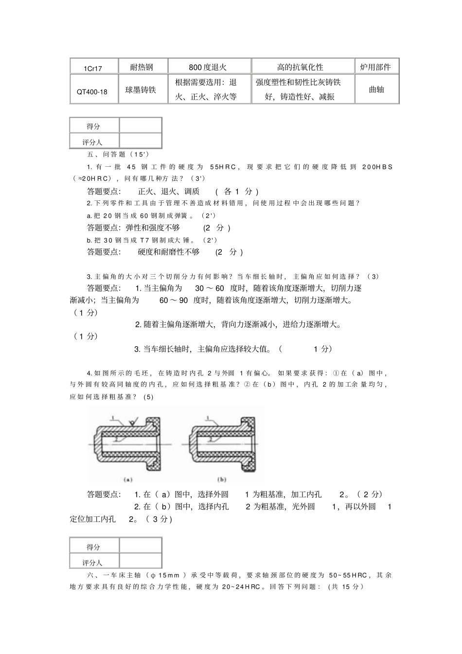
《机械制造基础》课程模拟试卷(一)题号一二三四五六七八得分应得分数100 实得分数评 卷 人得分评分人一 、 填 空 ( 1' ×25)1. 碳 溶 入 α -F e 中 形 成 的 间隙 固 溶 体 称 为铁素体。2. 当 钢 中 含 碳 量 大 于0.9% 时 , 二 次 渗 碳 体 沿 晶 界 析 出 严 重 , 使 钢 的 脆 性增加。3. 在 生 产 中 使 用 最 多 的 刀 具 材 料 是低合金刃具钢和高速钢, 而 用 于 一些 手 工 或 切 削 速 度 较 低 的 刀 具 材 料 是 碳素工具钢。4. 马 氏 体 的 塑 性 和 韧 性 与 其 含 碳 量 有 关 , 板条状 马氏 体 有 良 好 的 塑 性 和 韧 性 。5. 生 产 中 把 淬 火 加高 温 回 火的 热 处 理 工 艺 称 为 调 质 , 调 质 后 的 组 织 为回 火 索 氏体 。6. 普 通 车 床 进 给 运 动 传 动 链 是 从 主轴到 刀架。7. 合 金 工 具 钢 与 碳 素 工 具 钢 相 比 , 具 有 淬 透 性 好 , 淬火变 形 小 , 热硬性高 等优 点 。8. 合 金 渗 碳 钢 的 含 碳 量 属 低 碳 范 围 , 可 保 证 钢 的 心 部 具 有 良 好 的 韧性。9. 低 速 车 削 精 度 要 求 较 高 的 工 件 时 , 应 选 用 死顶 尖 ; 高 速 车 削 精 度 要 求 不 高 的 工 件时 , 应 选 用 活 顶 尖 。10. 根 据 基 准 功 能 的 不 同 , 基 准 可 分 为 工艺基准和 设计基准两 大 类 。11. 加 工 轴 类 零 件 时 , 通 常 用 两 端 中 心 孔 作 为 定 位 基 准 , 这 符 合 了基 准 重 合原 则 和基准统一原 则 。得分评分人二 、 判 断 题 ( 1. 5' ×10 ) (在 题 号 前 作 记 号 “√”或 “×”)( √) 1. 刀 具 寿 命 是 指 刀 具 从 开 始 切 削 到 完 全 报 废 实 际 切 削 时 间 的 总 和 。( √) 2. 砂 轮 硬 度 选 择 原 则 是 : 磨 硬 材 料 应 选 软 砂 轮 , 磨 软 材 料 应 选 硬 砂 轮 。( √) 3. 珠 光 体 、 索 氏 体 、 托 氏 体 都 是 由 铁 素 体 和 渗 碳 体 组 成 的 机 械 混 合 物 。(...

1、当您付费下载文档后,您只拥有了使用权限,并不意味着购买了版权,文档只能用于自身使用,不得用于其他商业用途(如 [转卖]进行直接盈利或[编辑后售卖]进行间接盈利)。
2、本站所有内容均由合作方或网友上传,本站不对文档的完整性、权威性及其观点立场正确性做任何保证或承诺!文档内容仅供研究参考,付费前请自行鉴别。
3、如文档内容存在违规,或者侵犯商业秘密、侵犯著作权等,请点击“违规举报”。

碎片内容

机械制造模拟测验试题及标准答案

您可能关注的文档

确认删除?
VIP
微信客服
  • 扫码咨询
会员Q群
  • 会员专属群点击这里加入QQ群
客服邮箱
回到顶部