第1页共18页编号:时间:2021年x月x日书山有路勤为径,学海无涯苦作舟页码:第1页共18页更多企业学院:《中小企业管理全能版》183套讲座+...
一、背景情况近年来,我国电力建设发展速度很快。两网改造在有些地区已初步完成,用户不仅要求有电用,而且要求用高质量的电,享受到更好的...
第1页共2页DbLSp编号:时间:2021年x月x日书山有路勤为径,学海无涯苦作舟页码:第1页共2页第三届全国职工职业技能大赛焊工比赛CO2气体保护...
基于窄带光纤光栅的微波载波单边带调制*沈一春,章献民,陈抗生(浙江大学信息与电子工程学系,浙江杭州,310027)摘要:在传统RoF系统中,...
文档编号:201201091622报告期间:2010年东软载波2010年财务分析报告(该分析报告由股市财务报表分析助手协助完成)摘要公司2010年营业收入...
附件2中国南方电网载波通信验收规范2010-06-15发布2010-07-01实施中国南方电网电力调度通信中心发布目次前言................................
电力线载波通信产品工业产品生产许可证受理工作标准1范围本标准规定了电力线载波通信产品核发工业产品生产许可证事项办理的依据、许可条件...
低压电力线载波集中抄表系统第二部分:数据通信协议第一篇:通信系统参考模型AutomaticMeterReadingSystemUsingLow-VoltageDistributionLin...
分类号密级华北电力大学(北京)硕士学位论文题目中压电缆载波通信在配网中的应用与研究英文题目ApplicationandResearchofMiddleVoltageCab...
计时器系统软件设计硬件设计调试调试接仿真机调试总程序调试制作PCB板调试结果LED信号电力载波通信系统摘要:本文提出了一种基于GPRS无线通...
第1页共8页编号:时间:2021年x月x日书山有路勤为径,学海无涯苦作舟页码:第1页共8页电力载波通信系统业绩用户名称数量台山西孝义电力局8...
电力载波通信系统业绩用户名称数量台河北康保电力局6河北省首钢4用户名称数量台山西孝义电力局8山西五台电力局6山西定襄电力局6山西晋乐电...
2010年“盛群杯”重庆大学生单片机应用设计竞赛作品创意书基于单片机HT46RU232下利用电力载波传输信号的消防系统重庆师范大学物理与电子工...
中华人民共和国国家标准单边带电力线载波机技术条件UDC621.395.6GB7255—87Specificationforsinglesidebandpower-linecarrierterminals国家...
DDZY719-A单相远程费控智能电能表(载波)使用说明书(XY3-BZ-V01.03)粤制00000346号深圳市科陆电子科技股份有限公司深圳市科陆电子科技股份...
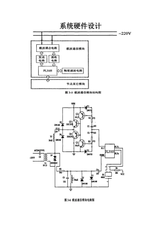
系统硬件设计1、载波耦合电路载波耦合电路的功能有两个:将经发送电路功率放大后的信号耦合到电力线上;从电力线上获取有效的载波信号。其...
DDZYI719单相本地费控智能电能表(载波)使用说明书(XY3-BZ-V01.03)粤制00000346号深圳市科陆电子科技股份有限公司深圳市科陆电子科技股份...
基于电力载波和物联网技术的建筑节能测评系统的研究潘宗岭安徽省产品质量监督检验研究院中文摘要:按照标准《JGJT132-2009_居住建筑节能检...
毕业论文基于电力载波技术的智能化路灯控制系统设计姓名学院电气工程与自动化学院专业自动化指导教师职称教授2013年5月1日天津工业大学毕业...
单边带电力线载波系统设计导则Planningofsingle-sidebandpowerlinecarriersystems本标准参照采用国际电工委员会663号出版物《单边带电力线...

