电脑桌面
添加小米粒文库到电脑桌面
安装后可以在桌面快捷访问

基于电力载波的智能校园节能系统(硬件设计部分)VIP免费

基于电力载波的智能校园节能系统(硬件设计部分)_第1页
1/9
基于电力载波的智能校园节能系统(硬件设计部分)_第2页
2/9
基于电力载波的智能校园节能系统(硬件设计部分)_第3页
3/9
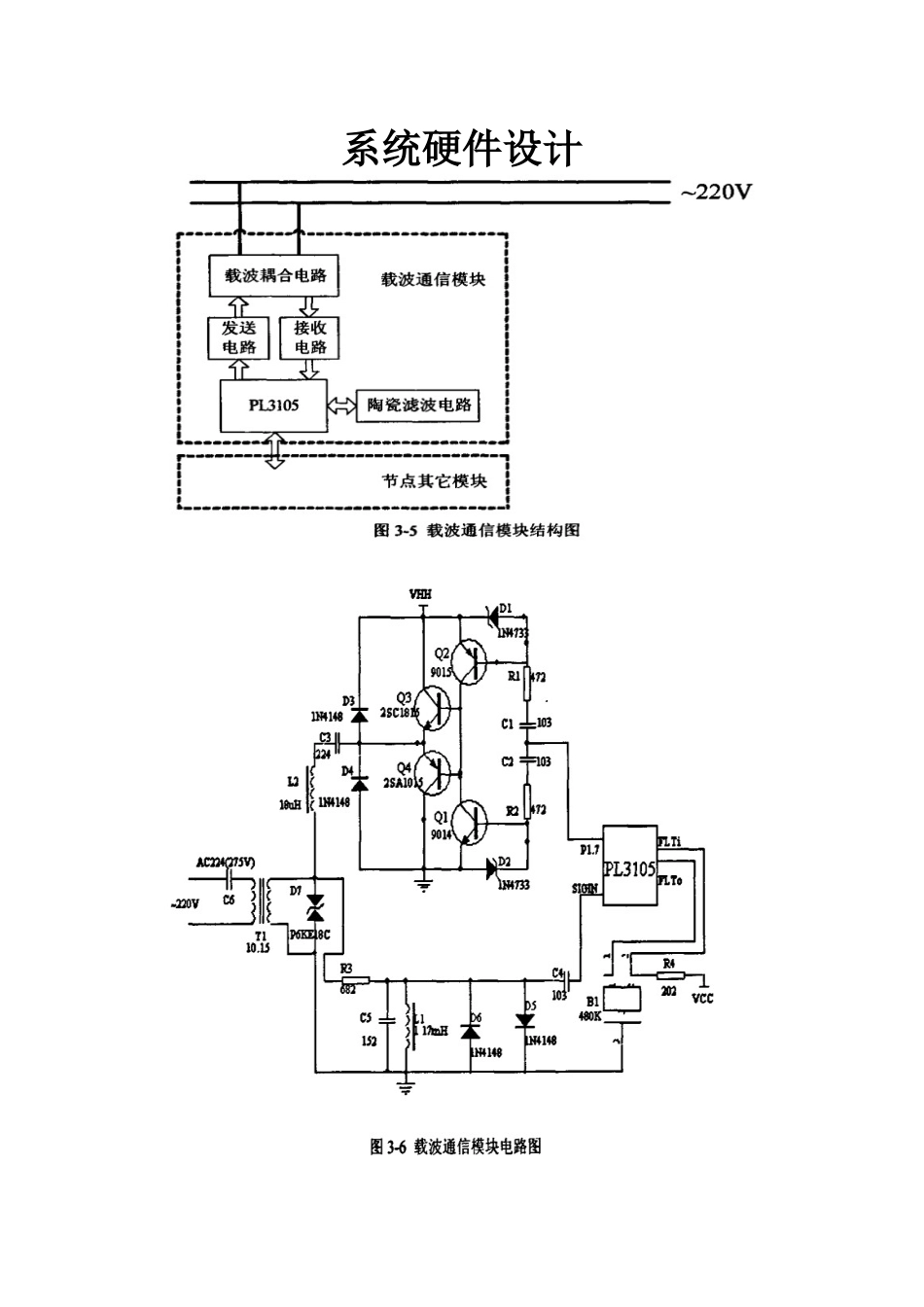
系统硬件设计1、载波耦合电路载波耦合电路的功能有两个:将经发送电路功率放大后的信号耦合到电力线上;从电力线上获取有效的载波信号。其中D7为双向瞬变二极管、C6为安防电容,均起保护作用,防止突然增大的电流对后级电路造成影响。T1为耦合线圈,经过多次实验,确定匝数为10:15时接收效果最为理想。2、发送电路发送电路的功能是将PL3105芯片产生的载波信号进行功率放大后传输到载波耦合电路。载波功能被使“能”后,载波信号由PL3105芯片的P1.7引脚输出,波形为0V-5V间变化的方波。经过推挽电路后,P1.7上的方波信号被放大.D3、D4起嵌位作用:吸收低压电力线上的尖峰干扰。载波发射功率的大小与VHH电源幅值大小、电源电流提供能力相关,在一定范围内增大电源幅值和电源功率,可以有效加大发射功率。由于放大后的信号波形富含谐波,为减少对电网的污染,用电感L2和电容C3完成整形滤波后,再送到载波耦合电路进行发送。3、接收电路接收电路的功能是对来自载波耦合电路的信号进行带通滤波处理。电感L1和电容c5组成并联谐振回路,谐振中心频率按120kHz设计,选定电容C5=1.5nF后,根据并联谐振公式,计算得到L1=1.17mH。二极管D5、D6将接收到的信号嵌位在±0.7V。接收信号经过电容C4后引入PL3105芯片内部进行混频处理SIGIN处的信号将被上拉后平移到2.5V±0.7V,以便于后续处理。1.4PL3105载波通信的扩频解扩工作完全由PL3105内部的硬件电路来实现。发送时,PL3105用伪随机码序列将信号扩展到较宽的频带上进行发送;接收时,PL3105在捕获载波信号后用同步的伪随机码序列对信息进行恢复。其中,关键过程是载波信号的捕获和同步,其余步骤均按前文所述的标准过程进行。捕获是接收端在精确同步前搜索接收信号,使要被接收的信号的伪随机码序列与本地的伪随机码序列的相位保持在一个扩频序列码元之内的过程。PL3105采用每次滑动步长为半位的串行积分搜索方式,理论上最大捕获时问为29个数据位(15位PN码时).捕获完成后PL3105进入跟踪阶段,动态地调整本地伪随机码产生器的时钟速率,使本地伪随机码能够自动地和接收到信号的伪随机码保持精确同步。跟踪采用全数字基带延迟锁定环(delaylockedloop)电路。为保证捕获和同步均能完成,发送端在每次传输有效数据前至少发送40位全“l”信号用作捕获和同步训练(15位PN码).1.5滤波电路滤波电路的功能是进行中频滤波。经过并联谐振后接收到的120kHz信号由S1GIN引脚引入芯片,与芯片内部的600kHz本振信号进行混频后,得到480kHz的差频信号。混频后的信号由FLTi引脚输入到陶瓷滤波器的输入脚,陶瓷滤波器滤波后再送回芯片的FLTo引脚进行内部限幅放大,然后由芯片内的硬件解扩电路进行有效数据的还原,完成解扩后的数据位锁存到P3.7引脚。陶瓷滤波器的设计参数为:中心频率f=480kHz。带宽15kHz。1.6I/O模块:I/O模块是进行人机交互的平台,管理员通过I/O模块可以完成对系统自动控制规则的设置和进行即时的控制操作,电路如图3-9所示.键盘采用4X4矩阵形式,16个键划分为0-'9数字键和四个功能键:确定键、返回键,左移键,右移键,另两个键为以后扩展留用。它的行线经74LS21后输入到AT89C51RC的INTO引脚。通过软件设计做到仅当有键按下时系统才处理键盘输入,避免了CPU对键盘输入的不断扫描。液晶显示模块选用128642C-LY,该模块的控制,驱动器为中文图形控制芯片ST7920,可显示4×8个汉字。显示采用菜单选择形式。操作时,对于将要选择的项,给予“醒耳”显示。然而128642C-LY只能整行反白显示,所以系统通过反复调用一个舍有该选择项的界面和一个不含该选择项的界面来实现该选择项的闪烁显示.1.7时钟电路:实时钟芯片X1228可以提供精确的时间信息,并能利用其内嵌的电源监控和看门狗电路实现对AT89CSIRC的可靠复位。振荡器用一个外部的32.768kHz晶体,在系统掉电情况下,可以通过后备电池BTl供电。X1228的|2C串行总线SDA、SCL分别通过一个上拉电阻与AT89C51RC连接。AT89C51RC使用P1.1,P1.0模拟串行时序与X1228通信。RESET引脚是一个低电平有效漏极开路输出端,也需要一个上拉电阻,它通过74LS04反向器接AT99C51RC的复位引脚RESET,如果看门...

1、当您付费下载文档后,您只拥有了使用权限,并不意味着购买了版权,文档只能用于自身使用,不得用于其他商业用途(如 [转卖]进行直接盈利或[编辑后售卖]进行间接盈利)。
2、本站所有内容均由合作方或网友上传,本站不对文档的完整性、权威性及其观点立场正确性做任何保证或承诺!文档内容仅供研究参考,付费前请自行鉴别。
3、如文档内容存在违规,或者侵犯商业秘密、侵犯著作权等,请点击“违规举报”。

碎片内容

基于电力载波的智能校园节能系统(硬件设计部分)

您可能关注的文档

墨香书阁+ 关注
实名认证
内容提供者

热爱教学事业,对互联网知识分享很感兴趣

确认删除?
VIP
微信客服
  • 扫码咨询
会员Q群
  • 会员专属群点击这里加入QQ群
客服邮箱
回到顶部