一、工程概况1.工程项目名称:库尔勒供电段仪表化验、网工区办公楼。2.工程建设地点:库尔勒供电段。3.工程项目建筑规模、结构类型:库尔勒...
第四章交通信号控制系统方案4.1概述4.1.1交通信号控制系统在城市道路网络中的作用城市道路是否畅通在很大程度上受到这条道路上每一个交叉路...
目录1概述...........................................................................................11.1工程概况.....................
信号工(通信)在岗培训复习题一、填空题(将正确答案填写在横线空白处)1.导电性能介于导体和_______________之间的物体称为半导体。2.0.6M...
信工程施工工艺流程图室外单元电路试验室内单元电路试验、模拟试验电缆敷设立杆子、稳信根底打轨道眼安装转辙装置室外电缆引入、固定放线室...
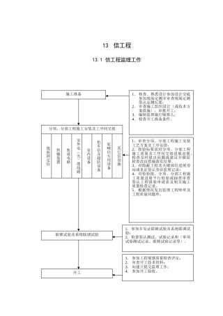
13信工程13.1信工程监理工作施工准备1.核查、熟悉设计参加设计交底参加现场定测并审查现场定测签认定测纪要;2.审查施工组织设计〔或技术...
课程设计任务书学生姓名:专业班级:指导教师:工作单位:题目:连续时间信号的傅利叶变换及MATLAB实现初始条件:MATLAB软件,微机要求完成...
铁路信号器材什么是行业研究报告行业研究是通过深入研究某一行业发展动态、规模结构、竞争格局以及综合经济信息等,为企业自身发展或行业投...
第1页共4页编号:时间:2021年x月x日书山有路勤为径,学海无涯苦作舟页码:第1页共4页信号与系统综合设计实验项目实验指导项目一用MATLAB验...
第1页共41页编号:时间:2021年x月x日书山有路勤为径,学海无涯苦作舟页码:第1页共41页信号电源生产项目可行性研究报告——“十三五”规划...
课程设计任务书学生姓名:专业班级:指导教师:工作单位:题目:连续时间信号的傅利叶变换及MATLAB实现初始条件:MATLAB软件,微机要求完成...
郑州大学毕业设计(项目报告)题目:光纤网络光信号实时监测系统指导教师:李翠霞职称:副教授学生姓名:李文豪学号:20107760224专业:计...
第1页共25页编号:时间:2021年x月x日书山有路勤为径,学海无涯苦作舟页码:第1页共25页铁路信号施工与设计实训报告指导老师:龙伟民组长:...
轨道交通信号系统术语及缩写TermorAcronym/术语或缩写Description/说明A/DAnaloguetoDigital数/模转换ABServicebrakerateasafunctionofacom...
通信信号监理实施细则目录第一章专业工程特点...............................................11专业工程特点范围及重点....................
1、改善短波信号质量的三大要素由于短波传输存在固有弱点,短波信号的质量不如超短波。不过我们可以通过一些途径改善短波信号质量,使其尽...
长悬臂交通信号灯杆项目可行性研究报告(立项+批地+贷款)目录目录.......................................................................
课程名称通信原理课程设计时间2012~2013学年第一学期16~17周学生姓名XX指导老师XXX题目语音信号基带传输通信系统仿真——基于PCM编码和线...
交通信号一交通标志交通标志的定义:交通标志是交通法规的重要组成部分,车辆行人必须遵守交通标志的规定.交通标志的分类:主标志和辅助标志主...
实验一数字信号发生实验一、实验目的1.了解多种时钟信号的产生方法;2.了解PCM编码中的收、发帧同步信号的产生过程;3.掌握3级、4级、5...

