暖通空调设计规范参考依据:目前,家用中央空调有如下四种基本方式:1、分体多联机空调系统2、水源热泵空调系统3、风冷热泵冷热水机组加风...
下载后可任意编辑探析暖通空调安装施工项目管理 摘要: 随着人们生活质量的提高,对住房要求较高,公共场所的设施要满足舒适度,作为必要...
某大酒店暖通空调设计方案工程概况:原深圳湾大酒店现已更名为XX大酒店,位于深圳市华侨城深南大道旅游文化区域的中心位置,基地现状为不规...
2015 年上半年天津暖通空调:毛细管网地板采暖考试试题 本卷共分为2大题50小题,作答时间为180分钟,总分100分,60分及格。 一、单项选...
2015 年上半年天津暖通空调:毛细管网地板采暖考试试题 本卷共分为2大题50小题,作答时间为180分钟,总分100分,60分及格。 一、单项选...
2015 年上半年天津暖通空调:毛细管网地板采暖考试试题 本卷共分为2大题50小题,作答时间为180分钟,总分100分,60分及格。 一、单项选...
下载后可任意编辑 浅谈暖通空调安装施工中存在的问题与方法摘要:暖通空调是通过控制空气中的各种不同成分的因素来达到提高室内舒适度的效...
下载后可任意编辑暖通空调安装施工中存在的问题及解决方法讨论摘要:随着社会进展和人民生活水平不断提高,技术的进展,人们生活水平的提高,...
下载后可任意编辑 暖通空调安装施工中常见的问题与方法1、管线、设备的定位和标高交叉问题 目前暖通空调工程设计图纸基本上采纳 CAD 绘...
下载后可任意编辑暖通空调运行维护与设计施工验收标准法律规范有用手册 市场价:798 元 优惠价:350 元作 者:刘继东册数规格::全三卷...
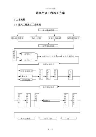
下载后可任意编辑通风空调工程施工方案1 工艺流程 1.1 通风工程施工工艺流程第 1 页施工准备阶段技术资料准备劳动力安排施工机具准备...
下载后可任意编辑暖通空调工程施工质量常见问题及对策分析暖通空调系统在现代智能化建筑中起着重要作用,是智能化建筑的核心组成部分。现代...
下载后可任意编辑暖通空调工程施工质量常见问题和对策探究摘要:近年来,随着社会经济的进展,人们对办公和住宅环境的要求越来越高,促进了...
下载后可任意编辑 本文由 xuyougen2024 贡献 doc 文档可能在 WAP 端浏览体验不佳。建议您优先选择 TXT,或下载源文件到本机查看。...
下载后可任意编辑暖通空调论文:对暖通空调安装施工项目管理的探讨[摘要]本文以暖通空调安装施工技术和项目管理技能为基础,从“三控制、三...
下载后可任意编辑宜章县职称论文发表-建筑暖通|空调节能|优化设计论文选题题目宜章县职称论文发表-以下是建筑暖通|空调节能|优化设计职称论...
下载后可任意编辑暖通空调专项安装施工方案一、 工程概况二、 编制依据三、 施工组织部署及施工准备四、 施工方法五、 施工保证措施六...
云南农业大学建筑工程学院 650201 《暖通空调》课程设计指导书学院:建筑工程学院专业: 建筑环境与能源应用工程工程年级: 2012 级指...
【tips 】本文由李雪梅老师精心收编,值得借鉴。此处文字可以修改。暖通空调领域的燃气应用摘 要:本文围绕着暖通空调中的燃气应用问题,...
上海苏宁艺术馆暖通空调分部工程暖通空调系统调试方案第1 页 共 12 页上海苏宁艺术馆(暖通空调调试方案)上海苏宁艺术馆暖通空调分部...

