电脑桌面
添加小米粒文库到电脑桌面
安装后可以在桌面快捷访问

物业管理接管验收手册整理版暖通空调验收及表格

物业管理接管验收手册整理版暖通空调验收及表格_第1页
1/10
物业管理接管验收手册整理版暖通空调验收及表格_第2页
2/10
物业管理接管验收手册整理版暖通空调验收及表格_第3页
3/10
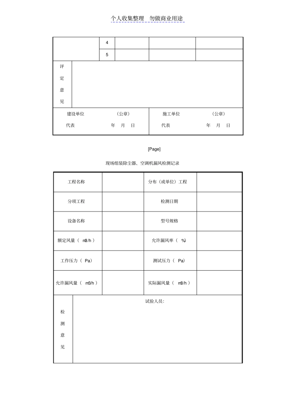
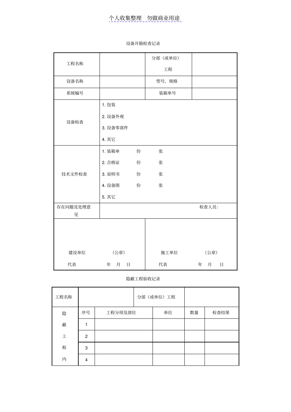
个人收集整理勿做商业用途设备开箱检查记录工程名称分部(或单位)工程设备名称型号、规格系统编号装箱单号设备检查1. 包装2. 设备外观3. 设备零部件4. 其它技术文件检查1. 装箱单份张2. 合格证份张3. 说明书份张4. 设备图份张5. 其它存在问题及处理意见检查人员:建设单位(公章)代表年月日施工单位(公章)代表年月日隐蔽工程验收记录工程名称分部(或单位)工程隐蔽工程内序号工程分项及部位单位数量检查结果1 2 3 4 个人收集整理勿做商业用途容5 6 7 8 9 10 验收意见验收人员:建设单位(公章)代表年月日施工单位(公章)代表年月日风管漏风检测记录工程名称分布(或单位)工程分项工程系统名称风管级别试验压力( Pa)系统总面积(m2)试验总面积(m2)允许单位面积漏风量( m3/ m 2*h)实测单位面积漏风量(m3/ m 2*h)系统测定分段数试验日期检测区段图示分段实测数值序号分段面积(m2)试验压力( Pa)实际漏风量(m3/h )1 2 3 个人收集整理勿做商业用途4 5 评定意见建设单位(公章)代表年月日施工单位(公章)代表年月日[Page] 现场组装除尘器、空调机漏风检测记录工程名称分布(或单位)工程分项工程检测日期设备名称型号规格额定风量( m3/h )允许漏风率(%)工作压力( Pa)测试压力( Pa)允许漏风量(m3/h )实际漏风量(m3/h )检测意见试验人员:个人收集整理勿做商业用途建设单位(公章)代表年月日施工单位(公章)代表年月日冷冻水管道压力试验记录工程名称分布(或单位)工程试验部位试验时间管道编号试验介质工作压力(Mpa) 试验压力(Mpa) 持续时间(min) 压降(Mpa) 试验结果验收意见建设单位(公章)代表年月日施工单位(公章)代表年月日制冷系统气密性试验记录工程名称分布(或单位)个人收集整理勿做商业用途工程试验部位试验时间管道编号气密性试验试验介质试验压力(Mpa) 定压时间 (h) 试验结果管道编号真空试验设计真空度(kPa) 试验真空度(kPa) 定压时间 (h) 试验结果管道编号充制冷剂试验充制冷剂压力(Mpa) 检漏仪表补漏位置实验结果验收意见建设单位(公章)代表年月日施工单位(公章)代表年月日设备单机试验记录工程名称分布(或单位)工程个人收集整理勿做商业用途系统名称序号 系统编号设备名称设备转速(r/min) 功率(kw) 电流(A) 轴承升温( ℃) 额定值实测值铭牌实测额定值实测值实测值评定意见调试人员:建设单位(公章)代表年月日施工单位(公章...

1、当您付费下载文档后,您只拥有了使用权限,并不意味着购买了版权,文档只能用于自身使用,不得用于其他商业用途(如 [转卖]进行直接盈利或[编辑后售卖]进行间接盈利)。
2、本站所有内容均由合作方或网友上传,本站不对文档的完整性、权威性及其观点立场正确性做任何保证或承诺!文档内容仅供研究参考,付费前请自行鉴别。
3、如文档内容存在违规,或者侵犯商业秘密、侵犯著作权等,请点击“违规举报”。

碎片内容

物业管理接管验收手册整理版暖通空调验收及表格

您可能关注的文档

确认删除?
VIP
微信客服
  • 扫码咨询
会员Q群
  • 会员专属群点击这里加入QQ群
客服邮箱
回到顶部