•余热锅炉和汽轮机控制与保护概述•余热锅炉和汽轮机控制系统的组成与原理•余热锅炉和汽轮机的保护系统目录•余热锅炉和汽轮机的控制策略...
CFB锅炉启动经验及注意事项摘要:通过分析CFB锅炉在启动过程中出现过的问题,总结出CFB锅炉在启动过程中经验,指出了锅炉在启动升温阶段应...
CFB锅炉燃烧系统设计导则1,风道燃烧器的计算方法:1)根据煤质挥发份大小、燃烧器种类及数量确定风道燃烧器的热负荷2)按风道燃烧器的热负...
下载后可任意编辑锅炉碱洗方案2炉前碱洗采纳以下回路:凝汽器→凝聚水泵→汽封冷却器→(4-7号)低加水侧及旁路→除氧器水箱→除氧器下水管...
单位无损检测质量管理超声河南锅炉压力容器安全检测研究院课件•引言•无损检测质量管理概述•超声检测技术•锅炉压力容器的安全检测•无损...
1吨热水锅锅炉供暖面积一吨热水锅炉额定蒸发量是0.7MW,在北方大约可以带6000平米,南方大约可带8000平米.这里还要看建筑的结构.流量一般在40...
生物锅炉设计说明一、锅炉简介本锅炉是采用丹麦BWE公司先进的生物燃料燃烧技术的130t/h振动炉排高温高压蒸汽锅炉。锅炉为高温、高压参数自...
锅炉给水处理课件•锅炉给水处理概述•锅炉给水处理技术•锅炉给水处理设备•锅炉给水处理问题与解决方案•锅炉给水处理案例分析contents目...
热水锅炉安全操作规程课件目录CONTENCT•热水锅炉基本知识•热水锅炉的安全风险点•热水锅炉安全操作规程•热水锅炉的安全检查与维护•热水...
目录锅炉机组除尘装置安装单位工程质量验收表........................................1XXXXX分部工程质量验收表...........................
余炉和汽机控制与保•余炉和汽机控制与保•余炉和汽机控制与保的心•余炉和汽机控制与保的用•余炉和汽机控制与保的•余炉和汽机控制与保的...
锅炉原理热平衡资料课件目录CONTENTS•锅炉原理简介•热平衡原理•锅炉热平衡的测试与调整•锅炉能效评价与节能技术•实际应用案例分析01锅...
余热锅炉基础知识课件RESUMEREPORTCATALOGDATEANALYSISSUMMARY目录CONTENTS•余热锅炉概述•余热锅炉的种类与结构•余热锅炉的工艺流程•余...
二直流锅炉启动介绍课件目录CONTENCT•二直流锅炉概述•二直流锅炉启动过程•二直流锅炉安全操作注意事项•二直流锅炉与其他锅炉的比较•二...
锅炉废气监测操作程序及注意事项课件contents目录•引言•锅炉废气监测基本知识•锅炉废气监测操作程序•监测结果解读与报告•注意事项与安...
1进口锅炉压力容器报检条件审核表INSPECTIONTERMS&CONDITIONSREVIEWFORMFORIMPORTBOILERS&PRESSUREVESSELS审核表编号(ReviewFormSerialNo.)...
苏杭河煤矿拆除锅炉房1号锅炉方案及安全措施根据公司安排,锅炉房要安装黄泥灌浆设备,现需拆除锅炉房1号采暖锅炉,并将该锅炉运出锅炉房。...
福建大唐国际宁德发电有限责任公司企业标准QBQ/CDT-INDPC30400372009设备部锅炉点检员工作标准2009-06-15发布2009-07-01实施福建大唐国际宁...
锅炉节能,八大方案2017-12-24蒸汽的有效利用蒸汽是锅炉的产品,应严格按计划使用。在有多台锅炉的锅炉房,每台锅炉负荷(供汽量)的分配应...
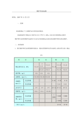
锅炉用水标准时间:2007年11月2日一、范围本标准规定了工业锅炉运行时的水质要求。本标准适用于额定出口蒸汽压力小于等于2.5MPa,以水为介质...

