温州燃机发电有限公司检修电源箱安装工程技术法律规范书温州燃机发电有限公司2024 年 5 月目 录1。总则2。项目概况3。工作内容4。技术...
检修的质量管理一、重视质量管理的意义: 1、设备是企业根基,搞好设备检修,提高检修质量,是保证生产设备安全、经济运行,提高设备可用...
内蒙古中煤远兴能源化工有限公司60 万吨/年煤制甲醇装置检修现场标准化管理规定机械动力部二〇一六年七月十五日一、目的本规定明确了公司...
2024 年炼钢厂 6 月检修安全方案第一部分 检修安全管理 一、厂属检修人员以及外来施工单位必须牢固树立“安全第一”的思想,当安全与检...
亿鼎检修项目部安全规程为加强我项目部现场安全管理,确保员工人身安全,坚决贯彻“安全第一,预防为主”的方针,保障电厂设备正常运行,特...
检 修 施 工 方 案项目名称:编制单位:施工单位:审 核 人:实施日期: 年 月 日 南通天泽化工有限公司一、项目概述简要概述检修...
岳阳长炼机电工程技术有限公司海南东方分公司班组管理标准2024 年运行一部装置检修方案编 写:审 核:批 准:2015—9—1 编制 201 -...
检 修 施 工 合 同合同编号(甲方):合同编号(乙方):工程/设施名称: 发包方(甲方): 承包方(乙方): 签订日期:签订地点: 目 ...
机修车间检修工时管理考核办法一、目的:为了充分体现了“按劳分配”的原则,使班组成员看到多劳多得,少劳少得,干好干坏不一样,克服那种...
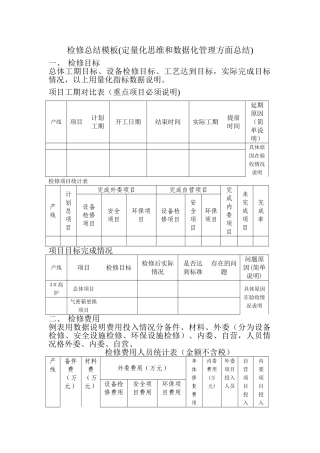
检修总结模板(定量化思维和数据化管理方面总结)一、 检修目标总体工期目标、设备检修目标、工艺达到目标,实际完成目标情况,以上用量化指...
目 录中修组织方案 3一、组织机构 2 二、机构人员配置 2 三、检修班次安排及人员配置 2 四、检修用行车 2 五、施工管控 3 六、...
岗位描述各位领导,大家好!我是公司设备部机务专责检修工,现将我的岗位描述如下:一、岗位基本情况: 电石设备部是电石厂不可或缺的部门...
年终总结2024 即将结束了,进入银海铝业公司已经有 4 年多时间了。在领导的关怀指导下,在同事的支持帮助下,个人在 2024 年度取得了不...
2024 年工作目标尊敬的上级领导:2024 年已经过去,回顾过去的一年,是公司进展壮大的一年,也是公司转型,面临挑战的一年。这一年里,在公...
检修安全宣传稿件黄龙公司停车检修的这些日子里,公司领导高度重视本次检修工作的安全管理,从方案的审核及检修过程中的监督检查都制定了详...
*******有限责任公司检修工作票制度1.总则1.1.为了实现设备检修全过程的安全控制,遵循“安全第一,预防为主”的方针,防止设备检修过程中...
安全要注意,检修需留心 2 月 25 日 14 时 15 分左右,吉林省松原市大唐长山热电厂在检修锅炉磨煤机过程中,热风插板门不明原因开启...
1目的和适用范围根据本公司在检修任务过程中涉及的危险源而潜在的检修事故、紧急情况来编制检修应急措施并组织实施,使发生的检修事故或紧...
蓬莱市临阁橡塑制品有限公司安 全 技 术 交 底工程名称安装车间电线桥架施工单位维修班组施工部位钢编车间施工内容桥架安装一般性交底...
蓬莱市临阁橡塑制品有限公司安 全 技 术 交 底工程名称安装车间电线桥架施工单位维修班组施工部位钢编车间施工内容桥架安装一般性交底...

