劳务分包合同范本标准版(用心整理的精品 word 文档,可以编辑,欢迎下载)作者:------------------------------------------日期:----...
劳务分包合同范本(最新)33418(用心整理的精品 word 文档,可以编辑,欢迎下载)作者:------------------------------------------日期...
工程劳务分包合同(一)工程名称: 工程地点: 委托方(甲方): 承包方(乙方): 日 期: 年 月 日 目 录第一条 工作内容............
建设工程施工劳务分包合同`工程名称: 济南市天桥区洛口李庄 1 #高层住宅楼 工程总承包单位(甲方): 济南市天桥区建筑安装工程公司...
各区(县)建委、各区(县)工商分局、各省驻京建管处、各集团(总公司)、各有关单位: 现将《北京市房屋建筑和市政基础设施工程劳务分包合...
劳务分包合同管理部门职责 一、劳务分包合同的订立第五条 劳务作业发包时,发包人、承包人应当依法订立劳务分包合同。 发包人不得将劳务...
劳务分包合同模板(用心整理的精品 word 文档,可以编辑,欢迎下载)作者:------------------------------------------日期:----------...
劳务分包合同标准版(用心整理的精品 word 文档,可以编辑,欢迎下载)作者:------------------------------------------日期:--------...
劳务分包合同文本-上海市(用心整理的精品 word 文档,可以编辑,欢迎下载)作者:------------------------------------------日期:---...
劳务分包合同协议书(范本)(用心整理的精品 word 文档,可以编辑,欢迎下载)作者:------------------------------------------日期:--...
劳务分包合同--范本(用心整理的精品 word 文档,可以编辑,欢迎下载)作者:------------------------------------------日期:--------...
合同编号:北京长空建设有限公司2025(1.2 版)劳务分包合同书签订日期: _______年______月______日劳务分包合同甲方: 北京长空建设有...
劳 务 分 包 协 议甲方(全称):(以下简称甲方)乙方(全称):(以下简称乙方)依照《中华人民共和国合同法》、《中华人民共和国建筑法...
劳务分包合同--地暖(用心整理的精品 word 文档,可以编辑,欢迎下载)作者:------------------------------------------日期:--------...
建筑工程劳务分包企业信用考核办法第一章 总 则第一条 为全面提高建筑工程劳务分包企业(以下简称劳务分包企业)自律意识、自控能力和整体...
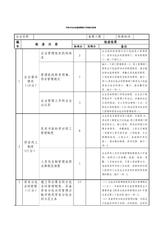
劳务分包企业基础管理工作检查记录表企业名称备案人数检查时间编号检 查 内 容检查结果标准分实得分备注1企业基本情况(10 分)企业管...
劳务分包与劳务用工管理制度第一条 总 则 1、为适应 XX 段快速施工生产的需要,合理有效地使用外部劳务,加强外部劳务管理,提高劳动...
集成电路装备制造基地(一期)项目—建筑装修劳务招标文 件目 录一、招标文件之投标人须知二、招标文件之报价说明三、招标文件之附表招标文...
劳务作业分包合同(用心整理的精品 word 文档,可以编辑,欢迎下载)作者:------------------------------------------日期:----------...
内部资料注意保存目 录附录:1.专业工程分包合同示范文本……………2.劳务分包合同示范文本…………………工程分包合同示范文本(适用范...

