电脑桌面
添加小米粒文库到电脑桌面
安装后可以在桌面快捷访问

劳务分包企业基础管理工作检查记录表

劳务分包企业基础管理工作检查记录表_第1页
1/3
劳务分包企业基础管理工作检查记录表_第2页
2/3
劳务分包企业基础管理工作检查记录表_第3页
3/3
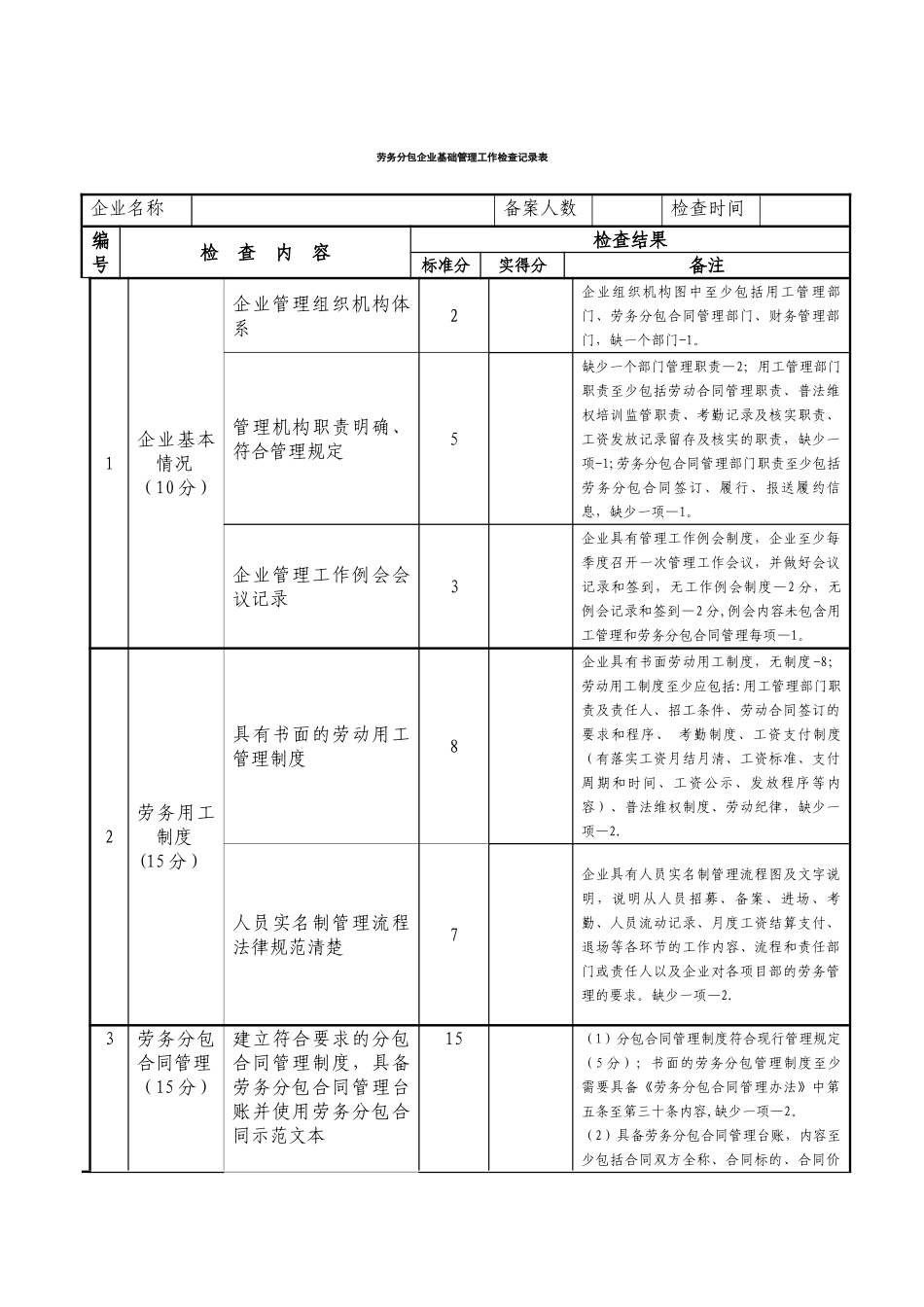
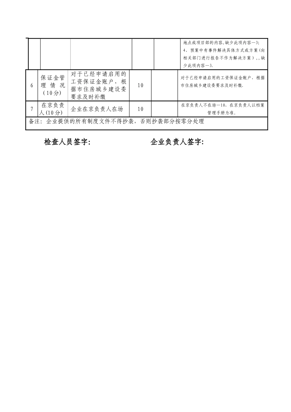
劳务分包企业基础管理工作检查记录表企业名称备案人数检查时间编号检 查 内 容检查结果标准分实得分备注1企业基本情况(10 分)企业管理组织机构体系2企业组织机构图中至少包括用工管理部门、劳务分包合同管理部门、财务管理部门,缺一个部门-1。管理机构职责明确、符合管理规定5缺少一个部门管理职责—2;用工管理部门职责至少包括劳动合同管理职责、普法维权培训监管职责、考勤记录及核实职责、工资发放记录留存及核实的职责,缺少一项-1;劳务分包合同管理部门职责至少包括劳务分包合同签订、履行、报送履约信息,缺少一项—1。企业管理工作例会会议记录3企业具有管理工作例会制度,企业至少每季度召开一次管理工作会议,并做好会议记录和签到,无工作例会制度—2 分,无例会记录和签到—2 分,例会内容未包含用工管理和劳务分包合同管理每项—1。2劳务用工制度(15 分)具有书面的劳动用工管理制度8企业具有书面劳动用工制度,无制度-8;劳动用工制度至少应包括:用工管理部门职责及责任人、招工条件、劳动合同签订的要求和程序、 考勤制度、工资支付制度(有落实工资月结月清、工资标准、支付周期和时间、工资公示、发放程序等内容)、普法维权制度、劳动纪律,缺少一项—2.人员实名制管理流程法律规范清楚7企业具有人员实名制管理流程图及文字说明,说明从人员招募、备案、进场、考勤、人员流动记录、月度工资结算支付、退场等各环节的工作内容、流程和责任部门或责任人以及企业对各项目部的劳务管理的要求。缺少一项—2.3劳务分包合同管理(15 分) 建立符合要求的分包合同管理制度,具备劳务分包合同管理台账并使用劳务分包合同示范文本15(1)分包合同管理制度符合现行管理规定(5 分);书面的劳务分包管理制度至少需要具备《劳务分包合同管理办法》中第五条至第三十条内容,缺少一项—2。(2)具备劳务分包合同管理台账,内容至少包括合同双方全称、合同标的、合同价款、履行进度情况、备案证书号码,缺少一项—2(5 分);(3)使用劳务分包合同示范文本,一项未使用-2(5 分);4项目部劳务管理保障体系建设情况30 分具备施工现场用工管理体系3各项目部劳务保障体系工作流程清楚:需提供项目部劳务管理工作制度和流程图,制度要说明每个节点对应管理工作的责任人、工作标准和流程,无制度-2,不完整缺少一项—1,无流程图-2,根据管理要求配备劳动力管理员5每个现场配备相应持证上岗的管理人员。无施工队长的-2,无劳动力管理员的-...

1、当您付费下载文档后,您只拥有了使用权限,并不意味着购买了版权,文档只能用于自身使用,不得用于其他商业用途(如 [转卖]进行直接盈利或[编辑后售卖]进行间接盈利)。
2、本站所有内容均由合作方或网友上传,本站不对文档的完整性、权威性及其观点立场正确性做任何保证或承诺!文档内容仅供研究参考,付费前请自行鉴别。
3、如文档内容存在违规,或者侵犯商业秘密、侵犯著作权等,请点击“违规举报”。

碎片内容

劳务分包企业基础管理工作检查记录表

确认删除?
VIP
微信客服
  • 扫码咨询
会员Q群
  • 会员专属群点击这里加入QQ群
客服邮箱
回到顶部