下载后可任意编辑企业直播流量投放方案背景介绍随着互联网的迅猛进展和人们生活方式的变化,直播行业得到了快速的进展,成为了一种受欢迎的...
下载后可任意编辑流量仪表项目投资分析及可行性报告下载后可任意编辑目录概论.............................................................
下载后可任意编辑流量仪表项目可行性讨论报告下载后可任意编辑目录前言...................................................................
下载后可任意编辑大流量罗茨鼓风机项目投资分析及可行性报告下载后可任意编辑目录序言.....................................................
下载后可任意编辑大流量罗茨鼓风机项目可行性分析报告下载后可任意编辑目录前言...........................................................
技术资料知识共享黑龙滩杨柳引水渠流量监测仪器选型及安装实施方案北京金水中科科技有限公司范文 范例学习指导word 整理版一、 基本概况...
下载后可任意编辑流量节流装置技术协议书引言本技术协议书旨在规定流量节流装置技术的相关标准,明确讨论、开发、生产和应用流量节流装置技...
重庆川仪流量仪表有限公司生产实习报告姓名:学号:班级:一、实习目的本次实习是帮助我们对所学知识的感性认识,所学习的专业课程、专业基...
通用橡套软电缆电缆载流量2009-5-26 来源:矿用通讯电缆 / 矿用控制电缆 / 矿用橡套电缆 / 矿用信号电缆/ 天塑电缆厂通用橡套软电...
通用橡套软电缆长期允许载流量导线工作温度: 65°C 环境温度: 25°C 导 线 面积mm2空 气 敷 设 长 期 允 许 载 流 量 A...
.技术资料.专业整理.一次泵变流量系统、控制方式冰机扌空制负荷测定:蒸发器的流量和温差冷量调节:与活塞机组的介跃调节不一样离心冷水机...
XX 电信公司与 XX 公司 手机上网流量批量采购协议 甲方:XX 公司 地址: 法定代表人: 邮编: 乙方: 地址: 法定代表人: 邮...
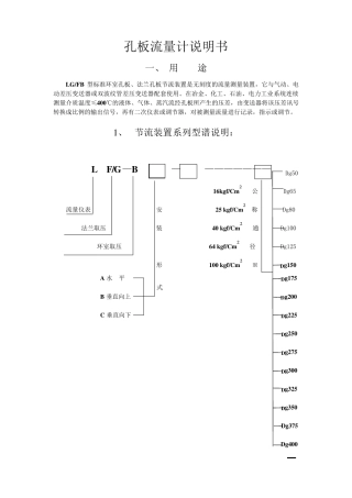
流量计算公式 (1)差压式流量计 差压式流量计是以伯努利方程和流体连续性方程为依据,根据节流原理,当流体流经节流件时(标准孔板、标...
随着3G 时代移动互联网的普及与发展,流量经营是当内外运营商普遍很重视的重大课题。国内运营商的流量经营已经从概念进化到实操阶段,流量...
1 流量系数KV 的来历 调节阀同孔板一样,是一个局部阻力元件。前者,由于节流面积可以由阀芯的移动来改变,因此是一个可变的节流元件;...
流量积算仪说明书(数码型)
流量积算仪说明书(液晶型)
流量复习资料 一、选择. 1.流量是指( B)。 1. (A)单位时间内流过管道某一截面的流体数量 (B)单位时间内流过某一段管道的流体数...
流量控制阀型号 在以超滤为核心技术的水处理工程中,砂滤、活性炭、软化、精滤等多种水处理工艺与超滤相结合,使产水水质性能指标达到设计...
流量控制阀工作原理及其特点 流量控制阀是在一定压力差下,依靠改变节流口液阻的大小来控制节流口的流量,从而调节执行元件(液压缸或液压...

