第3 章 MATALB 三维绘图 .............................................................................................. 2 3.1...
三维曲线(非线性)拟合步骤 1 设定目标函数. (M 函数书写)% 可以是任意的 例如: fu nction f=my data(a,data) %y 的值目标...
Matlab三次样条
Matlab三机九节点电力系统仿真(带程序)
close all I = imread('E:\txm.jpg'); J= rgb2gray(I); figure(1) imshow(J); title('灰 度 化 图 像 '); [e1,e2]=size(J);...
Matlab 信号处理工具箱 频谱分析 Spectral estimation(谱估计)的目标是基于一个有限的数据集合描述一个信号的功率(在频率上的)分布...
Matlab_观察空间曲面
Matlab 智能算法 30 个案例分析 智能算法是我们在学习中经常遇到的算法,主要包括遗传算法,免疫算法,粒子群算法,神经网络等,智能算...
Matlab 程序设计与应用 1 .1 基本运算与函数 在 Matlab 下进行基本数学运算,只需将运算式直接打入提示号(>>)之後,并按入Enter ...
Matlab_控制系统_备注
45 实验六 拉普拉斯变换及其逆变换 一、目的 (1)掌握连续系统及信号拉普拉斯变换概念 (2)掌握利用 Matlab 绘制系统零极点图的方...
Matlab_动画图、动态图制作
Matlab 小 波 变 换 指 令 及 其 功 能 介 绍 3. 图 像 小 波 变 换 的 Matlab 实 现 函 数 fft、fft2 和 fft...
Matlab_simulink中的基本模块的参数、含义、应用
数组和矩阵(基本信息)回目录 disp 显示文本或数组 display 显示文字或数组(重载方法) isempty 确定是否为空数组 isequal 测试数...
Matlab SIMULINK Integrator, Integrator Limited –积分,积分限制器 积分信号 库 连续 说明 Integrator 块输出 在其输入端的...
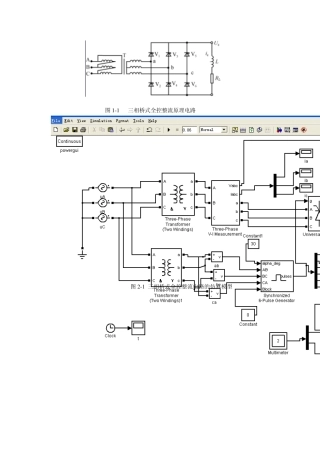
图1 -1 三相桥式全控整流原理电路 图2 -1 三相桥式全控整流电路的仿真模型 图4 -1 整流器输入的三相线电压波形 图4 -2 整流器输...
Matlab R2010b 32 位和 64 位安装程序下载与安装步骤 2011-03-27 11:56 转载自 时光9 1 5 4 最终编辑 小寄生虫儿 本人安装...
1 数 模 实 验 一 实 验 内 容 : 用Matlab 实 现 Hilln密 码 程 序 ( 包 括 加 密 、解密 及破译三个环节) 一...
Matlab_GUI设计中常用控件格式

