危险源识别、风险评价及风险控制程序1. 目的1.1 最大限度的识别出施工单位(分包方) 在活动或服务中能够控制的危险源,并及时更新。1.2...
仅供参考 [整理 ] 第 1 页 共 15 页安全管理文书危险源识别评价预防及应急处置措施日期: __________________单位: ___________...
危险源识别、风险评价1.目的对公司重大环境因素、 重大危险源有关的运行活动的关键特性、环境安全绩效及目标指标实现进行监测。使之符合法...
制定部门:安全生产委员会分发单位:修订日期版本修订原因及内容摘要2007-06-26 A 首版发行核准审核制订1 目的为了全面的辨识出公司的危...
危险源识别评价和控制管理制度0 / 14 商合杭铁路站前17 标段一分部综合架子队(646+779.86~663+352)危险源识别、评价和控制管理制度...
...有限公司**************************************************体系文件文件名称 : 危险源识别评价与控制程序文件编号 : LD-HSE-B001...
危险源识别登记表部门:填表人:时间:年月日序号作业位置(或区域)作业活动(内容)危害可能导致的事故(危害类别)现有的控制措施1 各...
危险源识别、风险评价和风险控制程序目录指引1、工程名称2、危险源辨识、风险评价和风险控制程序3、危险源辨识排查表4、危险源辨识及风险评...
危险源识别记录表2 危险源辨识评估表部门:黄骅北收费站 2015 年 3 月序号工作活动 /产品 /设备设施危险源名称可能导致的事故和危害...
危险源识别与评价控制方法1 目的辨识公司活动范围内的危险源,对其进行风险评价,判定出重大风险因素,制定有效的风险控制程序2 适用范围...
重大/ 一般危险源的识别和控制工程名称:商丘市路桥景苑小区工程施工单位:河南尚雅建筑工程有限公司 2010年 8 月 20 日序号设施、活...
目录一、危险源辨识、评价及监控措施二、重大危险源清单三、重大危险源监控措施方案危险源辨识、评价及监控措施可能导致死亡、伤害、职业病...
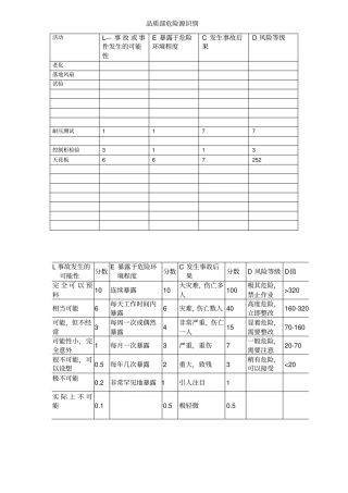
品质部危险源识别活动L— 事 故 或 事件发生的可能性E 暴露于危险环境程度C 发生事故后果D 风险等级老化落地风扇试验耐压测试1 1 ...
深圳市 **** 公司危险源辨识和风险评价程序1、目的辨识及评价公司范围内的职业健康安全危险源,评价其风险程度,判定出重大危险源,从而...
目录一、危险源识别 .................................................... 2二、重大危险源清单........................................
仅供参考 [整理 ] 第 1 页 共 7 页安全管理文书危险源识别与风险评价控制程序日期: __________________单位: ________________...
危险源、环境因素识别和控制制度1.0 目的为全面有效指导核电事业部下属各单位(以下简称各项目部)对所在施工作业场所的职业健康安全活动...
单位:XXXXXXXXXX填表日期: 2017 年 1 月 5 日序号作业活动危险源(危害因素)可能的事故、后果判别依据作业条件危险性评...
附件:危险废物识别标志式样盛装危险废物的容器和包装物以及产生、收集、贮存、运输、处置危险废物的场所,必须依法设置相应识别标识、警示...
Page 1 of 16 危害识别和风险评价管理程序一、目的二、范围三、职责 HSE管理者代表:对危害识别与风险评价工作直接负责,确定及审批管...

