下载后可任意编辑路工程] 简析沥青混凝土路面施工的质量控制质量控制, 沥青混凝土, 路面, 简析, 施工 [摘要]在沥青混凝土路面施工中,...
下载后可任意编辑授课章节第五章 水泥混凝土路面机械施工主要内容§5-1 水泥混凝土搅拌站与拌和作业§5-2 水泥混凝土搅拌运输设备与输...
下载后可任意编辑水泥混凝土面层工程实验段施工方案一、工程概况省道 S302 线松溪至浦城城关二级改建工程 B 合同段水泥砼面层厚度为24c...
下载后可任意编辑本页为作品封面,下载后可以自由编辑删除,欢迎下载!!! 精 品文档1【精品 word 文档、可以自由编辑!】第四节砼路...
下载后可任意编辑 精品文最新资料,word 文档,可以自由编辑!!下载后可任意编辑档下载 【本页是封面,下载后可以删除!】下载后可任意...
下载后可任意编辑 精品文档下载 最新资料,word 文档,可以自由编辑!!下载后可任意编辑【本页是封面,下载后可以删除!】六、施工组织...
下载后可任意编辑正本/副本广东省 茂名市省道352线朱砂角至铜鼓段路面改造工程施工 投 标 文 件下载后可任意编辑投标人: (盖单位章...
下载后可任意编辑兰州市南北两山景区道路维修改造工程施工方案一、工程概况:兰州市两山景区道路维修改造工程路线全长 490 米,路线布设...
下载后可任意编辑沥青混凝土路面施工质量控制之我见王家伟(作者简介:王家伟,男,1977 年 6 月 3 日生,山西省大同市人,朔州路桥建...
下载后可任意编辑吉林市康乃尔药业集团物流仓库沥青砼路面工程施工组织设计第一章 编制综述一、编制依据(一)甲方现场交代的有关事宜。(...
下载后可任意编辑潭阳路厂拌泡沫沥青冷再生路面施工方案一、工程概况潭王路(旧线)南起潭柘寺镇政府,终点至王平村,全长 26.9Km。本次大...
下载后可任意编辑目 录一、工程概况二、施工准备三、原材料及配合比四、人员及施工机械设备五、主要施工工序六、施工方案七、特别气候条件...
下载后可任意编辑滑膜摊铺水泥混凝土路面施工方案 水泥混凝土路面是指以水泥混凝土面板和基(垫)层所组成的路面,亦称刚性路面,它包括普...
下载后可任意编辑本页为作品封面,下载后可以自由编辑删除,欢迎下载!!! 精 品文档1【精品 word 文档、可以自由编辑!】溧马高速公...
路面级配碎石底基层施工方案一、工程概况***高速公路路面 K85+000~K85+227・48 为整体式路面,底基层宽度为 12.2 米;K85+227・48~K85+5...
1. ( )是在天然地表面按照道路的设计线形(位置)和设计横断面(几何尺寸)的要求开挖 或堆填而成的岩土结构物。 A.路基 B. 路面...
下载后可任意编辑渝黔K1004+970~K1005+360彩色路面病害处治工程施工组织设计重庆高速公路集团有限公司南方营运分公司2024年3月下载后可任...
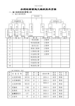
下载后可任意编辑水泥砼路面施工组织技术方案一、施工组织机构及管理人员1.施工组织机构2.施工管理和技术人员一览表序号姓 名年 龄职 ...
下载后可任意编辑混凝土路面起砂怎么修补,修补方法混凝土路面起砂是一种常见病害,原因很多,本文不再赘述。混凝土路面起砂怎样修补呢?下...
下载后可任意编辑混凝土道路施工方案一、工程概况: 路面硬化道路面积为 800M2,采纳 C20 砼,砼用量为 90m3 ,设置 30cm 白灰稳定...

