C30 水泥混凝土路面施工方案一、编制依据1、南(江)至通(江)公路改建工程施工设计文件2、公路工程质量检验评定标准(JTGF80/1-24 )3...
永川区 S311 永津路路面病害整治工程施工组织设计编制单位:重庆市新世纪路桥建设有限公司2025 年 6 月一、编制原则本施工组织方案是...
重要内容 一、 试验检测工作概论 二、道路工程质量评估措施与检查项目 三、试验检测数据处理 四、 土工试验检测措施 五、集料试验检...
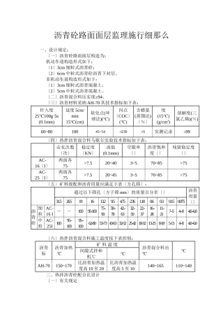
课程名称:路基路面工程 试卷编号:0 1一、填空题(每题 2 分,合计20分)1、我国沥青及沥青混合料气候分区采纳旳指标有:_______、__...
SD-1、SD-2 隧道沥青混凝土路面试验段专题施工方案一、编制根据1、《珠海市横琴新区市政基础设施 BT 项目非示范段主、次干路市政道路工...
K23+083—K24+900 水泥混凝土路面试验段总结 S801 泰曲线泰安高新区至宁阳曲阜界段大修工程 K23+083-31+900 段原旧路面挖除工作已经完...
2025 年 12 月 2 0日贵州高速公路管理局面试真题【本人 7 5分,上岸了旳】1、目前一边出现用工荒,一边又有大学生找不到工作,你...
中州大学工程技术学院道路桥梁工程专业顶岗实习报告班 级:路桥 班姓 名:学 号:成 绩:实 习 单 位:中国路桥工程有限责任公司实...
钢筋混凝土路面施工工法(一)工艺原理 筋混凝土路面就是利用路面混凝土内得纵横钢筋把面板拉在一起,使面板依靠钢筋及集料得嵌锁作用具有结...
目录第一章 总论-----------------------------------------------------------------------------11.1 项目概况-----------------------...
1.概况1.1 项目概况1.1.1 项目名称XX 市 XX 路路面改造工程项目1.1.2 项目选址XX 市 XX 路市城区1.1.3 建设性质及规模改建1、XX...
目录第一章 总论-----------------------------------------------------------------------------11.1 项目概况-----------------------...
芦苞镇四联村委会南岸曹进村道路工程施工方案编制人: 审核人: 2025 年 5 月 28 日目录第一章 工程概况:..........................
第一章 概 述 1.1 任务依据及项目背景本项目讨论是受 XX 省 XX 县商品公路管理局委托,XX 市工程咨询中心承担。根据 XX 省公路...
路面边缘排水设施首件工程施工方案第一章 编制依据1、《公路工程质量检验评定标准》 JTG F80/1-2025;2、 设计施工图纸及设计技术交底...
路面施工方案一、 工程概况xxx 快速路崇州段 C1 标段设计起点为 K18+800,止于 K23+100 赵家林村,全长 4、3 公里。技术等级参照...
路面废弃轮胎处理方案随着社会的进展,轮胎的使用越来越普遍,同时也带来了废弃轮胎的处理难题。废弃轮胎的处理需要考虑到环境保护、资源利...
临时改道工程施工组织设计一、工程概况本工程为临时改道工程,线路长 1、3 公里,路面宽度为 18m,路面结构为25cm6%水泥稳定层,6 cm...
目 录一、工程概况..................................................................................2二、 编制依据 ................
目录第一章 重力式挡土墙设计ﻩ3一、设计资料....................................................3二、破裂棱体位置得确定...............

