电脑桌面
添加小米粒文库到电脑桌面
安装后可以在桌面快捷访问

路面施工方案

路面施工方案_第1页
1/11
路面施工方案_第2页
2/11
路面施工方案_第3页
3/11
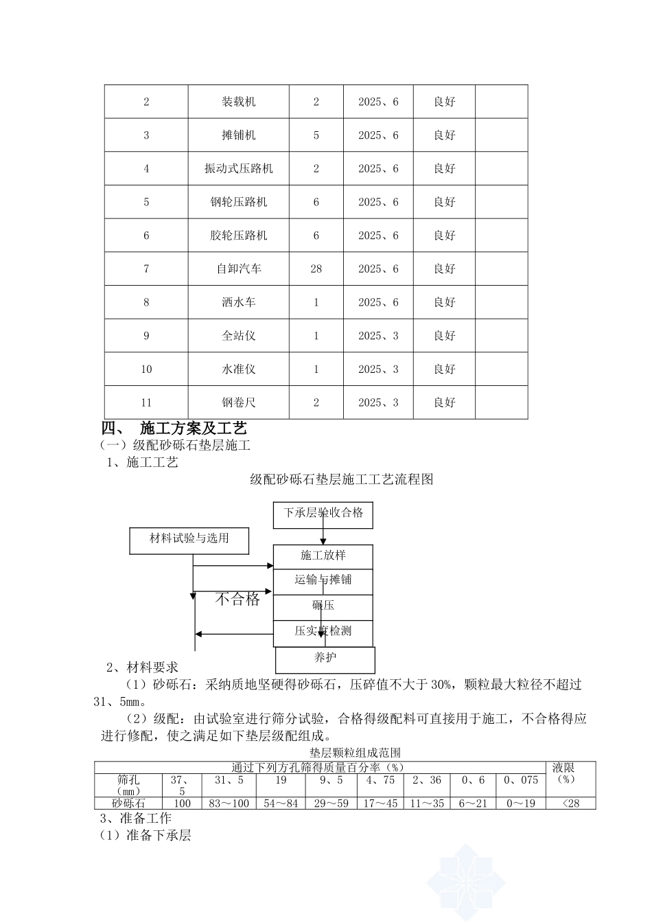
路面施工方案一、 工程概况xxx 快速路崇州段 C1 标段设计起点为 K18+800,止于 K23+100 赵家林村,全长 4、3 公里。技术等级参照一级公路,双向六车道,主线路面结构自上而下组合如下:层位结构层材料厚度(cm)上面层SBS 改性细粒式沥青混凝土(AC-13C)4中面层中粒式沥青混凝土(AC-16C)5下面层中粒式沥青混凝土(AC-20F)6基层水泥稳定碎石(5%)25底基层水泥稳定碎石(4%)20垫层级配砂砾石20二、 编制依据(一)本工程招标文件(二)现行颁布部颁施工法律规范,验收标准及有关技术规程。(三) 成温邛快速路崇州段 C1 标段设计图纸三、 人员及机械设备安排人员配备表机械及测量仪器配备表序号设备名称数量进场日期机械性能备注1平地机12025、6良好序号职务姓名人数1项目经理12技术负责人13质检工程师14试验工程师15测量工程师16道路工程师17专职安全员18现场负责人19技术员110工人222装载机22025、6良好3摊铺机52025、6良好4振动式压路机22025、6良好5钢轮压路机62025、6良好6胶轮压路机62025、6良好7自卸汽车282025、6良好8洒水车12025、6良好9全站仪12025、3良好10水准仪12025、3良好11钢卷尺22025、3良好四、 施工方案及工艺(一)级配砂砾石垫层施工1、施工工艺级配砂砾石垫层施工工艺流程图 不合格 2、材料要求(1)砂砾石:采纳质地坚硬得砂砾石,压碎值不大于 30%,颗粒最大粒径不超过31、5mm。(2)级配:由试验室进行筛分试验,合格得级配料可直接用于施工,不合格得应进行修配,使之满足如下垫层级配组成。垫层颗粒组成范围通过下列方孔筛得质量百分率(%)液限(%)筛孔(mm)37、531、5199、54、752、360、60、075砂砾石10083~10054~8429~5917~4511~356~210~19<283、准备工作(1)准备下承层下承层验收合格施工放样材料试验与选用运输与摊铺碾压压实度检测养护① 在已完成得路基上按法律规范规定检查验收得方法与频度进行高程、宽度、横坡度、平整度得检查。② 采纳 18t 压路机或等效压实机具进行碾压检验(压 3~4 遍)在碾压过程中,如发现路基过干,表层松散,适当洒水,如路基过湿,发生“弹簧”现象采纳挖开晾晒、换填、掺石灰或粒料等措施进行处理。(2)施工放样① 在下承层上恢复中线 10 米设一桩,并在两侧路肩边缘外 0、5 米设指示桩。② 进行水平测量,在两测指示桩上用明显标记标出垫层边缘得松铺高度。(3)运输与摊铺① 集料装车时,必须控制每车料得数量基本相等。...

1、当您付费下载文档后,您只拥有了使用权限,并不意味着购买了版权,文档只能用于自身使用,不得用于其他商业用途(如 [转卖]进行直接盈利或[编辑后售卖]进行间接盈利)。
2、本站所有内容均由合作方或网友上传,本站不对文档的完整性、权威性及其观点立场正确性做任何保证或承诺!文档内容仅供研究参考,付费前请自行鉴别。
3、如文档内容存在违规,或者侵犯商业秘密、侵犯著作权等,请点击“违规举报”。

碎片内容

路面施工方案

您可能关注的文档

确认删除?
VIP
微信客服
  • 扫码咨询
会员Q群
  • 会员专属群点击这里加入QQ群
客服邮箱
回到顶部