精品文档---下载后可任意编辑OFDM 测距技术讨论的开题报告开题报告题目:OFDM 测距技术讨论一、讨论背景目前,随着无线通信技术和智能化...
精品文档---下载后可任意编辑LFMCW 雷达料位仪测距原理讨论及应用的开题报告一、讨论背景随着工业自动化的不断进展,料位测量在生产过程中...
精品文档---下载后可任意编辑Ku 波段调频连续波测距系统前端设计的开题报告1. 讨论背景和意义连续波测距系统是一种常用的测距技术,它利...
精品文档---下载后可任意编辑GNSS 和 SLR 并置测距结果的初步比较的开题报告1. 讨论背景和目的全球导航卫星系统(Global Navigation ...
虽然最近注意力已经不可遏制地被神经科学、大脑记忆机制和各种毕业活动吸引过去了,但是还是觉得有必要把这段时间双目视觉方面的进展总结一...
精品文档---下载后可任意编辑基于 FPGA/DSP 激光测距系统的讨论的开题报告一、选题背景和意义随着工业技术的不断进步和进展,激光测距技...
精品文档---下载后可任意编辑一 实验目的在 DSP 上实现线性调频信号的脉冲压缩、动目标显示(MTI)和动目标检测(MTD),并将结果与 MATL...
精品文档---下载后可任意编辑DC1500V 牵引供电系统故障测距讨论的开题报告一、讨论背景牵引供电系统是现代铁路运输的必要组成部分,直接关...
精品文档---下载后可任意编辑CTCS3-300T 列控车载设备测速测距系统的工作原理和安装调试方法的讨论中期报告一、讨论背景随着铁路列车运行...
精品文档---下载后可任意编辑1064nm 波长卫星激光测距技术讨论的开题报告一、讨论背景卫星激光测距是一种基于空间激光雷达技术的远距离测...
毕业设计(论文)题 目:基于 单片机的超声波测距仪 学 院: 专业班级: 指导老师: 职称: 学生姓名: 学 号: 下载后可任意编...
我现在在做超声波测距,用的是非门 + CX20106A方案。发射部分用非门驱动,如下: (原文件名:超声波发射电路原理图.gif) 引用图片 我手...
KS103超声波测距模块说明书
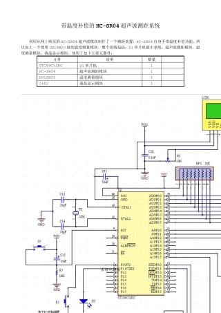
带温度补偿的HC-SR04 超声波测距系统 利用从网上购买的HC-SR04 超声波模块制作了一个测距装置,HC-SR04 自身不带温度补偿功能,所以加...
下载后可任意编辑伪码测距技术讨论摘要:随着扩频通信技术的飞跃进展,其应用领域愈发广泛,这离不开它本身的优点,信号的功率谱密度低、相...
1/6相位激光测距实验一、实验目的1、学习激光测距机类型与应用现状2、掌握相位测距原理二、概述传统的非接触测距方法主要有超声波测距、电...
下载后可任意编辑基于单片机控制的超声波测距报警系统0 引言超声波具有定向性好、能量集中、在传输过程中衰减较小、反射能力较强等优点,...
下载后可任意编辑2024 年小学期单片机设计实验报告题目:基于单片机的超声波测距班 级:班内序号: 实验组号: 学生姓名: 指导老师:...
国 电 南 自 Q/SDNZ.J.51.02-2005 标准备案号:1213-2005-K DRL600 微机型电力系统故障录波及测距装置 技术说明书 国电南京自动化...
国 电 南 自 Q/SDNZ.J.51.02-2005 标准备案号:1213-2005-K DRL600 微机型电力系统故障录波及测距装置 技术说明书 国电南京自动化...

