电脑桌面
添加小米粒文库到电脑桌面
安装后可以在桌面快捷访问

HCSR04超声波测距系统制作

HCSR04超声波测距系统制作_第1页
1/18
HCSR04超声波测距系统制作_第2页
2/18
HCSR04超声波测距系统制作_第3页
3/18
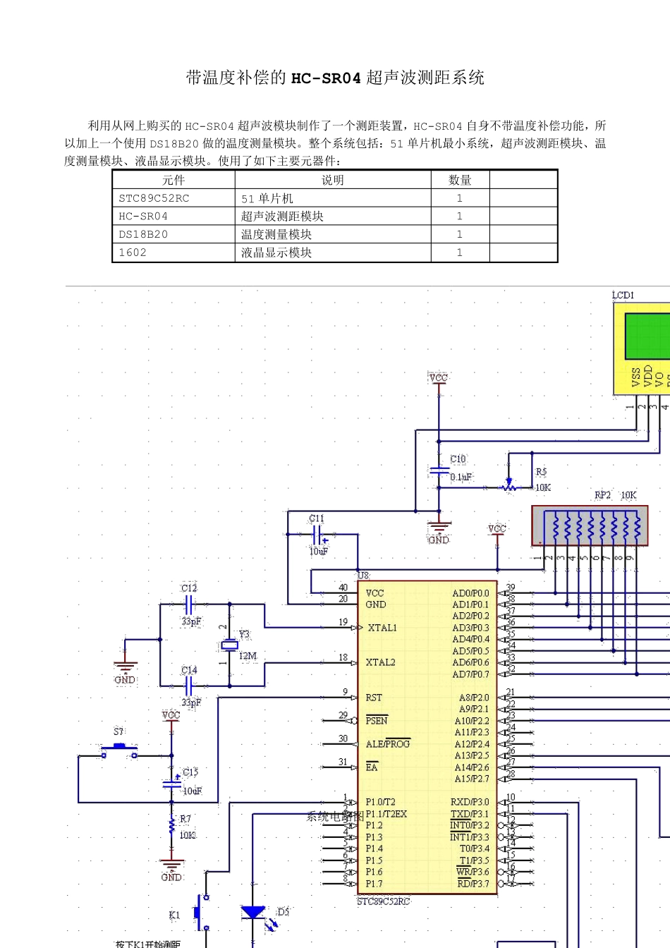
带温度补偿的HC-SR04 超声波测距系统 利用从网上购买的HC-SR04 超声波模块制作了一个测距装置,HC-SR04 自身不带温度补偿功能,所以加上一个使用DS18B20 做的温度测量模块。整个系统包括:51 单片机最小系统,超声波测距模块、温度测量模块、液晶显示模块。使用了如下主要元器件: 元件 说明 数量 STC89C52RC 51 单片机 1 HC-SR04 超声波测距模块 1 DS18B20 温度测量模块 1 1602 液晶显示模块 1 系统电路图 完成接线后的测距系统实物图 51 单片机最小系统 单片机型号:STC89C52RC,晶振:12Mhz。自己动手焊接的最小系统板。 LCD1602A 液晶显示模块: HC-SR04 超声波测距模块 HC-SR04 超声波测距模块可提供2cm 至400cm 的非接触式距离感测功能,测距精度可达3mm;模块自身包括超声波发射器、接收器与控制电路。 实物正反两面图 HC-SR04 电气参数: HC-SR04 工作原理及说明: 1、 给 Trig 触发控制信号 IO 端口至少 10us 的高电平信号; 2、 模块自动发送 8 个 40khz 的方波,并自动检测是否有信号返回; 3、 有信号返回时,Echo 回响信号输出端口输出一个高电平,高电平持续的时间就是超声波从发射到返回的时间; 4、 两次测距时间间隔最少在 60ms 以上,以防止发射信号对回响信号的影响; 超声波时序图 单片机控制 HC-SR04 超声波测距说明: 原理图中,单片机的 P2.5 口接 HC-SR04 的 Trig 端口,P2.6 口接 HC-SR04 的 Echo 端口,超声波在传播时碰到障碍物即返回,HC-SR04 模块收到回波信号后 Echo 口输出一个高电平,单片机检测到高电平后即启动计数器开始计数,直到单片机检测到 Echo 口变成低电平后结束计数,计数器的计数值乘以单片机计数周期就是超声波从发射到接收的往返时间,即距离 S=v*t/2; 由于在室温下,声速受温度的影响,其变化关系为:V=334.1+T*0.61(T 为当前温度),利用 DS18B20温度传感器可以得到环境温度,补偿温度对声速的影响。当温度高于 26 度或低于 14 度时,上述公式不能完全满足对测量的修正了,所以高于 26 度时取 26 度,低于 14 度时取 14 度。 距离计算公式为:S=(334.1+T*0.61)*N*T0/2 T:当前环境温度值 N:计数值 T0:单片机计数周期=晶振频率/12(微秒) HC-SR04 测量存在不稳定性,所在对同一距离进行多次测量,并对测量结果排序,去除最大和最小值,将余下的求平均值。 程序流程图: 程序代码: ...

1、当您付费下载文档后,您只拥有了使用权限,并不意味着购买了版权,文档只能用于自身使用,不得用于其他商业用途(如 [转卖]进行直接盈利或[编辑后售卖]进行间接盈利)。
2、本站所有内容均由合作方或网友上传,本站不对文档的完整性、权威性及其观点立场正确性做任何保证或承诺!文档内容仅供研究参考,付费前请自行鉴别。
3、如文档内容存在违规,或者侵犯商业秘密、侵犯著作权等,请点击“违规举报”。

碎片内容

HCSR04超声波测距系统制作

您可能关注的文档

小辰+ 关注
实名认证
内容提供者

出售各种文档和资料

确认删除?
VIP
微信客服
  • 扫码咨询
会员Q群
  • 会员专属群点击这里加入QQ群
客服邮箱
回到顶部