地 面 水 厂 二 期 工 程 五 标 段脱 水 车 间 、 反 冲 洗 泵 房 吊 车 梁 吊装 方 案编 制 : 审 核 : ...
行车维护和保养管理制度一、日常保养 切实做好检查间隔期间的起重机维护保养工作,是保证起重机正常连续运转的基础,正确的做好检修期间的...
目 录一、适用范围...................................................................................................................
行车检修安全操作规程1 范围本标准规定了行车检修安全技术操作规程本标准适用于检修人员检修行车时的操作2 技术内容与操作事项2.1 进入...
轧钢区域行车电气系统改造电气设备安装方案 批准: 审核: 编制: 上海 XXXXXXXXX 工程有限公司 二○一三年八月 目录一、工程概况二...
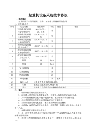
起重机设备采购技术协议一、使用概况起重机用于车间吊模具、设备、加工件与原材料吊装使用.二、采购设备清单序号设备名称规格型号单位数量...
行车技术标准1 设备情况序号技术参数单位要求值规格型号备注一型号、跨度及额定起重量1桥机型号单小车桥机2桥机跨度t26263主钩额定起重量t...
施工安全协议书建设单位(以下简称甲方): XXXXXXXXXXXXXXX 公司 承包单位(以下简称乙方): XXXXXXXXXXXXXXX 公司 工程名称:车间行...
行车应急预案 为了仔细贯彻落实《特种设备安全监察条例》,起重机械(以下简称“特种设备")事故时,迅速、高效和有序地进行应急救援工作,...
行车应急救援演习情况记录表演习时间年 月 日现场指挥参加人员模拟场景□电气起火□触电□因操作不当或设备缺陷引起的事故基本内容和程序...
行车事故应急救援专项预案一、总则1、编制目的为了法律规范我单位行车事故应急预案的编制工作,提升企业应对行车事故的能力,及时控制和消除...
行车年度维修及保养合同甲方:乙方:为保证甲方在用行车长期、稳定、安全运行,经双方协商后,就乙方为甲方提供行车的日常故障维修与定期维护...
鲍店煤矿更新厂料场行车安装施工安全协议书为确保施工期间安全生产,特签订安全责任书,甲乙双方均应依据签定的责任书内容要求履行各自职责...
行车安全教育随着冬季的到来,低气温的季节里,我们如何安全驾驶我们的爱车在冬季更好工作,这里为和大家分享一下冬季开车一般应当注意的事...
编号:MGZ02024--T01A AA 33。。11施工组织设计/方案报审表工程名称:梅钢 5# 烧结机工程 编号:AA 3.13.1 - 项目编号:5C1—0...
一、行车安全常识(一)、高速公路安全行车高速公路上的交通事故发生率是非常高的,主要原因有超速、违章停车、装载违章、疲劳驾驶、机件故...
行车岗位理论百题-——-车站调度员1。参加调车作业的人员应做到哪些? 答:(1)及时编组、解体列车,保证按列车运行图的规定时刻发车,不...
行车安装方案目录1、编制依据:........................................................................................................
行车安全操作规程1、行车工须经专门安全技术训练考试,并有操作证者才能独立操作,未经专门训练和通过考试不得单独操作。2、开车前应仔细检...
行车安全管理制度为贯彻落实《道路交通安全法》,坚持“安全第一、预防为主”方针,增强司乘人员安全行车的责任意识,确保人身、车辆和货物...

