××××矿业有限责任公司安全目标责任书****有限责任公司安全管理目标责任书二〇一五年三月目录1、安全目标管理制度........................
第1页共39页编号:时间:2021年x月x日书山有路勤为径,学海无涯苦作舟页码:第1页共39页第一章概论第一节地下金属矿床分类金属矿床的矿体形...
第1页共14页编号:时间:2021年x月x日书山有路勤为径,学海无涯苦作舟页码:第1页共14页金属线槽配线安装施工技术交底目录1范围..............
第1页共6页编号:时间:2021年x月x日书山有路勤为径,学海无涯苦作舟页码:第1页共6页《金属与金属材料》教学设计学段:初中年级:九年级学...
兰州定威物资有限公司榆中分公司来紫堡榆树沟建筑石料矿安全标准化评审报告目录前言.......................................................
金属非金属矿山技术规程众兴煤炭集团有限责任公司经营技术部二零一二年十月第2页共70页编号:时间:2021年x月x日书山有路勤为径,学海无涯...
钢结构金属屋面及玻璃采光顶工程施工方案编制:审核:审批:有限公司2017年05月10日目录第一章编制说明.....................................
第1页共9页编号:时间:2021年x月x日书山有路勤为径,学海无涯苦作舟页码:第1页共9页屋面彩色金属板施工方案一、工程概况:本工程为某电子...
第1页共120页编号:时间:2021年x月x日书山有路勤为径,学海无涯苦作舟页码:第1页共120页1.设计管理制度第一章总则第一条为了加强对全矿采...
第1页共52页编号:时间:2021年x月x日书山有路勤为径,学海无涯苦作舟页码:第1页共52页安全生产检查制度一、总则根据《安全生产法》、《金...
金属套玻璃高效雾化器【WNA--X系列】【概况】WNA-1型普通型金属套玻璃高效雾化器WNA-2型提升量1-10mL内连续可调金属套玻璃高效雾化器WNA-...
第1页共8页编号:时间:2021年x月x日书山有路勤为径,学海无涯苦作舟页码:第1页共8页金属矿山重金属污染废弃地土壤修复技术研究郭维君1,2,...
第1页共7页编号:时间:2021年x月x日书山有路勤为径,学海无涯苦作舟页码:第1页共7页机械制造场所安全技术、金属切削机床安全技术【大纲考...
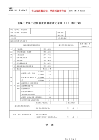
第317页共7页编号:时间:2021年x月x日书山有路勤为径,学海无涯苦作舟页码:第317页共7页金属幕墙工程施工工艺标准(QB-CNCECJ030702-2004...
第1页共10页编号:时间:2021年x月x日书山有路勤为径,学海无涯苦作舟页码:第1页共10页金属非金属矿山安全检查表(地下开采)矿山企业名称...
第1页共8页编号:时间:2021年x月x日书山有路勤为径,学海无涯苦作舟页码:第1页共8页金属非金属矿山安全检查表(露天开采)矿山企业名称:...
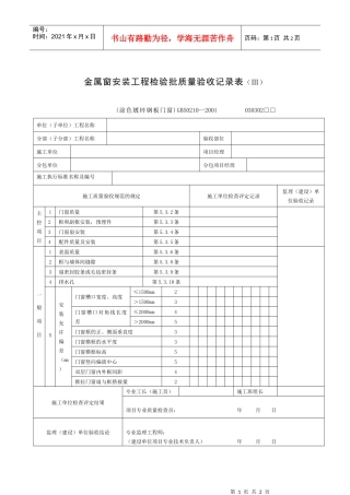
金属窗安装工程检验批质量验收记录表(Ⅲ)(涂色镀锌钢板门窗)GB50210—2001030302□□单位(子单位)工程名称分部(子分部)工程名称验收...
金属非金属露天矿山安全标准化实施指南目次1安全生产方针与目标1.1安全生产方针1.2安全生产目标2安全生产法律法规与其他要求2.1法律意识2.2...
第1页共40页编号:时间:2021年x月x日书山有路勤为径,学海无涯苦作舟页码:第1页共40页表面处理目录一、金属...............................
第1页共41页编号:时间:2021年x月x日书山有路勤为径,学海无涯苦作舟页码:第1页共41页第一章总论1.1项目名称及承办单位1.1.1项目名称...

