1 化工原理课程设计说明书设计题目 :原油预热器设计学生姓名:所在班级:学号: 002 设计时间: 2012.12.31— 3013.01.11指导教师:...
.工程概况电厂二期扩建工程*机组,每台锅炉布置两台三分仓回转式空气预热器,布置在锅炉炉后—轴线之间 12.42m 层的锅炉钢架上,炉右为预...
省煤器和空气预热器分解课件目录•省煤器概述•空气预热器概述•省煤器与空气预热器的比较•省煤器和空气预热器的维护与保养•省煤器和空气...
预热器清堵救援演练方案(6-28陈洋改)实用文档(实用文档,可以直接使用,可编辑优秀版资料,欢迎下载)商洛尧柏龙桥水泥“预热器清堵”应急...
锅炉原理省煤器和空气预热器分解课件目录•省煤器原理介绍•空气预热器原理介绍•省煤器与空气预热器的比较•省煤器和空气预热器的维护与保...
煤器和空气预热器锅炉尾部受热面或低温受热面课件目录•煤器概述•空气预热器概述•煤器和空气预热器的比较•煤器和空气预热器锅炉尾部受热...
工程设计任务书题目:日产5200吨熟料预分解窑的预热器系统设计一初始条件:1原料的化学分析结果物料烧失量SiO2Al2O3Fe2O3CaOMgOSO3K2ONa2OH2...
锅炉原理空气预热器课件•锅炉原理概述•空气预热器原理•空气预热器的结构与组成•空气预热器的安装与维护•空气预热器在锅炉中的应用目录...
Hotstart公司简介•Hotstart,是引擎预热的最佳解决方案。请告诉我们您的需要!Hotstart产品踪迹遍及世界各个领域!•Hotstart产品踪迹遍及世...
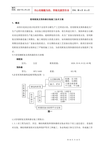
第53页共13页编号:时间:2021年x月x日书山有路勤为径,学海无涯苦作舟页码:第53页共13页窑尾框架及预热器安装施工技术方案1、概述该项目...
我公司预热器内筒挂片脱落的处理方法摘要:我公司首条日产5000吨水泥熟料生产线由天津水泥工业设计研究院设计,采用双系列五级预热器和TSD...
第1页共12页编号:时间:2021年x月x日书山有路勤为径,学海无涯苦作舟页码:第1页共12页.工程概况电厂二期扩建工程*机组,每台锅炉布置两台...
青海华电大通发电有限公司青海华电大通发电有限公司2*32*3000MW0MW机组机组烟气脱硝技改工程炉内空预器与省煤器连烟气脱硝技改工程炉内空预...
容克式空气预热器着火的预防措施据统计,容克式空气预热器(以下简称空预器)每运行6×106h会出现一次着火,即平均每年约800台运行的这种空...
电厂锅炉原理省煤器和空气预热器课件•空气预热器原理•省煤器和空气预热器的比较•省煤器和空气预热器的维护与保01省煤器原理省煤器的作用...
第40页共9页C1旋风筒、下料管C2旋风筒、下料管、C2-C1风管C3旋风筒、下料管、C3-C2风管C4旋风筒、下料管、C4-C3风管C5旋风筒、下料管、C5-C...
预热器清堵平安作业治理规定1.严格按照《危险作业治理制度》要求办理危险作业申请单,穿戴好劳动保护用品(劳保用品中不同意有化纤制品),...
第53页共13页编号:时间:2021年x月x日书山有路勤为径,学海无涯苦作舟页码:第53页共13页窑尾框架及预热器安装施工技术方案1、概述该项目...
窑尾框架及预热器安装施工技术方案1、概述该项目是南京设计院采用干法窑外分解生产工艺所设计的,窑尾框架及预热器是全厂生产过程中的关键...
C1旋风筒、下料管C2旋风筒、下料管、C2-C1风管C3旋风筒、下料管、C3-C2风管C4旋风筒、下料管、C4-C3风管C5旋风筒、下料管、C5-C4风管TDF分...

