电脑桌面
添加小米粒文库到电脑桌面
安装后可以在桌面快捷访问

钢纤维混凝土VIP免费

钢纤维混凝土_第1页
1/7
钢纤维混凝土_第2页
2/7
钢纤维混凝土_第3页
3/7
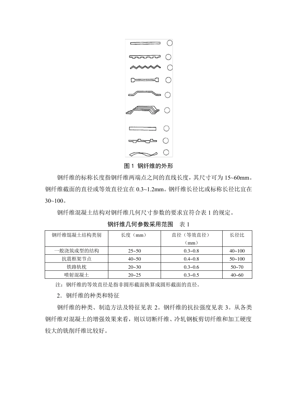
钢纤维混凝土 在混凝土拌合物中,掺入适量的钢纤维,可配成一种既可浇筑又可喷射的特种混凝土,这就是钢纤维混凝土。与普通混凝土相比,钢纤维混凝土抗拉、抗弯强度及耐磨、耐冲击、耐疲劳、韧性和抗裂、抗爆等性能都可得到提高。因为大量很细的钢纤维均匀地分散在混凝土中,与混凝土接触的面积很大,因而,在所有的方向,都使混凝土的强度得到提高,大大改善了混凝土的各项性能。 1.钢纤维的基本要求 (1)钢纤维的强度 钢纤维混凝土破坏时,发现往往是钢纤维被拉断,这不是因为钢纤维抗拉强度不足,而是因为其韧性不足造成的。因此,要提高其韧性。如果材料通过淬火或其他急冷硬化方法获得,尽管其抗拉强度较高,但质地较脆,在搅拌过程中易被折断,反而会降低强化效果。因此,只要不是易脆断的钢材,通常强度较高的纤维可满足要求。一般钢纤维的抗拉强度不得低于380MPa。当工程有特殊要求时,钢纤维抗拉强度可由需方根据技术与经济条件提出。 (2)钢纤维的尺寸和形状 钢纤维的尺寸,主要由强化特性和施工难易性决定。钢纤维如太粗或太短,其强化特性差,如过细或过长,则在搅拌时容易结团。为了增强钢纤维同混凝土之间的粘结强度,常采用增大表面积或将纤维表面加工成凹凸形状,按外形可为平直形、波浪形、压痕形、扭曲形、端钩形、大头形等,见图1。按横截面可为圆形、矩形、月牙形及不规则形等。 图1 钢纤维的外形 钢纤维的标称长度指钢纤维两端点之间的直线长度,其尺寸可为15~60mm。钢纤维截面的直径或等效直径宜在0.3~1.2mm。钢纤维长径比或标称长径比宜在30~100。 钢纤维混凝土结构对钢纤维几何尺寸参数的要求宜符合表1 的规定。 钢纤维几何参数采用范围 表1 钢纤维馄凝土结构类别 长度(mm) 直径(等效直径)(mm) 长径比 一般浇筑成型的结构 25~50 0.3~0.8 40~100 抗震框架节点 40~50 0.4~0.8 50~100 铁路轨枕 20~30 0.3~0.6 50~70 喷射混凝土 20~25 0.3~0.5 40~60 注:钢纤维的等效直径是指非圆形截面换算成圆形截面的直径。 2.钢纤维的种类和特征 钢纤维的种类、制造方法及特征见表2。钢纤维的抗拉强度见表3。从各类钢纤维对混凝土的增强效果来看,则以切断纤维、冷轧钢板剪切纤维和加工硬度较大的铣削纤维比较好。 各类钢纤维的制造方法和特征 表2 钢纤维种类 制造方法 特征 存在问题 断面形状 表面 防拔方法 其他 切断钢纤维 将钢丝切断 圆形 冷拔表面 压痕折弯 强度高,...

1、当您付费下载文档后,您只拥有了使用权限,并不意味着购买了版权,文档只能用于自身使用,不得用于其他商业用途(如 [转卖]进行直接盈利或[编辑后售卖]进行间接盈利)。
2、本站所有内容均由合作方或网友上传,本站不对文档的完整性、权威性及其观点立场正确性做任何保证或承诺!文档内容仅供研究参考,付费前请自行鉴别。
3、如文档内容存在违规,或者侵犯商业秘密、侵犯著作权等,请点击“违规举报”。

碎片内容

钢纤维混凝土

您可能关注的文档

确认删除?
VIP
微信客服
  • 扫码咨询
会员Q群
  • 会员专属群点击这里加入QQ群
客服邮箱
回到顶部