电脑桌面
添加小米粒文库到电脑桌面
安装后可以在桌面快捷访问

钢结构设计实例VIP免费

钢结构设计实例_第1页
1/13
钢结构设计实例_第2页
2/13
钢结构设计实例_第3页
3/13
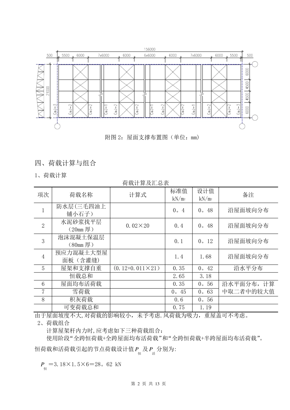
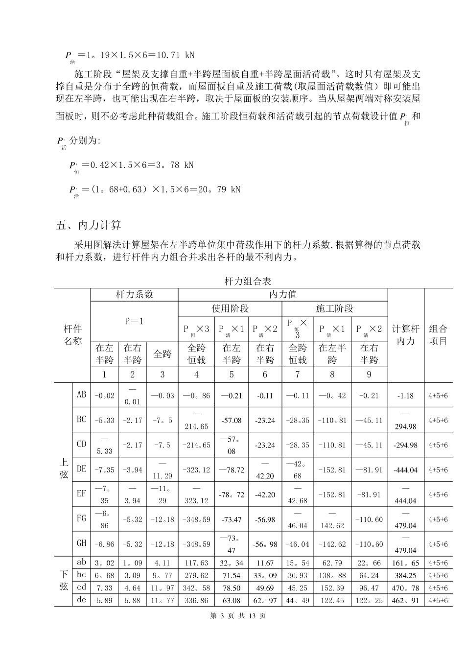
第 1 页 共 13 页 设计资料 北京地区某金工车间。采用无檩屋盖体系,梯形钢屋架。车间跨度21m,长度144m,柱距6m,厂房高度15.7m。车间内设有两台150/520kN 中级工作制吊车。设计温度高于-20℃。采用三毡四油,上铺小石子防水屋面,水泥砂浆找平层,8cm 厚泡沫混凝土保温层,1。5m×6.0m 预应力混凝土大型屋面板.屋面积灰荷载0.6kN/m2,屋面活荷载0.35 kN/m2,雪荷载为0。45kN/m2,风荷载为0.5kN/m2。屋架铰支在钢筋混凝土柱上,上柱截面为400mm×400mm,混凝土标号为C20。 一、选择钢材和焊条 根据北京地区的计算温度和荷载性质及连接方法,钢材选用Q235-B.焊条采用E43 型,手工焊。 二、屋架形式及尺寸 无檩屋盖,i=1/10,采用平坡梯形屋架。 屋架计算跨度为L0=L—300=20700mm, 端部高度取H0=1990mm, 中部高度取H=H0+1/2iL=1990+0.1×2100/2=3040mm, 屋架杆件几何长度见附图1 所示,屋架跨中起拱42mm(按L/500 考虑)。 为使屋架上弦承受节点荷载,配合屋面板1.5m 的宽度,腹杆体系大部分采用下弦间长为3.0m 的人字式,仅在跨中考虑到腹杆的适宜倾角,采用再分式。 屋架杆件几何长度(单位:mm) 三、屋盖支撑布置 根据车间长度、屋架跨度和荷载情况,设置四道上、下弦横向水平支撑。因柱网采用封闭结合,为统一支撑规格,厂房两端的横向水平支撑设在第二柱间.在第一柱间的上弦平面设置刚性系杆保证安装时上弦杆的稳定,第一柱间下弦平面也设置刚性系杆以传递山墙风荷载。在设置横向水平支撑的柱间,于屋架跨中和两端共设四道垂直支撑。在屋脊节点及支座节点处沿厂房纵向设置通长的刚性系杆,下弦跨中节点处设置一道纵向通长的柔性系杆,支撑布置见附图2。图中与横向水平支撑连接的屋架编号为GWJ-2,山墙的端屋架编号为GWJ-3,其他屋架编号均为GWJ—1. 第 2 页 共 13 页 附图2:屋面支撑布置图(单位:mm) 四、荷载计算与组合 1、荷载计算 荷载计算及汇总表 项次 荷载名称 计算式 标准值kN/m2 设计值kN/m2 备注 1 防水层(三毛四油上铺小石子) 0。4 0。48 沿屋面坡向分布 2 水泥砂浆找平层(20mm 厚) 0.02×20 0.4 0。48 沿屋面坡向分布 3 泡沫混凝土保温层(80mm 厚) 0.1 0。12 沿屋面坡向分布 4 预应力混凝土大型屋面板(含灌缝) 1.4 1.68 沿屋面坡向分布 5 屋架和支撑自重 (0.12+0.011×21) 0.35 0。42 沿水平分布 恒载总和 2.65 3.18 6 屋面均布活荷载 ...

1、当您付费下载文档后,您只拥有了使用权限,并不意味着购买了版权,文档只能用于自身使用,不得用于其他商业用途(如 [转卖]进行直接盈利或[编辑后售卖]进行间接盈利)。
2、本站所有内容均由合作方或网友上传,本站不对文档的完整性、权威性及其观点立场正确性做任何保证或承诺!文档内容仅供研究参考,付费前请自行鉴别。
3、如文档内容存在违规,或者侵犯商业秘密、侵犯著作权等,请点击“违规举报”。

碎片内容

钢结构设计实例

您可能关注的文档

确认删除?
VIP
微信客服
  • 扫码咨询
会员Q群
  • 会员专属群点击这里加入QQ群
客服邮箱
回到顶部