电脑桌面
添加小米粒文库到电脑桌面
安装后可以在桌面快捷访问

工程设计计算书反应沉淀清水池VIP免费

工程设计计算书反应沉淀清水池_第1页
1/8
工程设计计算书反应沉淀清水池_第2页
2/8
工程设计计算书反应沉淀清水池_第3页
3/8
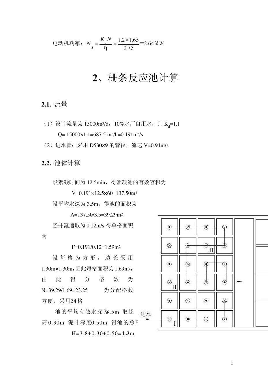
湖 南 省 建 筑 设 计 院 计 算 书 工程名称: 邵阳市桂花渡水厂取水改造工程 工程代号: 2010-F002-01 专 业: 工 艺 计 算: 李明峰 校 对: 龙 川 审 核: 许光眉 二〇一〇年1 0 月 1 1 、机械混合池计算 1 .1 . 流量 (1)设计流量为 15000m3/d,10%水厂自用水,则 Kd=1.1 Q= 15000×1.1=687.5 m3/h=0.191m3/s (2)进水管:采用 D530×9 的管径,流速 V=0.94m/s 1 .2 . 池体计算 采用 1 组池子设混合时间为 4min,得混合池的有效容积为 V=0.191×4×60=45.84m3 混合池 1 格,尺寸 H=V/A=0.30.345.84=5.09m 混合池超高取 0.4m,总高 5.50m。 混合池分格墙上过水孔道上下交错布置,每格设一台搅拌设备。 1 .3 . 各参数计算 搅拌池当量直径 D:D=m39.314159.30.30.344=lw 混合功率:kWQtGNQ06.131000500604191.01014.11000232= 根据手册第三册表7-16 初选搅拌器直径 d=1.5m,搅拌器外缘线速度 v=2m/s 计算转速:min/50.255.114.326060rdvn=  搅拌功率: 81.940890sin8.12.014210002.0408sin043433dvgZebRCN1.65kW 2 电动机功率:kWNKNgA643.275.065.12.1= 2 、栅条反应池计算 2 .1 . 流量 (1)设计流量为 15000m3/d,10%水厂自用水,则 Kd=1.1 Q= 15000× 1.1=687.5 m3/h=0.191m3/s (2)进水管:采用 D530× 9 的管径,流速 V=0.94m/s 2 .2 . 池体计算 设絮凝时间为 12.5min,得絮凝池的有效容积为 V=0.191× 12.5× 60=137.50m3 设平均水深为 3.5m,得池的面积为 A=137.50/3.5=39.29m2 竖井流速取为 0.12m/s,得单格面积为 F=0.191/0.12=1.59m2 设 每 格 为 方 形 , 边 长 采 用1.30m× 1.30m,因此每格面积为1.69m2,由此得分格数为 N=39.29/1.69=23.25 为分配格数方便,采用24 格 池的平均有效水深为3.5m,取超高 0.30m,泥斗深度0.50m,得池的总高度为 H=3.8+0.30+0.50=4.3m。 3 2 .3 . 栅条布置(如图) 第Ⅰ段:密型栅条 1~8 格 3 层/格× 8 格=24 层 第Ⅱ段:疏型栅条 9~16 格 2 层/格× 8 格=16 层 第Ⅲ段:不放置栅条17~24 格 2 .4 . 絮凝池尺寸确定 有效水深:H0=3.5m 池净宽:B=9.05m 池净长:L=6.15m 2 .5 . 过栅流速 V密 = Q/f密 f密=0.05× 1.26× ...

1、当您付费下载文档后,您只拥有了使用权限,并不意味着购买了版权,文档只能用于自身使用,不得用于其他商业用途(如 [转卖]进行直接盈利或[编辑后售卖]进行间接盈利)。
2、本站所有内容均由合作方或网友上传,本站不对文档的完整性、权威性及其观点立场正确性做任何保证或承诺!文档内容仅供研究参考,付费前请自行鉴别。
3、如文档内容存在违规,或者侵犯商业秘密、侵犯著作权等,请点击“违规举报”。

碎片内容

工程设计计算书反应沉淀清水池

小辰+ 关注
实名认证
内容提供者

出售各种文档和资料

确认删除?
VIP
微信客服
  • 扫码咨询
会员Q群
  • 会员专属群点击这里加入QQ群
客服邮箱
回到顶部