电脑桌面
添加小米粒文库到电脑桌面
安装后可以在桌面快捷访问

工程量签证单新VIP专享VIP免费

工程量签证单新_第1页
1/12
工程量签证单新_第2页
2/12
工程量签证单新_第3页
3/12
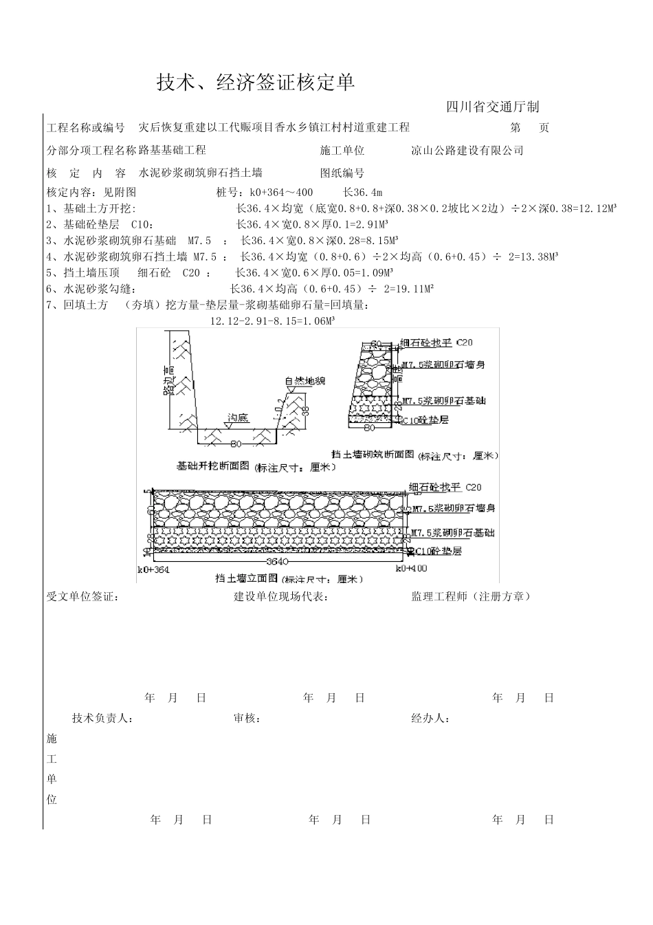
四川省交通厅制工程名称或编号 第 页分部分项工程名称施工单位凉山公路建设有限公司 核 定 内 容图纸编号核定内容:见附图 桩号: k0+219~269 长50.6m1、基础土方开挖: 长50.6×均宽(底宽1+1+深0.5×0.2坡比×2边)÷2×深0.5=27.83M³ 2、基础砼垫层 C10: 长50.6×宽1×厚0.1=5.06M³3、水泥砂浆砌筑卵石基础 M7.5: 长50.6×宽1×深0.4=20.24M³ 4、水泥砂浆砌筑卵石挡土墙 M7.5: 长50.6×均宽(1+0.6)÷2×均高(0.65+1.15+0.95+0.95)÷ 4=37.44M³5、挡土墙压顶 细石砼 C20 : 长50.6×宽0.6×厚0.05=1.52M³ 6、水泥砂浆勾缝: 长50.6×均高(0.65+1.15+0.95+0.95)÷ 4=46.81M² 7、回 填 土方 (夯 填 )挖方量 -垫层量 -浆砌基础卵石量 =回 填 量 : 27.83-5.06-20.24=2.53M³受 文 单位签 证 :建设单位现 场 代 表 :监 理 工程师 (注 册 方章 ) 年 月 日 年 月 日 年 月 日技 术 负 责 人 :审 核:经 办 人 :施工单位 年 月 日 年 月 日 年 月 日灾 后 恢 复 重 建以 工代 赈 项目 香 水乡 镇 江 村 村 道 重 建工程路基基础工程技 术 、经 济 签 证 核定单水泥砂浆砌筑卵石挡土墙 四川省交通厅制工程名称或编号 第 页分部分项工程名称施工单位凉山公路建设有限公司 核 定 内 容图纸编号核定内容:见附图 桩号:k0+364~400 长36.4m1、基础土方开挖: 长36.4×均宽(底宽0.8+0.8+深0.38×0.2坡比×2边)÷2×深0.38=12.12M³2、基础砼垫层 C10: 长36.4×宽0.8×厚0.1=2.91M³3、水泥砂浆砌筑卵石基础 M7.5 : 长36.4×宽0.8×深0.28=8.15M³4、水泥砂浆砌筑卵石挡土墙 M7.5 : 长36.4×均宽(0.8+0.6)÷2×均高(0.6+0.45)÷ 2=13.38M³ 5、挡土墙压顶 细石砼 C20 : 长36.4×宽0.6×厚0.05=1.09M³ 6、水泥砂浆勾缝: 长36.4×均高(0.6+0.45)÷ 2=19.11M²7、回 填 土方 (夯 填 )挖方量 -垫层量 -浆砌基础卵石量 =回 填 量 :12.12-2.91-8.15=1.06M³ 受 文 单位签 证 :建设单位现 场 代 表 :监 理 工程师 (注 册 方章 ) 年 月 日 年 月 日 年 月 日技 术 负 责 人 :审 核:经 办 人 :施工单位 年 月 日 年 月 日 年 月 日技 术 、经 济 签 证 核定单灾 后 恢 复 重 建以 工代 赈 项目 香 水乡 镇...

1、当您付费下载文档后,您只拥有了使用权限,并不意味着购买了版权,文档只能用于自身使用,不得用于其他商业用途(如 [转卖]进行直接盈利或[编辑后售卖]进行间接盈利)。
2、本站所有内容均由合作方或网友上传,本站不对文档的完整性、权威性及其观点立场正确性做任何保证或承诺!文档内容仅供研究参考,付费前请自行鉴别。
3、如文档内容存在违规,或者侵犯商业秘密、侵犯著作权等,请点击“违规举报”。

碎片内容

工程量签证单新

确认删除?
VIP
微信客服
  • 扫码咨询
会员Q群
  • 会员专属群点击这里加入QQ群
客服邮箱
回到顶部