电脑桌面
添加小米粒文库到电脑桌面
安装后可以在桌面快捷访问

数控机床维修知识VIP免费

数控机床维修知识_第1页
1/7
数控机床维修知识_第2页
2/7
数控机床维修知识_第3页
3/7
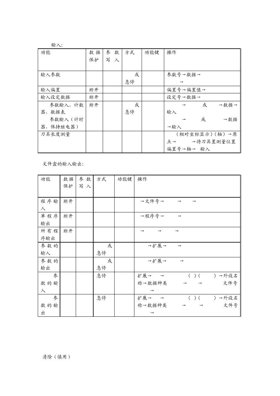
一、CNC状态显示: 1、方式选择状态: MEM:自动方式 MDI:手动数据输入/MDI方式 EDIT:程序编辑方式 RMT:远程方式 JOG:手动连续进给 REF:回参考点 INC:增量进给方式=步进方式(没有手摇脉冲发生器时) HND:手动手轮进给方式 TJOG:TEACH IN JOG(JOG示教方式) THND:TEACH IN HANDLE(手轮示教方式) 2、自动运行状态 STRT:自动运转程序执行中的状态 HOLD:自动运行暂停状态 STOP:自动运行停止状态 MSTR:执行刀具回退功能时,刀具回退中或重新定位中 MTN:根据程序执行轴移动的状态 DWL:执行程序中的暂停指令(G04)的状态 3、辅助功能状态 FIN:辅助功能执行中的状态、等待完成信号“FIN”的状态 4、紧急停止或复位的状态 EMG:紧急停止状态 RESET:CNC复位状态 5、报警状态 ALM:检测出报警的状态 BAT:电池电压低 6、程序编辑状态运转中状态 输出:数据输入中 输入:数据输出中 SRCH:数据检索中 EDIT:时行插入、变更等 LSK:数据输入时标记跳跃 AIAPC:AI预读控制方式中 二、操作一览表 复位: 功能 数据保护 参数写 入=1 方式 功能键 操作 运行时间复位 → POS [操作][时间:0]→[EXEC] 加 工 零 件数复位 → POS [操作][零件:0]→[EXEC] OT报警复位 电源 ON时 → 〈P〉和〈CAN〉 100号报警复位 → → 〈CAN〉和〈RESET〉 MDI输入: 功能 数据保护 参数写入=1 方式 功能键 操作 输入参数 0 MDI或急停 SYSTEM PARAM 参数号→数据→INPUT PWE=0→RESET 输入偏置 断开 OFFEST 偏置号→偏置值→INPUT 输入设定数据 断开 MDI SETTING 设定号→数据→INPUT PMC参数输入,计数器,数据表 PMC参数输入(计时器,保持继电器) 断开 0 MDI或急停 SYSTEM PMC PMCPRM→COUNTR或DATA→数据→输入 PMCPRM→TIMER或KEEPRL→数据→输入 刀具长度测量 JOG POS OFFEST POS〈相对坐标显示〉〈轴〉→原点→OFFEST→将刀具置测量位置 偏置号→轴→C输入 文件盒的输入输出: 功能 数据保护 参数写入=1 方式 功能键 操作 程 序 输入 断开 EDIT PROG N→文件号→INPUT→READ→EXEC 单 程 序输出 断开 EDIT PROG O→程序号→PUNCH→EXEC 所 有 程序输出 断开 EDIT PROG O→-9999→PUNCH→EXEC 参数的输入 0 EDIT或急停 SYSTEM PARAM OPRT→扩展→READ→EXEC 参数的输出 0 EDIT或急停 SYSTEM PARAM OPR...

1、当您付费下载文档后,您只拥有了使用权限,并不意味着购买了版权,文档只能用于自身使用,不得用于其他商业用途(如 [转卖]进行直接盈利或[编辑后售卖]进行间接盈利)。
2、本站所有内容均由合作方或网友上传,本站不对文档的完整性、权威性及其观点立场正确性做任何保证或承诺!文档内容仅供研究参考,付费前请自行鉴别。
3、如文档内容存在违规,或者侵犯商业秘密、侵犯著作权等,请点击“违规举报”。

碎片内容

数控机床维修知识

小辰3+ 关注
实名认证
内容提供者

出售各种资料和文档

确认删除?
VIP
微信客服
  • 扫码咨询
会员Q群
  • 会员专属群点击这里加入QQ群
客服邮箱
回到顶部