电脑桌面
添加小米粒文库到电脑桌面
安装后可以在桌面快捷访问

数控车床编程实例100数控车编程实例VIP免费

数控车床编程实例100数控车编程实例_第1页
1/31
数控车床编程实例100数控车编程实例_第2页
2/31
数控车床编程实例100数控车编程实例_第3页
3/31
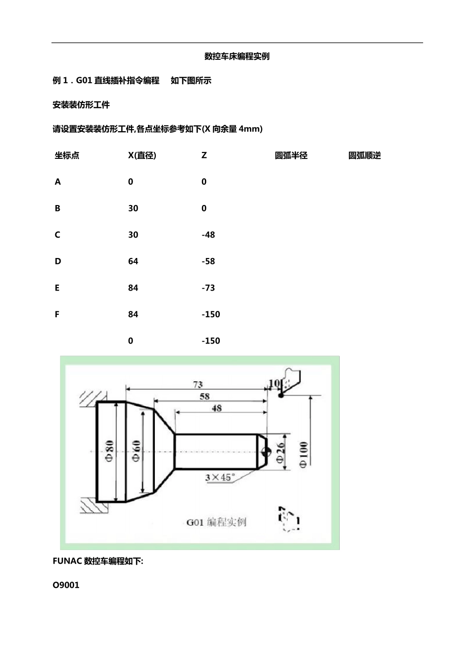
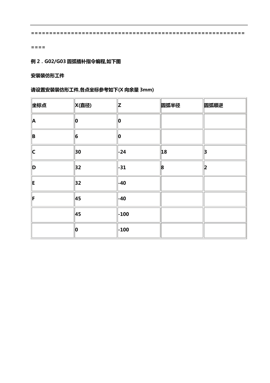
数 控 车 床 编 程 实 例 例 1. G01 直 线 插 补 指 令 编 程 如 下图所示 安装装仿形工件 请设置安装装仿形工件,各点坐标参考如 下(X 向余量 4mm) 坐标点 X(直 径) Z 圆弧半径 圆弧顺逆 A 0 0 B 30 0 C 30 -48 D 64 -58 E 84 -73 F 84 -150 0 -150 FUNAC 数 控 车 编 程 如 下: O9001 N10 G50 X100 Z10 ( 设 立 坐 标 系 , 定 义 对 刀 点 的 位 置 ) N20 G00 X16 Z2 M03 ( 移 到 倒 角 延 长 线 , Z 轴 2mm 处 ) N30 G01 U10 W-5 G98 F120 ( 倒 3×45°角 ) N40 Z-48 ( 加 工 Φ 26 外 圆 ) N50 U34 W-10 ( 切 第 一段锥) N60 U20 Z-73 ( 切 第 二段锥) N70 X90 ( 退刀 ) N80 G00 X100 Z10 ( 回对 刀 点 ) N90 M05 ( 主轴 停) N100 M30 ( 主程序结束并复位 ) //////////////////////////////////////////////////////////////////////////////////////// 华中数控车床编程如下: %9001 N10 G92 X100 Z10 ( 设 立 坐 标 系 , 定 义 对 刀 点 的 位 置 ) N20 G00 X16 Z2 M03 ( 移 到 倒 角 延 长 线 , Z 轴 2mm 处 ) N30 G01 U10 W-5 F300 ( 倒 3×45°角 ) N40 Z-48 ( 加 工 Φ 26 外 圆 ) N50 U34 W-10 ( 切 第 一段锥) N60 U20 Z-73 ( 切 第 二段锥) N70 X90 ( 退刀 ) N80 G00 X100 Z10 ( 回对 刀 点 ) N90 M05 ( 主轴 停) N100 M30 ( 主程序结束并复位 ) =============================================================== 例 2. G02/G03 圆 弧 插 补 指 令 编 程 ,如 下图 安装装仿形工件 请设置安装装仿形工件,各点坐标参考如 下(X 向余量 3mm) 坐标点 X(直径) Z 圆 弧 半径 圆 弧 顺逆 A 0 0 B 6 0 C 30 -24 18 3 D 32 -31 8 2 E 32 -40 F 45 -40 45 -100 0 -100 FUNAC 数 控 车 编 程 如 下: O9002 N10 G50 X40 Z5(设立坐标系,定义对刀点的位置) N20 M03 S400 (主轴以 400r/min 旋转) N25 G50 S1000 (主轴最大限速 1000r/min 旋转) N30 G96 S80 (恒线速度有效,线速度为 80m/min) N40 G00 X0 (刀到中心,转速升...

1、当您付费下载文档后,您只拥有了使用权限,并不意味着购买了版权,文档只能用于自身使用,不得用于其他商业用途(如 [转卖]进行直接盈利或[编辑后售卖]进行间接盈利)。
2、本站所有内容均由合作方或网友上传,本站不对文档的完整性、权威性及其观点立场正确性做任何保证或承诺!文档内容仅供研究参考,付费前请自行鉴别。
3、如文档内容存在违规,或者侵犯商业秘密、侵犯著作权等,请点击“违规举报”。

碎片内容

数控车床编程实例100数控车编程实例

您可能关注的文档

确认删除?
VIP
微信客服
  • 扫码咨询
会员Q群
  • 会员专属群点击这里加入QQ群
客服邮箱
回到顶部