电脑桌面
添加小米粒文库到电脑桌面
安装后可以在桌面快捷访问

测试技术实验报告(含实验数据)VIP免费

测试技术实验报告(含实验数据)_第1页
1/10
测试技术实验报告(含实验数据)_第2页
2/10
测试技术实验报告(含实验数据)_第3页
3/10
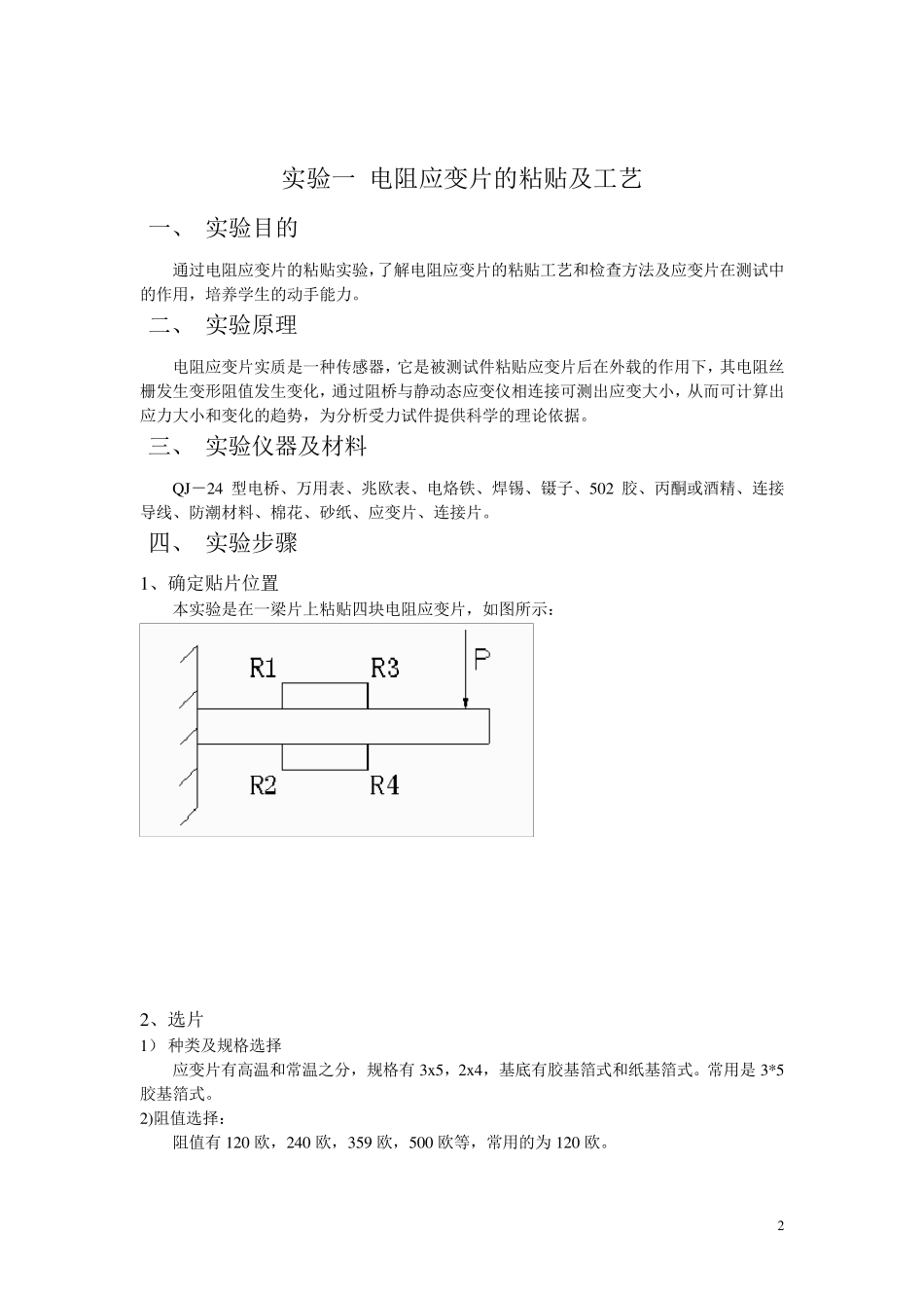
1 机械工程测试技术基础 实验报告 1 2 实验一 电阻应变片的粘贴及工艺 一、 实验目的 通过电阻应变片的粘贴实验,了解电阻应变片的粘贴工艺和检查方法及应变片在测试中的作用,培养学生的动手能力。 二、 实验原理 电阻应变片实质是一种传感器,它是被测试件粘贴应变片后在外载的作用下,其电阻丝栅发生变形阻值发生变化,通过阻桥与静动态应变仪相连接可测出应变大小,从而可计算出应力大小和变化的趋势,为分析受力试件提供科学的理论依据。 三、 实验仪器及材料 QJ-24 型电桥、万用表、兆欧表、电烙铁、焊锡、镊子、502 胶、丙酮或酒精、连接导线、防潮材料、棉花、砂纸、应变片、连接片。 四、 实验步骤 1、确定贴片位置 本实验是在一梁片上粘贴四块电阻应变片,如图所示: 2、选片 1) 种类及规格选择 应变片有高温和常温之分,规格有 3x5,2x4,基底有胶基箔式和纸基箔式。常用是 3*5胶基箔式。 2)阻值选择: 阻值有 120 欧,240 欧,359 欧,500 欧等,常用的为 120 欧。 3 3)电阻应变片的检查 a.外观检查,用肉眼观察电阻应变是否断丝,表面是否损坏等。 b.阻值检查:用电桥测量各片的阻值为配组组桥准备。 4)配组 电桥平衡条件:R1*R3 = R2*R4 电桥的邻臂阻值小于 0.2 欧。 一组误差小于 0.2% 。在测试中尽量选择相同阻值应变片组桥。 3.试件表面处理 1) 打磨,先粗打磨,后精细打磨 a. 机械打磨,如砂轮机 b. 手工打磨,如砂纸 打磨面积应大于应变片面积 2 倍,表面质量为 Ra = 3.2um 。应成 45 度交叉打磨。因为这样便于胶水的沉积。 2)清洁表面 用棉花粘积丙酮先除去油污,后用酒精清洗,直到表面干净为止。 3)粘贴。涂上 502 胶后在电阻应变片上覆盖一薄塑料模并加压,注意电阻应变片的正反面。反面涂胶,而正面不涂胶。应变片贴好后接着贴连接片。 4)组桥:根据要求可组半桥或全桥。 5)检查。 用万用表量是否断路或开路,用兆欧表量应变片与被测试件的绝缘电阻,静态测试中应大于100M 欧,动态测试中应大于 50M 欧。 6)密封 为了防止电阻应变被破坏和受潮,一般用AB 胶覆盖在应变片上起到密封和保护作用,为将来长期监测做好准备。 实验心得: 电阻应变片的粘贴是一个需要细心以及耐心的过程吗,实验中很好的锻炼了我们的动手实践能力。使我们对基本的粘贴工艺有所了解,为以后从事工作或科研奠定基础。 4 实验二 静态应变测量 一、 实验...

1、当您付费下载文档后,您只拥有了使用权限,并不意味着购买了版权,文档只能用于自身使用,不得用于其他商业用途(如 [转卖]进行直接盈利或[编辑后售卖]进行间接盈利)。
2、本站所有内容均由合作方或网友上传,本站不对文档的完整性、权威性及其观点立场正确性做任何保证或承诺!文档内容仅供研究参考,付费前请自行鉴别。
3、如文档内容存在违规,或者侵犯商业秘密、侵犯著作权等,请点击“违规举报”。

碎片内容

测试技术实验报告(含实验数据)

您可能关注的文档

确认删除?
VIP
微信客服
  • 扫码咨询
会员Q群
  • 会员专属群点击这里加入QQ群
客服邮箱
回到顶部