电脑桌面
添加小米粒文库到电脑桌面
安装后可以在桌面快捷访问

建筑工程质量评价表VIP免费

建筑工程质量评价表_第1页
1/48
建筑工程质量评价表_第2页
2/48
建筑工程质量评价表_第3页
3/48
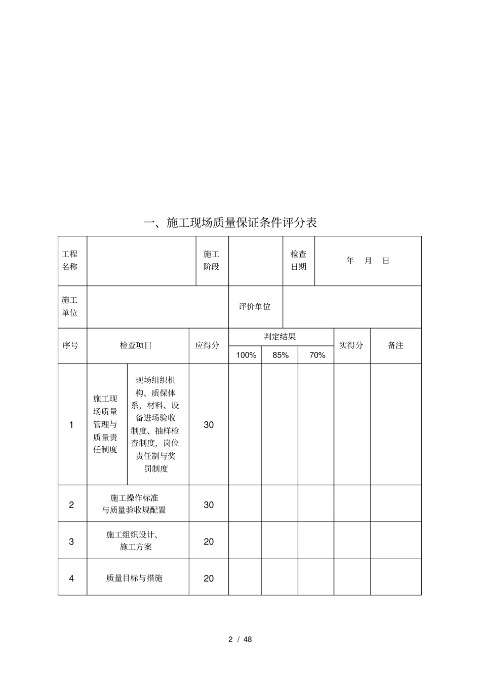
建筑工程质量评价表工程名称:施工企业:评价时间:2 / 48 一、施工现场质量保证条件评分表工程名称施工阶段检查日期年月日施工单位评价单位序号检查项目应得分判定结果实得分备注100% 85% 70% 1 施工现场质量管理与质量责任制度现场组织机构、质保体系,材料、设备进场验收制度、抽样检查制度,岗位责任制与奖罚制度30 2 施工操作标准与质量验收规配置30 3 施工组织设计、施工方案20 4 质量目标与措施20 3 / 48 检查结果权重值 10 分。应得分合计 :实得分合计:实得分施工现场质量保证条件评分=———— *10 =应得分评价人员年月日二、地基与桩基工程质量评价表 2.1 地基与桩基工程性能检测评分表工程名称施工阶段检查日期年月日施工单位评价单位序号检查项目应得分判定结果实得分备注100% 85% 70% 1 地基地基强度、压实系数、注浆体强度50 地基承载力50 2 复合地基桩体强度(50)桩体干密度(50)3 桩基单桩竖向抗压承载力(50)4 / 48 桩身完整性(50)检查结果权重值 35 分。应得分合计 :实得分合计:实得分地基与桩基工程性能检测评分=———— *35=应得分评价人员年月日表 2.2 地基与桩基工程质量记录评分表工程名称施工阶段检查日期年月日施工单位评价单位序号检查项目应得分判定结果实得分备注100% 85% 70% 1 材料、预制桩合格证(出厂试验报告)与进场验收记录材料合格证(出厂场试验报告)与进场验收记录与钢筋、水泥复试报告30 预制桩合格证(出厂试验报告)与进场验收记录(30)2 施工记录地基处理、 验槽、钎探施工记录30 预制桩接头施工记录(10)打(压)桩试桩与施工记录(20)灌注桩成孔、 钢筋笼、 混凝土灌注检查记录与施工记录(30)检验批、分项、分部(子分部)工程质量验收记录10 3 施工试验灰土、砂石、注浆桩与水泥、粉煤灰、碎石桩配合比试验报告30 5 / 48 钢筋连接试验报告(15)混凝土试件强度报告(15)预制桩龄期与试件强度报告(30)结果权重值 35 分。应得分合计:实得分合计:实得分地基与桩基工程质量记录评分=————*35=应得分评价人员年月日表 2.3 地基与桩基工程尺寸偏差与限值实测评分表工程名称施工阶段检查日期年月日施工单位评价单位序号检查项目应得分判定结果实得分备注100% 85% 70% 1 天然地基标高与基槽宽度偏差100 2 复合地基桩位偏差(100)3 打(压)桩位偏差(100)6 / 48 4 灌注桩桩位偏差(100)检查结果...

1、当您付费下载文档后,您只拥有了使用权限,并不意味着购买了版权,文档只能用于自身使用,不得用于其他商业用途(如 [转卖]进行直接盈利或[编辑后售卖]进行间接盈利)。
2、本站所有内容均由合作方或网友上传,本站不对文档的完整性、权威性及其观点立场正确性做任何保证或承诺!文档内容仅供研究参考,付费前请自行鉴别。
3、如文档内容存在违规,或者侵犯商业秘密、侵犯著作权等,请点击“违规举报”。

碎片内容

建筑工程质量评价表

确认删除?
VIP
微信客服
  • 扫码咨询
会员Q群
  • 会员专属群点击这里加入QQ群
客服邮箱
回到顶部