电脑桌面
添加小米粒文库到电脑桌面
安装后可以在桌面快捷访问

建筑施工及管理专业毕业实习日记VIP免费

建筑施工及管理专业毕业实习日记_第1页
1/39
建筑施工及管理专业毕业实习日记_第2页
2/39
建筑施工及管理专业毕业实习日记_第3页
3/39
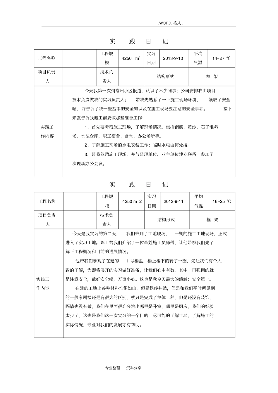
.WORD. 格式 . 专业整理资料分享实践日记工程名称工程规模4250 ㎡实习日期2013-9-10 平均气温14~27 ℃项目负责人技术负责人结构形式框 架实践工作内容今天我第一次到常州小区报道,认识了不少同事;公司安排我由项目技术负责做我的实习负责人;带我先熟悉了一下施工现场环境,领取了安全帽,并告诉了我一些基本的安全知识及在施工现场要注意的安全事项。接下来就告诉我施工前要做那些准备工作:1、首先要考察施工现场,了解现场情况。包括钢筋、黄沙、石子堆料场,水泥仓库,职工宿舍、食堂、办公场所等。2、了解施工现场的水电安装工作;临时水电由何处接。3、带我熟悉施工现场,并与监理单位、业主单位建立联系,参加了一次现场办公会议。实践日记工程名称工程规模4250 m 2实习日期2013-9-11 平均气温16~25 ℃项目负责人技术负责人结构形式框 架实践工作内容今天是我实习的第二天,我们来到了工地现场,一期的施工工地现场,正式进入了实习工地。陈工给我们介绍了一位李姓施工员师傅,让他带领我们先了解下工程概况和目前的进展情况。他带我们参观了在建的1 号楼盘,楼上楼下的转了一圈,先让我们有个大致的了解,为即将展开的实习做好准备,让我们心中有数。其中一再强调的就是注意安全,戴好安全帽,万事小心。这也是我今天最大的感触:安全第一。在建的工地上各种材料堆积如山,但是秩序井然,但是和我们平时所见到的一般家属楼还是有很大的区别,楼只是完成了主体工程,但是还没有装饰,隔墙也没有做,我们在里面很难分辨出哪里是卧室,哪里是厨房,我们的经验太少了,这也是我们这一次实习的一个目的,尽可能的了解工地,了解施工的实际情况,专业对我们的发展才有帮助。.WORD. 格式 . 专业整理资料分享实践日记工程名称工程规模4250 m 2实习日期2013-9-12 气温12~26 ℃项目负责人技术负责人结构形式框 架实践工作内容今天我们有幸可以借阅到工程的设计图和施工图,虽然我们也做过课程设计以及现在在做毕业设计,但那都是教学的一部分并没有应用到实际中去,几乎近似于纸上谈兵吧。在现场技术员的指导下,打开建筑图和施工图,他首先给我们介绍了下施工图纸的几个大概的部分,图名、图框、比例等等。第一次接触正规的设计图,会很自然地拿自己的画的图纸和它比较,首先最先看到的是图框边缘的一级注册建筑师印章,那是建筑行业的通行证也是我们为之奋斗的目标,这枚小小的印章代表的就是值得信任的技术水平和安全可靠...

1、当您付费下载文档后,您只拥有了使用权限,并不意味着购买了版权,文档只能用于自身使用,不得用于其他商业用途(如 [转卖]进行直接盈利或[编辑后售卖]进行间接盈利)。
2、本站所有内容均由合作方或网友上传,本站不对文档的完整性、权威性及其观点立场正确性做任何保证或承诺!文档内容仅供研究参考,付费前请自行鉴别。
3、如文档内容存在违规,或者侵犯商业秘密、侵犯著作权等,请点击“违规举报”。

碎片内容

建筑施工及管理专业毕业实习日记

文库当当响+ 关注
实名认证
内容提供者

该用户很懒,什么也没介绍

确认删除?
VIP
微信客服
  • 扫码咨询
会员Q群
  • 会员专属群点击这里加入QQ群
客服邮箱
回到顶部