电脑桌面
添加小米粒文库到电脑桌面
安装后可以在桌面快捷访问

建筑施工检查记录表VIP免费

建筑施工检查记录表_第1页
1/4
建筑施工检查记录表_第2页
2/4
建筑施工检查记录表_第3页
3/4
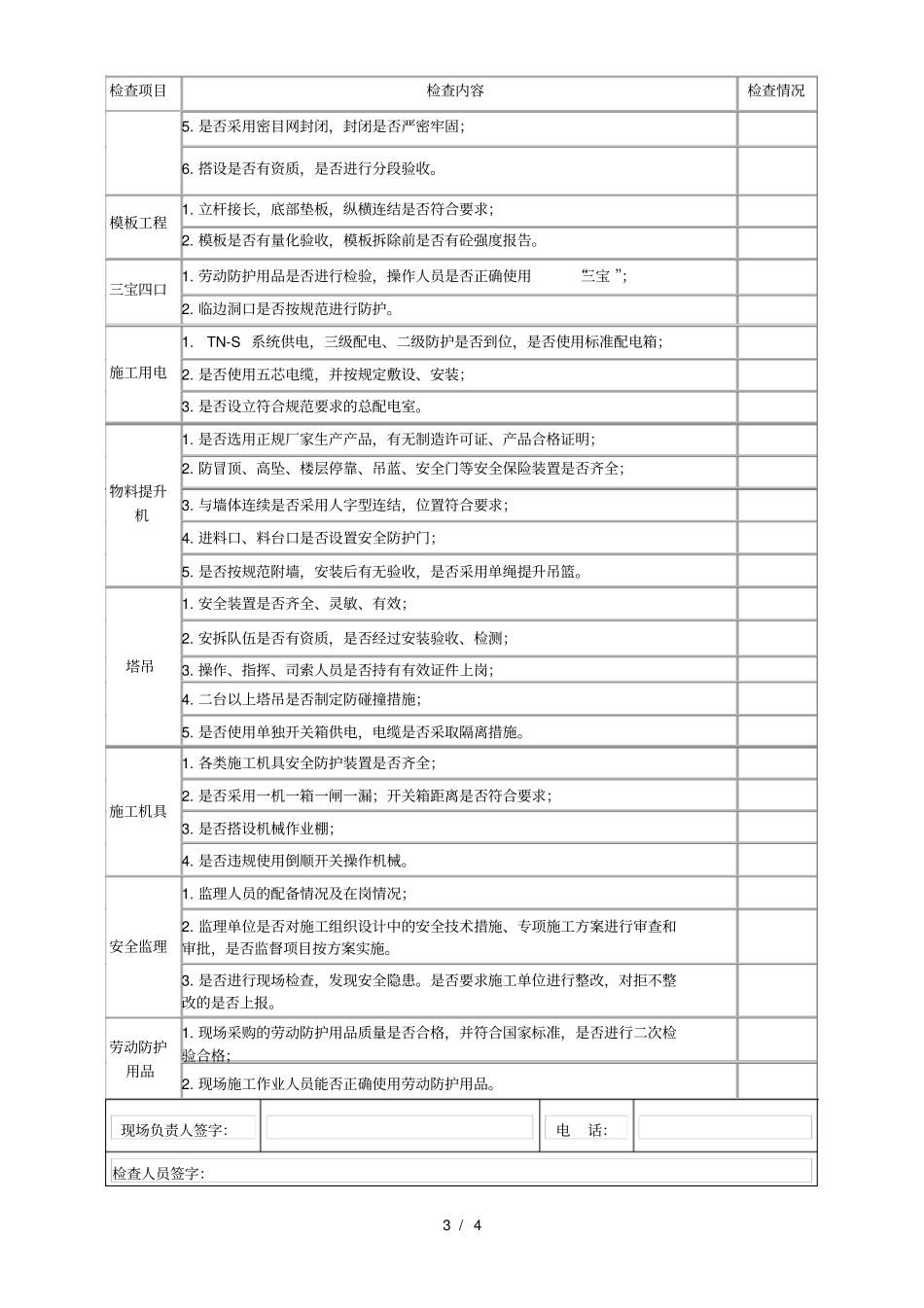
1 / 4 柘木乡建筑施工安全检查记录表(施工企业)企业名称:法人代表:电话:检查项目检查内容检查情况一、安全生产责任制落实1. 是否制定各级安全生产责任制;2. 是否真正设立安全管理机构、足额配备专职管理人员;3. 企业实行项目安全员直派管理办法,查下发文件、工资发放情况;4. 是否制定年度安全管理工作意见、目标和年度安全监理计划。二、安全生产专项治理和开展安全质量标准化工资1. 是否制定专项治理方案和措施;2. 是否建立项目工程危险源辩、评、控台帐及制定监控措施;3. 是否对开展安全质量标准化工作进行具体布置,是否制定年度创建目标、任务并分解。三、安全生产检查1. 是否开展对项目进行日常巡查、定期检查;2. 是否对重大危险源进行排查、登记、上报;3. 是否对检查出的隐患落实整改。四、安全生产教育培训1. 是否制定年度培训教育计划,计划实施是否有记录;2. 企业是否在项目建立农民工学校并正常开展培训、教育;3. 企业是否建立三类人员、特种作业人员台帐,三类人员、特种作业人员证件是否按时进行年审。五、安全生产技术管理1. 安全专项方案编制、审核、审批情况,监理人员是否参与;2. 是否对项目进行开工前安全技术交底,并履行交底签字手续;3. 是否编制应急救援预案并组织演练。六、设备、设施防护用品管理1. 是否制定企业设备管理制度,建立设备台帐、档案,并对购置、使用、维修、报废进行管理;2. 起重机械装拆是否有方案,是否进行拆装技术交底,监理人员是否进行方案审核、装拆过程旁站;3. 是否建立特种设备台帐,并安排专人管理;4. 安全防护设施是否进行定型化、工具化管理并出台防护标准。5. 企业是否统一购置、发放劳动防护用品,建立发放使用台帐。现场负责人签字:电话:检查组人员签字:检查时间:单位盖章 : 2 / 4 备注:是否存在安全隐患栏中符合要求的打“√”,不符合要求的打“×”,不涉及此项的保持空白。柘木乡建筑施工安全检查记录表(施工项目)项目名称:负责人:电话:检查项目检查内容检查情况项目市场行为1. 开工前是否办理安全监督备案,领取施工许可证;2. 项目经理、安全管理人员是否虚设,检查时是否在岗;3. 项目是否存在挂靠、违法分包、转包现象;4. 需分包的分部分项工程是否分包给有资质的专业承包企业。用工是否从劳务企业使用,并签订分包、用工合同。项目安全管理1. 是否制定管理目标,并分解、考核;是否建立安全生产责任制;2. 项目经...

1、当您付费下载文档后,您只拥有了使用权限,并不意味着购买了版权,文档只能用于自身使用,不得用于其他商业用途(如 [转卖]进行直接盈利或[编辑后售卖]进行间接盈利)。
2、本站所有内容均由合作方或网友上传,本站不对文档的完整性、权威性及其观点立场正确性做任何保证或承诺!文档内容仅供研究参考,付费前请自行鉴别。
3、如文档内容存在违规,或者侵犯商业秘密、侵犯著作权等,请点击“违规举报”。

碎片内容

建筑施工检查记录表

文库当当响+ 关注
实名认证
内容提供者

该用户很懒,什么也没介绍

确认删除?
VIP
微信客服
  • 扫码咨询
会员Q群
  • 会员专属群点击这里加入QQ群
客服邮箱
回到顶部