电脑桌面
添加小米粒文库到电脑桌面
安装后可以在桌面快捷访问

建筑水电安装工程项目施工组织设计方案措施VIP免费

建筑水电安装工程项目施工组织设计方案措施_第1页
1/35
建筑水电安装工程项目施工组织设计方案措施_第2页
2/35
建筑水电安装工程项目施工组织设计方案措施_第3页
3/35
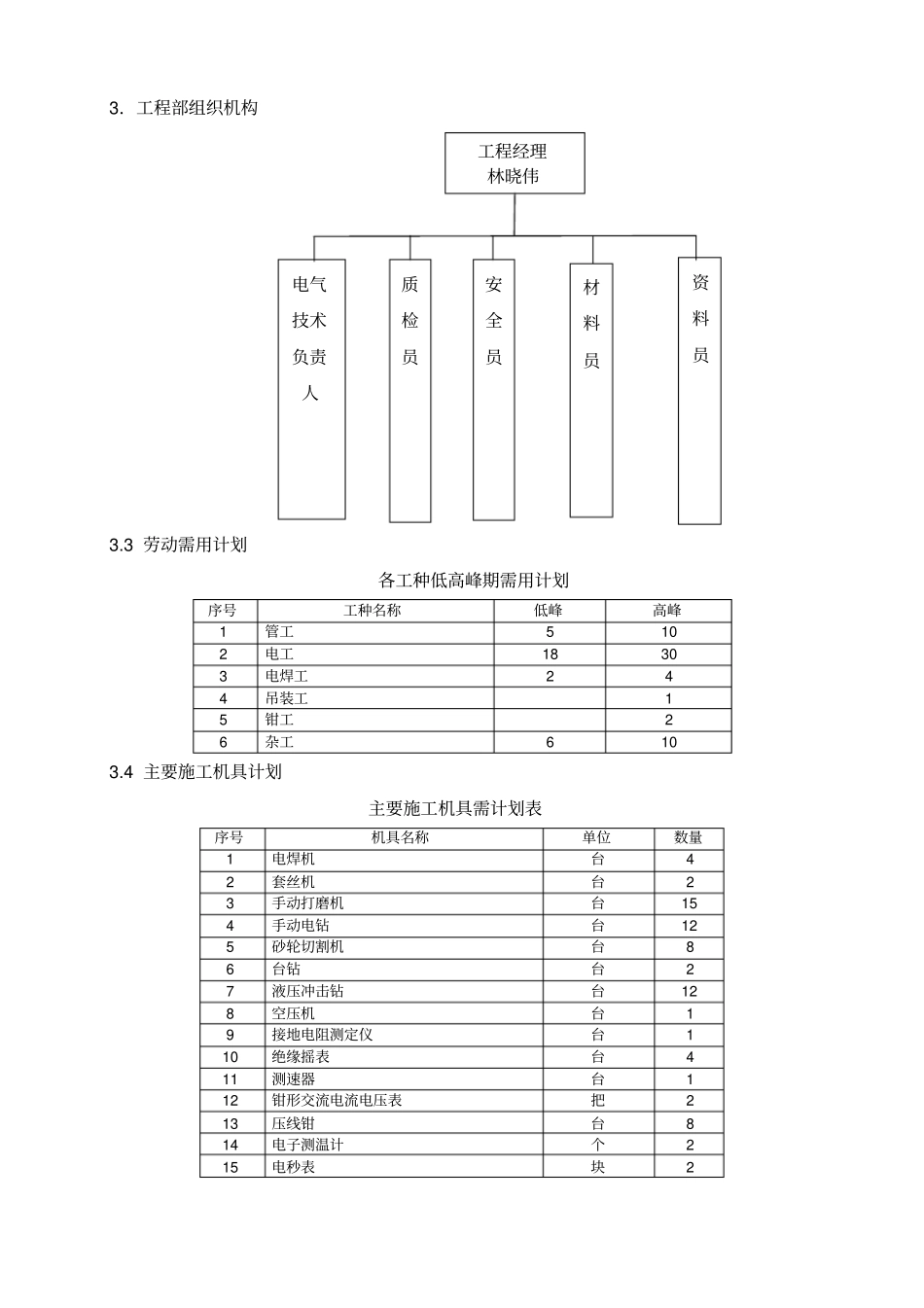
第一章编制依据《建筑电气工程施工质量验收规范》 GB50303-2002 《通风与空调工程施工质量验收规范》 GB50243-2002 《通风管道技术规范》 JGJ141-2004 J363-2004 《压缩机、风机、泵安装工程施工验收规范》 GB50275-1998 《建筑工程施工质量验收统一标准》 GB50300-2001 《建筑施工安全检查标准》 JGJ59-2011 《施工现场临时用电安全技术规范》 JGJ46-88 《建设工程工程管理规范》 GB/T50326-2001 《机械设备安装工程施工及验收规范》 GB50231-98 设计地空调、强电、弱电等全部图纸;全国通用电气安装图集;本公司类似工程相关经验资料. 第二章工程简况×××工程由地下二层 ,地上二十一层组成 ,总建筑面积约24357.3m2,其中地下建筑面积约 4410m2,首层至二十一建筑面积约19947.3m2.-2 层层高 3.70M,-1 层层高 4.50M,首层层高 5.98M,2 至 19 层层高 4.88M,20 至 21 层层高 3.0M,建筑屋面高度99.82M.由广东工业大学建筑设计研究院设计,广东华联建设工程管理咨询有限公司监理. 建筑电气安装工程由湛江市第四建筑工程公司承建. 2.1 电气工程简况配电方式:地下室一般照明采用电缆放射式供电, 商务楼干线电缆放射式供电, 插接箱及电表箱全部设在地下室负一层及夹层, 每户设户分配电盘;一户一表, 电度表箱设在地下室负一层及夹层.配电线路:一般干线配线采用ZR-YJV 电缆 , 消防及地下室采用NH-YJV电缆, 支干线均为 ZR-YJV电缆. 消防设备及一部分重要负荷地电源为一级负荷, 设在事故母线段 , 待市电停电后 , 由柴油发电机供电 . 消防用电设备:如消防电梯、消防水泵、防排烟风机等采用双回路供电, 在末端双电源切换配电箱处自动切换, 其中一路引自应急母线段. 应急段配电电缆均为耐火电缆 . 非消防电源:干线采用阻燃电缆, 当火灾确认后 , 由消防控制室键盘切断或通知配电房人工切断某些非消防电源. 本建筑物按第二类防雷建筑物设防. 从首层起 , 每三层利用结构圈梁水平钢筋焊通成均压环, 所有引下线 , 建筑物内地金属构件和金属物体等均与均压环连接. 每套室内卫生间应做局部等电位联结. 防雷接地、电气接地、信息系统接地及其它系统接地共用一个接地网, 综合接地电阻≦ 1 欧. 2.2 空调通风工程简况工程内容主要包括通风管道制作安装、防火阀安装、止回阀安装、送风口、排风口、集气箱、排风机、离心和轴流风机安装. 1、地下室车库平时通风和消防排烟同一个通风系统:...

1、当您付费下载文档后,您只拥有了使用权限,并不意味着购买了版权,文档只能用于自身使用,不得用于其他商业用途(如 [转卖]进行直接盈利或[编辑后售卖]进行间接盈利)。
2、本站所有内容均由合作方或网友上传,本站不对文档的完整性、权威性及其观点立场正确性做任何保证或承诺!文档内容仅供研究参考,付费前请自行鉴别。
3、如文档内容存在违规,或者侵犯商业秘密、侵犯著作权等,请点击“违规举报”。

碎片内容

建筑水电安装工程项目施工组织设计方案措施

爱的疯狂+ 关注
实名认证
内容提供者

该用户很懒,什么也没介绍

确认删除?
VIP
微信客服
  • 扫码咨询
会员Q群
  • 会员专属群点击这里加入QQ群
客服邮箱
回到顶部